N7205A101B08_Diagram List_控制線路圖 - 第84页
PCB Vacuum 基板吸着 R4144R RD BK 1 2 177898-1 AMP RD BK 1 2 177898-1 AMP R4145R マスク吸着 Mask Vacuum PCB Vacuum Sensor 基板吸着真空センサ マスク吸着真空センサ Mask Vacuum Sensor CNDU-P PH142 24VOUT 24GND PH146 PH147 24GND OUT004 OUT005 COMP OUT14…

-A02
POWER UNIT
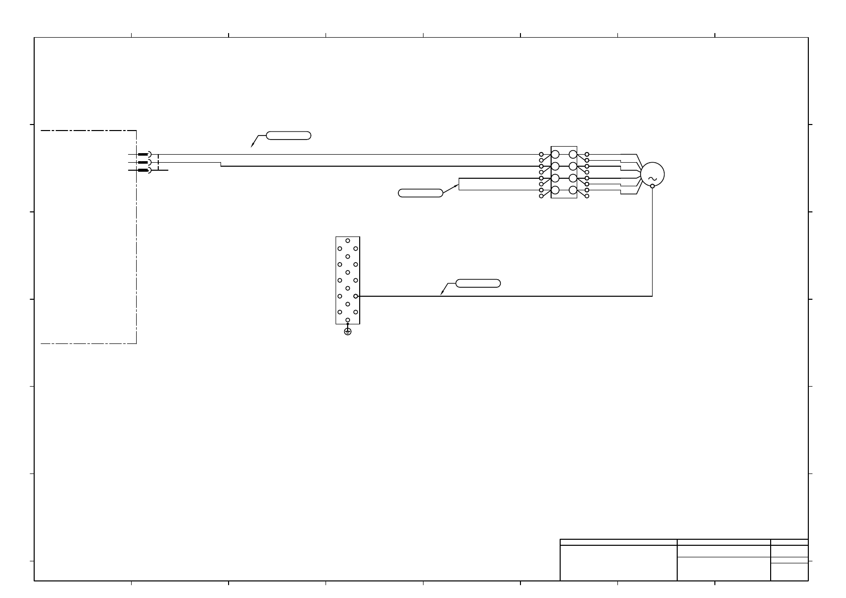
真空ポンプ
Vacuum Pump
EG202
2-M5
JST
-X101
BTBH30C4
1 1
2 2
3 3
4 4
IDEC
M
-G202
BU
BK
GY
BU
GY
YE
BU 1
BK
GY 6
BU 5
GY 2
YE
1aX101
TMEE1.25-4
NICHIFU
2aX101
3aX101
TMEE2-4
NICHIFU
4aX101
L124
L224
1
2
3
X224
UL1015 16AWG (黒) BK
UL1015 16AWG (黒) BK
UL1015 16AWG (緑/黄) GN/YE
UL1015 14AWG (黒) BK
N610147837AC
N610147839AB
AMP
X224
1-178128-3
3
2
1
-X002
4X002
1.25-M4
JST
N610147840AA
1
1
2
2
2
Panasonic Factory Solutions Co.,Ltd. パナソニック ファクトリーソリューションズ株式会社
Name
Drawing No.
Loc. No.
F4K1020-05A
1
2 3 4 5 6 7 8
A
B
C
D
E
F
1 2 3 4 5 6 7 8
A
B
C
D
E
F
Page. No.
VACUUM PUMP(H)(MAIN BODY):SPG
(Vaccum Pump Motor)
N610142528+002-AC
P002

PCB Vacuum
基板吸着
R4144R
RD
BK
1
2
177898-1
AMP
RD
BK
1
2
177898-1
AMP
R4145R
マスク吸着
Mask Vacuum
PCB Vacuum Sensor
基板吸着真空センサ
マスク吸着真空センサ
Mask Vacuum Sensor
CNDU-P
PH142
24VOUT
24GND
PH146
PH147
24GND
OUT004
OUT005
COMP
OUT144
OUT145
COMP
OUT147
COMP
24VOUT
24GND
1
2
3
4
5
6
7
8
9
10
11
12
13
14
15
16
PNF0B4(ILK)
-K321
-A02
POWER UNIT
2464-1061/ⅡA(PF) LF 3P×24AWG
GN/WH
GN
BK/WH
BK
RD/WH
RD
MTKC000992AA
UL1007 24AWG (青)
2464-1061/ⅡA(PF) LF 3P×24AWG
GN/WH
GN
BK/WH
BK
RD/WH
RD
AMP
R4144P
177906-1
2
1
1
2
AMP
R4145P
177906-1
N610143322AB
JST
CNDU-P
PAP-16V-S
1
2
3
4
5
6
7
8
9
10
11
12
13
14
15
16
BK/WH
BK
RD/WH
RD
2464-1061/ⅡA(PF) LF 2P×24AWG
UL1007 24AWG (青) (青)
AMP
B1142R
177903-1
9
8
7
6
5
4
3
2
1
AMP
B1142P
177911-1
9
8
7
6
5
4
3
2
1
(青)
UL1007 24AWG (青) (青)
3
2
CHIP1
1
2
3
4
5
6
CP+24V
D+MAIN
24GND
VL016
CHIP2
1
2
3
4
5
6
CP+24V
D+SUB
24GND
VL017
N610165846AA
2
2
2
D-SUB
R-CHPSNS
D-MAIN
F-CHPSNS
MOLEX
CHIP1
43025-0600
6
5
4
3
2
1
MOLEX
CHIP2
43025-0600
6
5
4
3
2
1
基板吸着真空センサ
PCB Vacuum Sensor
24V
OUT1
OUT2
GND
p
5
4
3
2
1
-B1142
ISE30A-C4H-N-MB
SMC
5
4
3
2
1
JST
PAP-05V-S
B1142
3
マスク吸着真空センサ
Mask Vacuum Sensor
24V
OUT1
OUT2
GND
p
5
4
3
2
1
-B1146
ISE30A-C4H-N-MB
SMC
5
4
3
2
1
JST
PAP-05V-S
B1146
3
JST
B1142
PAP-04V-S
4
3
2
1
24V
OUT1
OUT2
GND
1
2
3
4
DP-102
Panasonic
-B1142
JST
B1146
PAP-04V-S
4
3
2
1
p
24V
OUT1
OUT2
GND
1
2
3
4
DP-102
Panasonic
-B1146
1
N610147836AB
Panasonic Factory Solutions Co.,Ltd. パナソニック ファクトリーソリューションズ株式会社
Name
Drawing No.
Loc. No.
F4K1020-05A
1
2 3 4 5 6 7 8
A
B
C
D
E
F
1 2 3 4 5 6 7 8
A
B
C
D
E
F
Page. No.
VACUUM PUMP(H)(MAIN BODY):SPG
(I/O Signal)
N610142528+003AD
P003

3.
LOAD WIRING DIAGRAM
OPTION
負荷配線図オプション
3-2 SOLDER AUTO-DISPENSING UNIT(H)
はんだ自動供給制御
EJP6AB-10-302-00