SM310 Maintenance Reference(Chi, Ver4) - 第101页
7-3 7.2.2. SM310 DUAL COMPUTER SY STEM 电脑系统检查 PC 电源 7-3. PC 7.2.2.1. GUI 电脑的检查 ① 检查 SBC 板的安装是否 正确。 ② 检查硬盘电缆的连接是否正确。 ③ 检查 CD-ROM 电缆的连接 是否正确。 ④ 的连接是否正确。 ⑥ M MASTER 卡组装是否正确 。 ⑦ CS-PCIS(2 ea) 卡组装是否正确 。 。 检查 SBC 板的安 检查 盘…

Samsung Component Placer SM310 Maintenance Reference
7.2.
7.2.1.
上 主电 适配
备 类(3 ont p-
等 来自 +-1
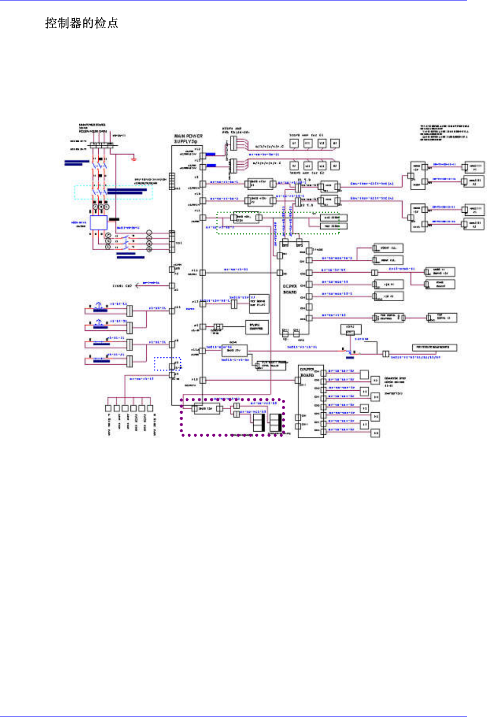
控制器电源部位的检点
PC 用电源基本
给 PC。位于设
来自 SM310
背面的板卡
源箱内的 J3 端口,经过 AC 120V
86EX、Multi-I/O、照明、Feeder C
器供应
rol、Te
Axis ON-LINE 等..)的电源则 SM310 主电源箱、电源分配器、 5V、+5V
独立电源。
图 7-2. 电源电路
7-2

7-3
7.2.2. SM310 DUAL COMPUTER SYSTEM 电脑系统检查
PC 电源
7-3.
PC
7.2.2.1. GUI 电脑的检查
① 检查 SBC 板的安装是否正确。
② 检查硬盘电缆的连接是否正确。
③ 检查 CD-ROM 电缆的连接是否正确。
④ 的连接是否正确。
⑥ M MASTER 卡组装是否正确。
⑦ CS-PCIS(2 ea)卡组装是否正确。
。
检查 SBC 板的安
检查 盘
检查 ISA DPRAM SLAVE 的安装是否正确。
TION CONTROLLER(8)的安装是否正确。
⑤ 检查 CAN MASTER B/D 的安装是否正确。
CARD B/D 是否组装正确。
⑦ 电缆是否连接正确
检查 COM 1 & COM2 端口电缆
⑤ 检查 USB ADAPTER 是否连接正确。
检查 ISA DPRA
检查
⑧ 检查 PXC-200 卡组装是否正确
7.2.2.2. RT 电脑的检查
① 装是否正确
② Flash disk(相当于硬 )的连接是否正确。
③
④ 检查 LASS PWM MO
检查 485 通信⑥
检查各 B/D 的

Samsung Component Placer SM310 Maintenance Reference
7.2.2.3. 电脑系统的详细检查
检查显示器右下角的 LED 状态。.
LED 为绿色:表示正常动作当中。
LED 在闪烁。
显示器处在节能模式。
缆。
确插入 板。
LED
确认有没有 右下角的电源供应开关。
确认是否 源 。
。
7.2.2.3.1.
电源部位检点
检查 Power 程序连接器的连接状态。
检查 从主板正确地连接到了硬盘。
硬盘的情况。
确认硬盘是否设定为 Master。.
检查是否正确连接显示器的的电
检查是否正 SBC
不亮时
按下显示器
正确连接电 供应电缆
确认有没有交通电源
确认是否正确组装 SBC 板。
硬盘
PC
硬盘电缆是否
PC 不能识别
始引导后,按下键盘的<F2>按键或<Delete>按键,使系统转
MAIN Menu 后使用上下键移动至 Primary Master , 然后按下
7-4.
搜索硬盘
接通电源开
换为 CMOS Setup 状态。
选择
<Enter>。
7-4