00194716-04_AI_Abwurfbehaelter_Abfrage_X-D3_de_en - 第38页
Einbau Montage und Anschließen des 1-Wire-Hu b Stromlaufplan Sensoren mi t 1-Wire-Hub 38 Option Verify Reject Bin Option Abfrage Abwurfbehälter 1-Wire: Verdrahtung Abfrage Abwurfbehälter (X-Serie)

Einbau
Stromlaufplan Sensoren mit 1-Wire-Hub Montage und Anschließen des 1-Wire-Hub
Option Verify Reject Bin Option Abfrage Abwurfbehälter 37
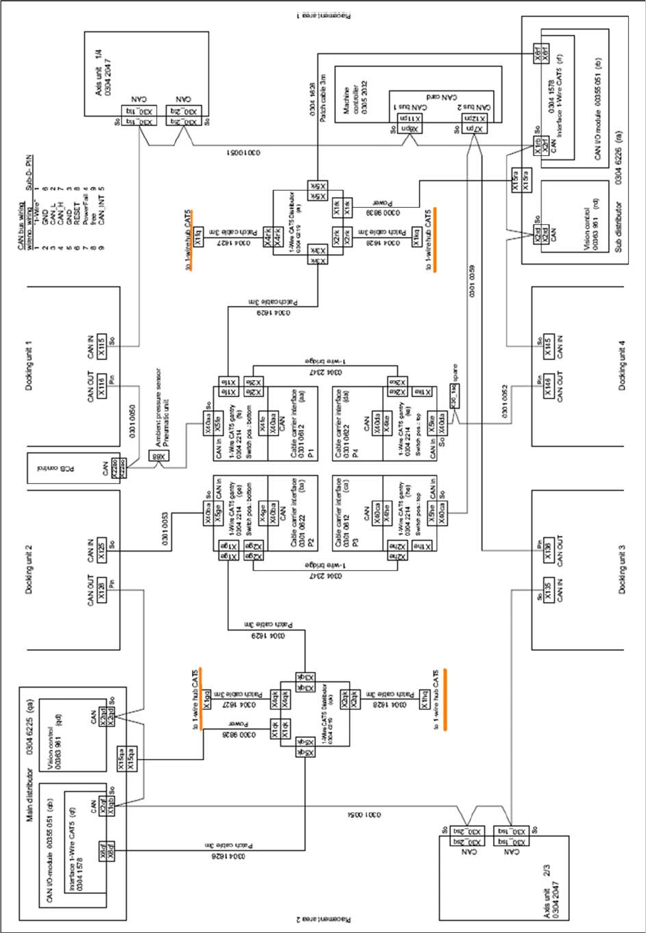
3.3.3 Stromlaufplan Sensoren mit 1-Wire-Hub
1-Wire-Hub: Verdrahtung

Einbau
Montage und Anschließen des 1-Wire-Hub Stromlaufplan Sensoren mit 1-Wire-Hub
38 Option Verify Reject Bin Option Abfrage Abwurfbehälter
1-Wire: Verdrahtung Abfrage Abwurfbehälter (X-Serie)

Einbau
Stromlaufplan Sensoren mit 1-Wire-Hub Abschließende Arbeiten
Option Verify Reject Bin Option Abfrage Abwurfbehälter 39
3.4 Abschließende Arbeiten
► Befestigen Sie alle Kabel an geeigneten Stellen mit Kabelbindern. Achten Sie dabei darauf, dass kei-
ne Kabel oder Schläuche beschädigt oder eingequetscht werden können.
► Wenn Sie den BE-Einzug gelöst haben, dann bauen Sie diesen wieder ein. Lesen Sie hierzu die ak-
tuelle Serviceanleitung der entsprechenden Maschine.
► Bauen Sie ggf. die Pipettenwechsler wieder ein und stecken Sie diese an.
► Entfernen Sie alle nicht benötigten Baugruppen und Werkzeuge aus der Maschine. Kontrollieren
Sie, ob sich die Portale und Köpfe in der Maschine frei bewegen können und keine Kollisionsge-
fahren bestehen.
► Schalten Sie die Maschine wieder ein.
SW60x: Meldung Abfrage Abwurfbehälter
► Kontrollieren Sie die Einstellung mit Hilfe der Stati-
onssoftware. Hier wird die Anwesenheit der einzel-
nen Abwurfbehälter angezeigt. Überprüfen Sie
anhand der Bedienoberfläche, ob die einzelnen
Behälter korrekt abgefragt und angezeigt werden.
► Überprüfen Sie ggf. nochmals die Einstellung des
Sensors für den Abwurfbehälter 6x6 des C&P20-
bzw. CPP-Kopfes.
► Vermessen Sie die Pipettenwechsler und die Abhol-
positionen der BE-Tische.