CM400 - 第61页

Ref No. Remarks R 1 Q'ty 20 手置 き ト レイ 対応本体部配線 Main Body Wiring for Manual Tray イラスト No. Part No. 品 名 品番 数量 R 2 パー ツ リ スト Kit No. キ ット 品番 Kit Name キ ット 名称 N610003023AA Part Name 備 考 セクション No . PARTS LIST Section No. …

100%1 / 64
20
手置
レイ
対応本体部配線
Main Body Wiring for Manual Tray
パーツレイアウト
Kit No.
ット
品番
Kit Name
ット
名称
N610003023AA
セクション
No
.
PARTS LAYOUT
Section No.
-
-
E39
( KN610003023AA-01 )
Ref
No.
Remarks
R
1
Q'ty
20
手置
レイ
対応本体部配線
Main Body Wiring for Manual Tray
イラスト
No.
Part No.
  品番 数量
R
2
パースト
Kit No.
ット
品番
Kit Name
ット名称
N610003023AA
Part Name
   
セクション
No
.
PARTS LIST
Section No.
R
3
PCB
1
1 KXFE000EA00
S
NF0ECB_PbF: Ring IO Load Board
SWITCH
1
2 N302AH16-087 AH165-TFG11
SWITCH
2
3 N510007176AA AH165-TFW11
SWITCH
1
4 N510007177AA AH165-TLG11E3
E40
-
-
( KN610003023AA-01 )
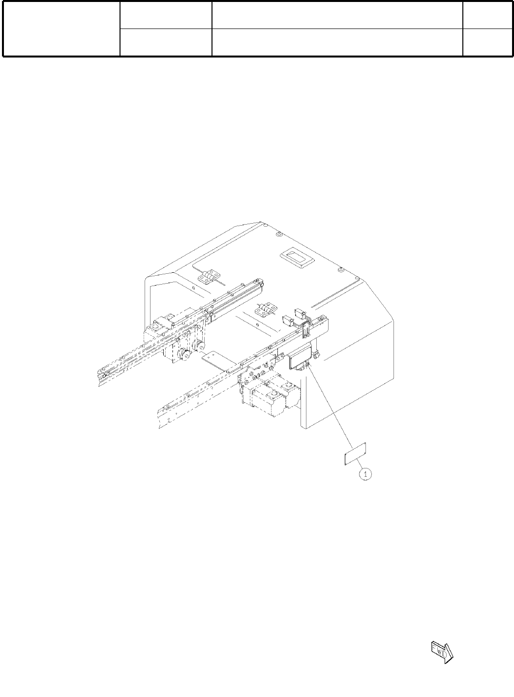
21
下流延長
ット
(
マシン
右側
)
Downstream Extension Conveyor (Right Side of Machine)
パーツレイアウト
Kit No.
ット
品番
Kit Name
ット
名称
N610006859AA
セクション
No
.
PARTS LAYOUT
Section No.
-
-
E41
( KN610006859AA-02 )