SM471_TechnicalReference(Eng_Ver1.5).pdf - 第197页
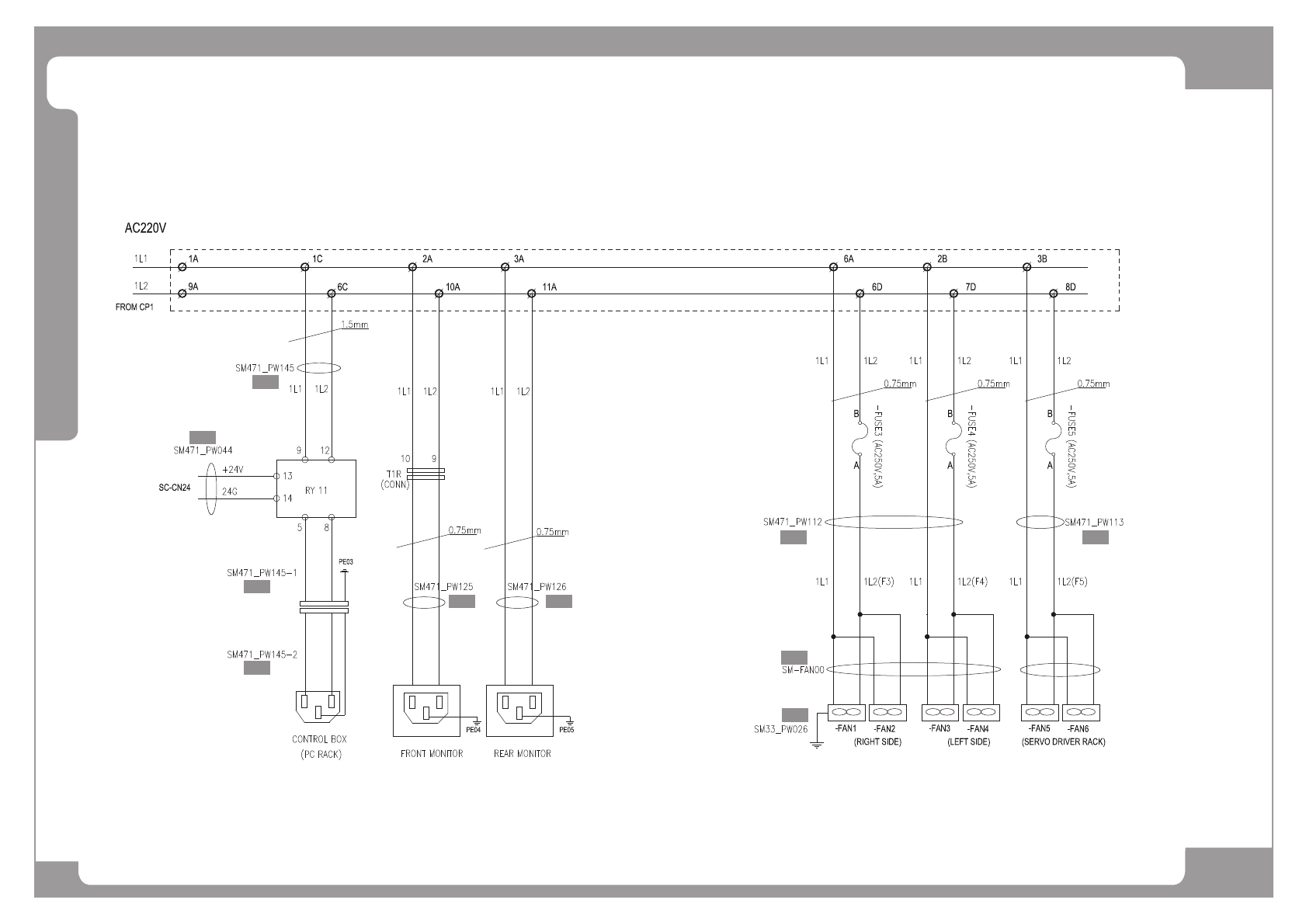
Page SAMSUNG TECHWIN 187 SM471 E lectric Circuit Diagram (4/7) NO. Lev . P ART NO. P ART NAME Q'TY Old No. Supply Supply L T Reference 1 AM03-005514 A CABLE ASSY -CONTROL_RACK_PWR 1 SM471-PW14 5 2 AM03-0055 13A CABL…

Page
SAMSUNG TECHWIN
186
SM471
Electric Circuit Diagram (4/7)
^4`
2
2
2
2 2
2
^5`
^6`
^7`
^8` ^9`^9`
^:`
^;`
^<`
^43`

Page
SAMSUNG TECHWIN
187
SM471
Electric Circuit Diagram (4/7)
NO. Lev. PART NO. PART NAME Q'TY Old No. Supply Supply LT Reference
1 AM03-005514A CABLE ASSY-CONTROL_RACK_PWR 1 SM471-PW145
2 AM03-005513A CABLE ASSY-SACO_+24V_RELAY 1 SM471-PW044
3 AM03-005515B CABLE ASSY-CONTROL_RACK_PWR-EXT 1 AM03-005515A SM471-PW145-1
4 AM03-005516B CABLE ASSY-RELAY 11 1 AM03-005516A SM471-PW145-2
5 AM03-005417A CABLE ASSY-FX_MOTOR_PWR_T1R 1 SM471_PW125
6 AM03-005765B CABLE ASSY-REAR_MONITOR_PW_T4L 1 AM03-005765A SM471_PW126
7 AM03-005488A CABLE ASSY-FAN_POWER 1 SM471_PW112
8 J90833316A FAN_CABLE_ASSY SM-FAN00 4 SM-FAN00
9 J90831088B SERVO_FAN_FG_CABLE_ASSY 1 SM33-PW026
10 AM03-005489A CABLE ASSY-SERVO_FAN_POWER 1 SM471_PW113

Page
SAMSUNG TECHWIN
188
SM471
Electric Circuit Diagram (5/7)
^4`
^6`
^5`
^7`
^8`
^9`
^:`
^;`
^<`
^43`