P-0199-001.pdf - 第173页
MODEL TCM-3700-2 0109-001 171 Key N o. P AR T No . P AR T NAME Q’ t y REMA RKS NOTE 8-4 1 630 064 2131 P L A T E 4 739H--01B-033 1 -1 630 059 2412 B RA CK ET (PH OTO R) 2 7 39H--01B-016 1 -2 630 059 2405 B RA CK ET( PH O…

MODEL TCM-3700-2
0109-001
170
R ࠦࡦࡌࠕㇱ R CONVEYOR SECTION
Fig. 8-4
ၮ᧼ᬌㇱޔၮ᧼ࠬ࠻࠶ࡄ
P.C.B. Detector, P.C.B. Stopper
7
6
3-1
1-1
2
9-3
9-2
9-1
9-3
9-2
9-1
8
7
6
1-2
2
1
1
8
7
6
3-1
1-1
2
9-3
9-2
9-1
1
8
9-2
9-1
1
3-3
3-2
3-1
3-2
3-4
3-3
3-2
3-1
3-2
3-4
3-3
3-2
3-1
3-3
3-2
3-1
3-1
3-2
3-4
2
3-1
3-2
3-4
14
15
16
11
12
13
17
19
18
9-3
7
6
1-3
8
35
34
36
21
29
30
28
26
27
24
23
22
25
31
32
33
See Fig.8-1
Key No.56

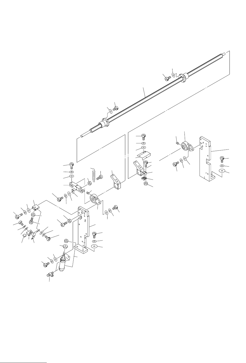
MODEL TCM-3700-2
0109-001
171
Key No. PART No. PART NAME Q’ty REMARKS
NOTE
8-4
1 630 064 2131 PLATE 4 739H--01B-033
1 -1 630 059 2412 BRACKET(PHOTO R) 2 739H--01B-016
1 -2 630 059 2405 BRACKET(PHOTO L) 1 739H--01B-039
1 -3 630 058 8804 BRACKET(PHOTO L) 1 739H--01B-040
2 630 060 6973 SENSOR,PHOTO 4 PHS123, PHS59, PHS121, PHS113
739H--01H-026
3 -1 411 119 1909 WASHER V 3X7X0.5 16 FW3 F
3 -2 411 086 4408 WASHER SPR 3 16 SW3 F
3 -3 411 162 1604 SCR PAN 3X20 8 M3X20 PAN
3 -4 411 054 6809 NUT HEX 3 8 M3 F
6 411 141 4008 WASHER V 4X9X0.8 8 FW4
7 411 141 2905 WASHER SPR 4 8 SW4
8 630 000 7619 BOLT,HEX-SCT 8 M4X8
9 -1 411 141 4008 WASHER V 4X9X0.8 8 FW4
9 -2 411 141 2905 WASHER SPR 4 8 SW4
9 -3 630 000 7657 BOLT,HEX-SCT 8 M4X16
11 630 077 4818 LEVER 1 739H--01B-015
12 630 001 0220 WASHER 1 739H--01H-027
13 630 000 7763 BOLT,HEX-SCT 1 M5X16
14 630 069 2938 NUT 1 739H--01B-063
15 411 054 6809 NUT HEX 3 1 M3 F
16 411 040 6202 SCR PAN 3X10 1 M3X10 PAN
17 411 054 8506 NUT HEX 4 1 M4 F
18 411 162 1505 SCR PAN 4X20 1 M4X20 PAN
19 630 001 8103 SPRING,TENSION 1 739H--01H-028
21 630 067 2596 BRACKET(CYL) 1 739H--01B-026
22 630 060 6980 ROTARY ACTUATOR 1 SV106 739H--01H-034
23 630 058 8712 LEVER 1 739H--01B-027
24 630 048 5448 LEVER 1 739H--01B-028
25 411 141 4008 WASHER V 4X9X0.8 2 FW4
26 411 141 2905 WASHER SPR 4 2 SW4
27 630 000 7626 BOLT,HEX-SCT 2 M4X10
28 411 141 4008 WASHER V 4X9X0.8 1 FW4
29 411 141 2905 WASHER SPR 4 1 SW4
30 630 000 7664 BOLT,HEX-SCT 1 M4X20
31 411 141 4008 WASHER V 4X9X0.8 2 FW4
32 411 141 2905 WASHER SPR 4 2 SW4
33 630 000 7626 BOLT,HEX-SCT 2 M4X10
34 411 141 4107 WASHER V 5X10X1 2 FW5
35 411 141 6705 WASHER SPR 5 2 SW5
36 630 000 7749 BOLT,HEX-SCT 2 M5X10

MODEL TCM-3700-2
0109-001
172
࠻ࡦࠬࡈࠔㇱ TRANSFER SECTION
Fig. 9-1 ࠬࡊࠗࡦゲ Spline Shaft
1
12
13
14
16
17
18
19
29
20
21
22
23
24
25
26
27
28
31
30
32
33
34
35
36
37
38
39
40
41
42
43
44
45
46
47
48
49
50
51
52
53
3
4
5
13
14
15
15
19
18
17
16
2
3
4
5
6
6-1
81
83
82
7
8
9
10