SM421_TRM(Ver9.6_CS14.24)_66DC7.pdf - 第6页
Page 139 S M4 2 1 VM E IO Board Interface

Page
138
SM421
SM421S Wiring Diagram(OPTION)

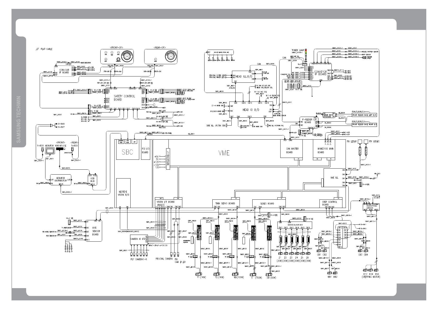
Page
139
SM421
VME IO Board Interface

Page
140
SM421
VME IO Board Interface
NO. PART NO. PART NAME Q'TY Old No. Stock Apply Reference
1 AM03-003704A VME_IO_BD_POWER_CABLE_ASSY 1
2 AM03-003910A CABLE ASSY-FIX ILL IF 1
3 AM03-003617A CABLE ASSY-BD_PW_SC_J4 1
4 AM03-003561A CABLE ASSY-FIX_ILL_IF_EXT 1
5 AM03-003562A CABLE ASSY-HD_VAC_BLOW_CONT 1
6 AM03-003563A CABLE ASSY-HD_VAC-BLOW_CONT_EXT 1
7 J90831427C AXIS_VME_IF_CABLE_ASSY 1