NPM-D3 parts list.pdf.pdf - 第255页
Ref No. Remarks R 1 Q'ty 10-G 下受けピン自動交換ユニット:NPM-D2 Support Pin Automatic Change Unit:NPM -D2 イラスト No. Part No. 品 名 品 番 数量 R 2 パーツリスト Kit No. キット品番 Kit Name キット名称 N610153808AA Part Nam e 備 考 セク ション No . PARTS LIST Se…

10-G
下受けピン自動交換ユニット:NPM-D2
Support Pin Automatic Change Unit:NPM-D2
パーツレイアウト
Kit No.
キット品番
Kit Name
キット名称
N610153808AA
セクションNo.
PARTS LAYOUT
Section No.
--
O59
( KN610153808AA-03A-7 )

Ref
No.
Remarks R
1
Q'ty
10-G
下受けピン自動交換ユニット:NPM-D2
Support Pin Automatic Change Unit:NPM-D2
イラスト
No.
Part No.
品 名品 番 数量
R
2
パーツリスト
Kit No.
キット品番
Kit Name
キット名称
N610153808AA
Part Name
備 考
セクションNo.
PARTS LIST
Section No.
R
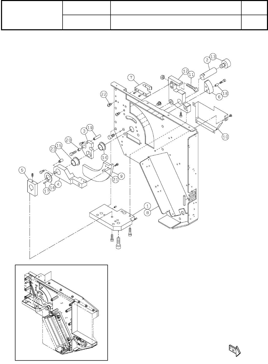
3
Support Pin Automatic Change
1
1 N610145493AA
PLATE
4
2 N210170479AB
STOPPER
4
3 N210170480AB
SPACER
8
4 N510050257AA CF-405ZE
BOLT
8
5 N510067828AA Ultra Low Head Cap Screw M4X16-A2-50
O60
--
( KN610153808AA-03A-7 )

11-A
交換台車駆動部(前側):NPM-D3
Feeder cart drive unit(front side):NPM-D3
パーツレイアウト
Kit No.
キット品番
Kit Name
キット名称
N610160989AA
セクションNo.
PARTS LAYOUT
Section No.
--
O61
( KN610160989AA-05-1 )