P-0241-011.pdf - 第27页
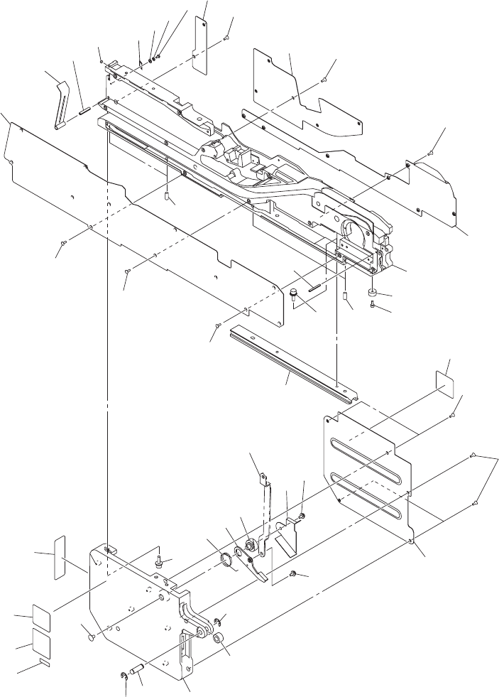
1012-008 25 Key No. P AR T No. P AR T NAME Q’ty REMARKS New Code NOTE G-1 1 6301274683 FRAME 1 804G--1 10-001 210B3673 2 6301526775 BLOCK(KIBAN) 1 804G--1 10-002 21 1G5053 3 6301274706 COVER(LA) 1 804G--1 10-003 21 1A872…

0409-003
24
テープフィーダ
TAPE FEEDER
GT-12160 GT-12160
Fig. G-1
フレーム部
Frame Section
29
27
1
20
20
28
25
43
41
33
5
28
28
4
3
42
40
30
.
.
14
10
1
1
26
19
37
12
8
28
28
9
28
28
28
See Fig.G-5
Key No.405
42
30
.
40
.
23
6
24
2
13
37
32
46
46
47
74
26
69
70
68

1012-008
25
Key No. PART No. PART NAME Q’ty REMARKS New Code
NOTE
G-1
1 6301274683 FRAME 1 804G--110-001 210B3673
2 6301526775 BLOCK(KIBAN) 1
804G--110-002 211G5053
3 6301274706 COVER(LA) 1
804G--110-003 211A8721
4 6301274737 COVER(LB) 1
804G--110-004 211A8722
5 6301274775 COVER(LC) 1
804G--110-005 211A8723
6 6301274799 COVER(R) 1
804G--110-006 211A8724
8 6301468976 COVER(KIBAN) 1
804G--110-008 211AA873
9 6301366463 SLIDE(BASE) 1
804G--110-009 212C0385
10 6301266084 ASSY,LEVER(KAIJYO) 1
804G--110-010 016S0689
11 6301265827 PIN,HINGE 1
804G--110-011 216D0448
12 6301265834 ROLLER 1
804G--110-012 213C0206
13 6301265841 PIN,GUIDE(ROLLER) 1
804G--110-013 216F0879
14 6301646121 SPRING,TORSION 1
804G--110-0141 222P0207
19 6301274867 COVER(HAISEN) 1
804G--110-019 211A8726
20 6301265926 PIN,LOCATE(TAPE) 4
804G--110-020 216E1484
23 6301274874 COVER(FUTA) 1
804G--110-023 211A8727
24 6301287577 MECH PARTS(MAGNET) 2
804G--110-024 226J1958
25 6301265902 MECH PARTS(CUTTER) 1
804G--110-025 226J1909
26 6301274546 SCR PAN+SW+W 3X6 2
804G--110-026 221D0262
27 6300347906 MECH PARTS(RUBBER LEGS) 1 804G--110-027 226J0249
28 4110335700 SCR FLT 2.5X6 30
804G--110-028 221D0261
29 6300008494 BOLT,HEX-SCT 1
804G--110-029 221A0104
30 6300007633 BOLT,HEX-SCT 4
804G--110-030 221A0018
32 4111407208 SCR FLT 4X6 1
804G--110-032 221D0224
33 4111255403 SCR PAN 2X4 1
804G--110-033 221E0482
37 4110010003 RING E 4 2
804G--110-037 221K0097
40 4111412905 WASHER SPR 4 4
804G--110-040 221H0284
41 4111412509 WASHER SPR 2 1
804G--110-041 221H0276
42 4111414008 WASHER V 4X9X0.8 4
804G--110-042 221H0315
43 4111413605 WASHER V 2X5X0.3 1
804G--110-043 221H0307
46 0804000G NAME PLATE,NOTICE 2
804G--110-046 0804000G
47 0804000F NAME PLATE,INDEX 1
804G--110-047 0804000F
68 0804000M MECH PARTS 1
804G--110-068 0804000M
69 6301330280 SPRING PIN 1
804G--110-069 221J0061
70 6301259970 SPRING PIN 1
804G--110-070 221J0059
74 08040000 NAME PLATE,INDEX 1
804G--110-074 08040000
GT-12160

0710-003
26
テープフィーダ
TAPE FEEDER
GT-12160 GT-12160
Fig. G-2
テープ駆動部
Tape Driving Section
.
129
.
124
101-07
101-07
101-03
103
125
107
126
130
122
123
See Fig.G-1
Key No.1
127
129
130
106
101-06
121
139
104
101