文档中心
/
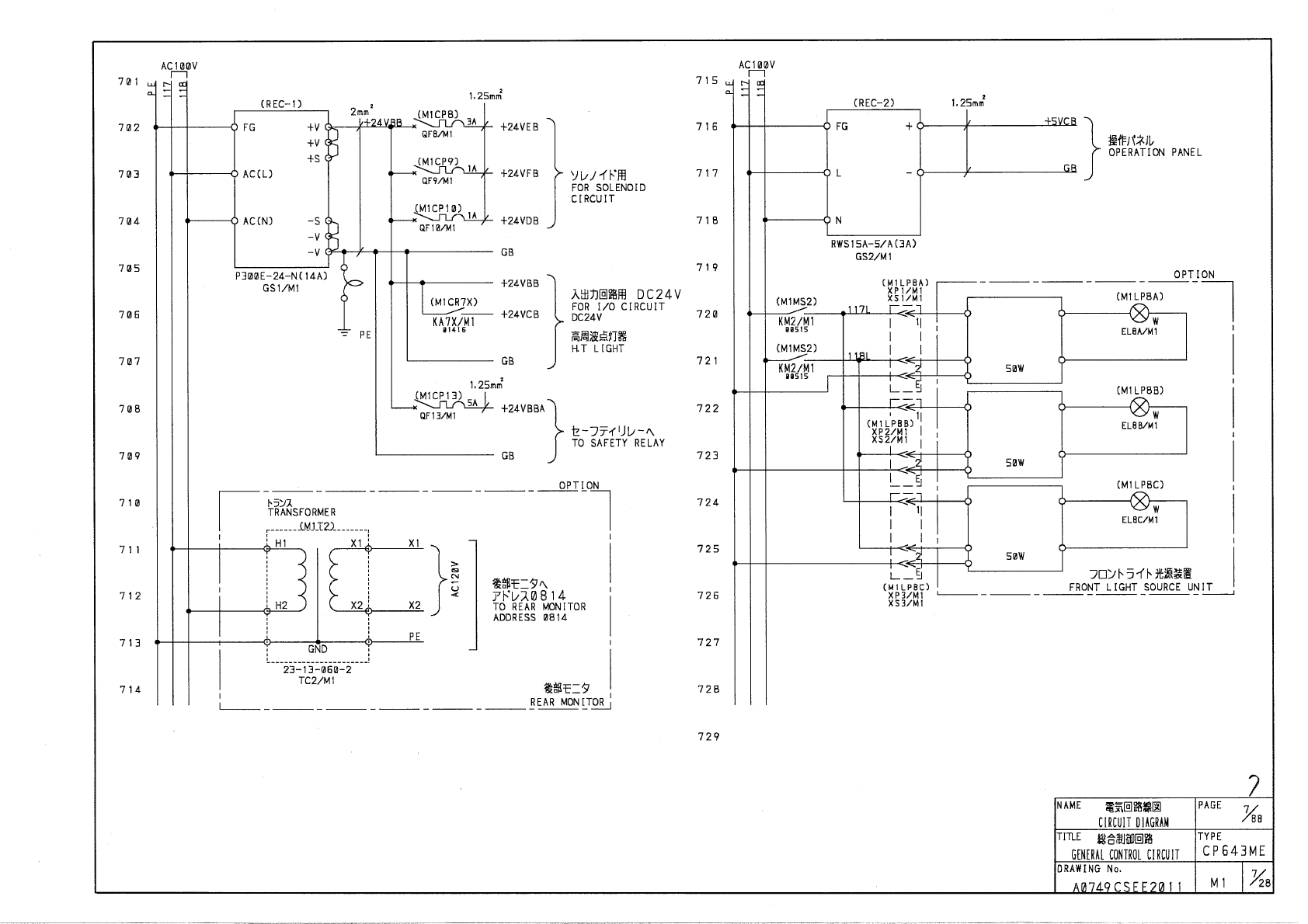
CP643ME电路图 (6-25).pdf
CP643ME电路图 (6-25).pdf - 第11页
在线预览 CP643ME电路图 (6-25).pdf PDF 文档。
目录
100%
显示:宽度
宽度
1 / 223
回到旧版
旧版
?
该页面需要启用 JavaScript 才能进行交互式预览。