YS24(DS)_KKE_e.pdf
YS24(DS) YS24(DS) KKE-000-1010 (CWD) Contr ol Wiring Diagram

YS24(DS)
YS24(DS)
KKE-000-1010 (CWD)
Control Wiring Diagram
YS24(DS)
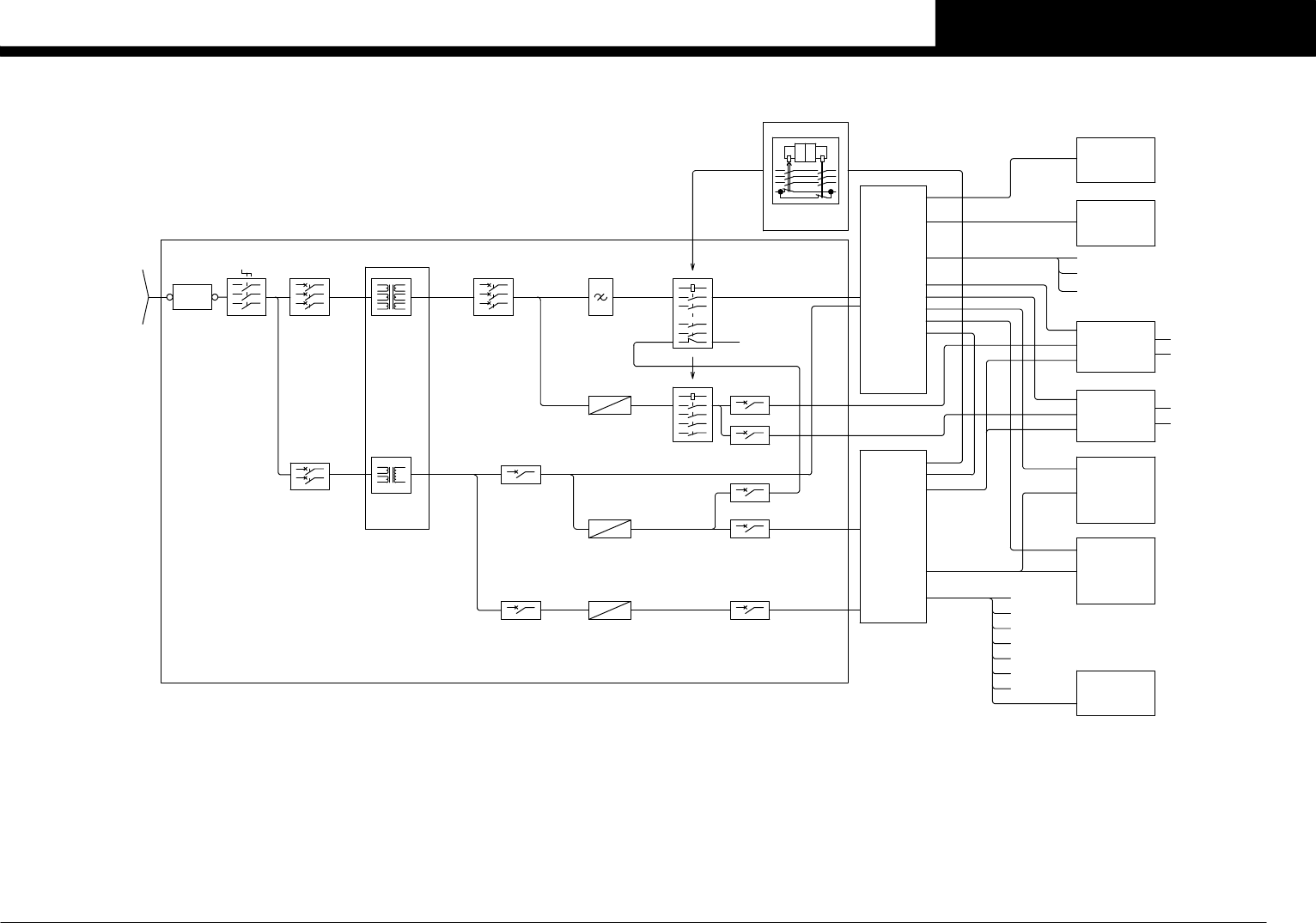
Over view
Control box
I/O conveyor -1-
I/O conveyor -2-
I/O conveyor -3-
I/O conveyor -4-
Head A
Head B
Multi Camera unit sel.(option)
Operation panel sel.
FIX60 feeder structure
FIX24 feeder structure
FES24 feeder structure
Ionizer assy (option)
Power transformer
Power circuit
Emergency circuit
Air circuit FES24 1/2
Air circuit FES24 2/2
Air circuit FIX60X2 1/2
Air circuit FIX60X2 2/2
Air circuit FIX24X4 1/2
Air circuit FIX24X4 2/2
Wiring parts list
Table of contents
Confi dential & Proprietary
P. 1
P. 2
P. 3
P. 4
P. 5
P. 6
P. 7
P. 8
P. 9
P.10
P.11
P.12
P.13
P.14
P.15
P.16
P.17
P.18
P.19
P.20
P.21
P.22
P.23
P.24

Confidential & Proprietary
PAGE
OUTPUT:
DRIVER
MOTOR:3∼ 230V
2:3.36KW(TOTAL)
1:3.36KW(TOTAL)
AC50/60Hz 14.6A(MAX)
STANDARD
AC50/60Hz 4.0A(MAX)
CN43-CN51…Page 6
CN21-CN41…Page 5
CN1-CN14 …Page 3
CN17-CN20…Page 4
COMU
COMU
COMU
COMU
COMU
DC24V2
COMU
See Page 8
I/O HEAD B
DC48V
DC24V
COMU
I/O HEAD A
See Page 7
DC48V
DC24V
COMU
DC24V
COMU
See Page 3-6
DC24V21∼ AC100V
1∼ AC100V
DC24V
KM10
CH1CH2K2 K1
CONTROL BOX
See Page 2
1∼ AC100V
CONTROL:1∼ 100V
INPUT:
DRIVER
CONVEYOR MOTOR
DC24V
DC48V
QF31 10A
Circuit
Protector
1∼ AC100V2∼
3∼3∼
380/400/416V
200/208/220/240
3∼ 50/60Hz
POWER CIRCUIT
DC24V2
DC24V
DC24V
DC48V
DC48V
See Page 9
OPERATION PANEL SEL.
See Page 10
IONIZER ASSY(OPTION)
FAN
VALVE
SENSOR
CONVEYOR MOTOR 30W
SIGNAL TOWER
COVER S/W
EMG S/W
(OPTION)
BARCODE READER
USB MEMORY
Each Motors
HEAD SENSOR,VALVE
Z,R SERVO MOTOR
HEAD SENSOR,VALVE
Z,R SERVO MOTOR
QF51 5A
QF52 5A
QF43 3A
QF41 15A
QF42 20A
Power Supply
GS22 1000W 21A
Power Supply
GS31 600W 12.5A
Power Supply
GS21 600W 27A
NF11
Filter
Noise
Contactor
KM11/KM11A
KM12/KM12A
Contactor
Transformer
Transformer
TM11 5.18KVA
TC11 1.75KVA
Main Breaker
QF12 15A
QF11 20A
Main Breaker
Main Switch
QS11 40A
XB11
Terminal
Safety Relay
I/O CONVEYOR BOARD
EMERGENCY CIRCUIT
TERMINAL
POWER TRANSFORMER
DC24V
Rating 8.8KVA MAX.
See Page 16
See Page 15
See Page 17
See Page 14
DC24V2
COMU
DC24V2
R.FEEDER
See Page 11
FES24
See Page 12
See Page 13
See Page 11
FES24
See Page 12
See Page 13
F.FEEDER
MULTI CAMERA UNIT(OPTION)
3∼ 200V 0-375Hz
3:1.30KW(TOTAL)
4:1.66KW(TOTAL)
FIX60
FIX24
FIX24
FIX60
3∼ AC230V3∼ AC230V3∼ AC230V
1∼ AC230V
3∼ AC230V 3∼ AC230V
QF22 5A
QF21 10A
CC.V4
1
OVER VIEW
YS24(DS)