文档中心
/
EJM5B-E-WDBA-0001-A4.pdf
EJM5B-E-WDBA-0001-A4.pdf - 第59页
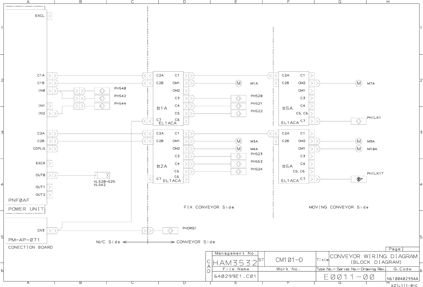
1. LOAD WIRING DIAGRAM 1-3 CONVEYOR WIRING EJM5B-E-WDB0A-A00-00
目录
100%
显示:宽度
宽度
1 / 202
回到旧版
旧版
?
1. LOAD WIRING DIAGRAM
1-3 CONVEYOR WIRING
EJM5B-E-WDB0A-A00-00
该页面需要启用 JavaScript 才能进行交互式预览。