Tape feeder module 56mm X FS07_20211118_074515.pdf - 第4页
Tape feeder module 56mm X FS07 Page 4 / 13 18.11.2021

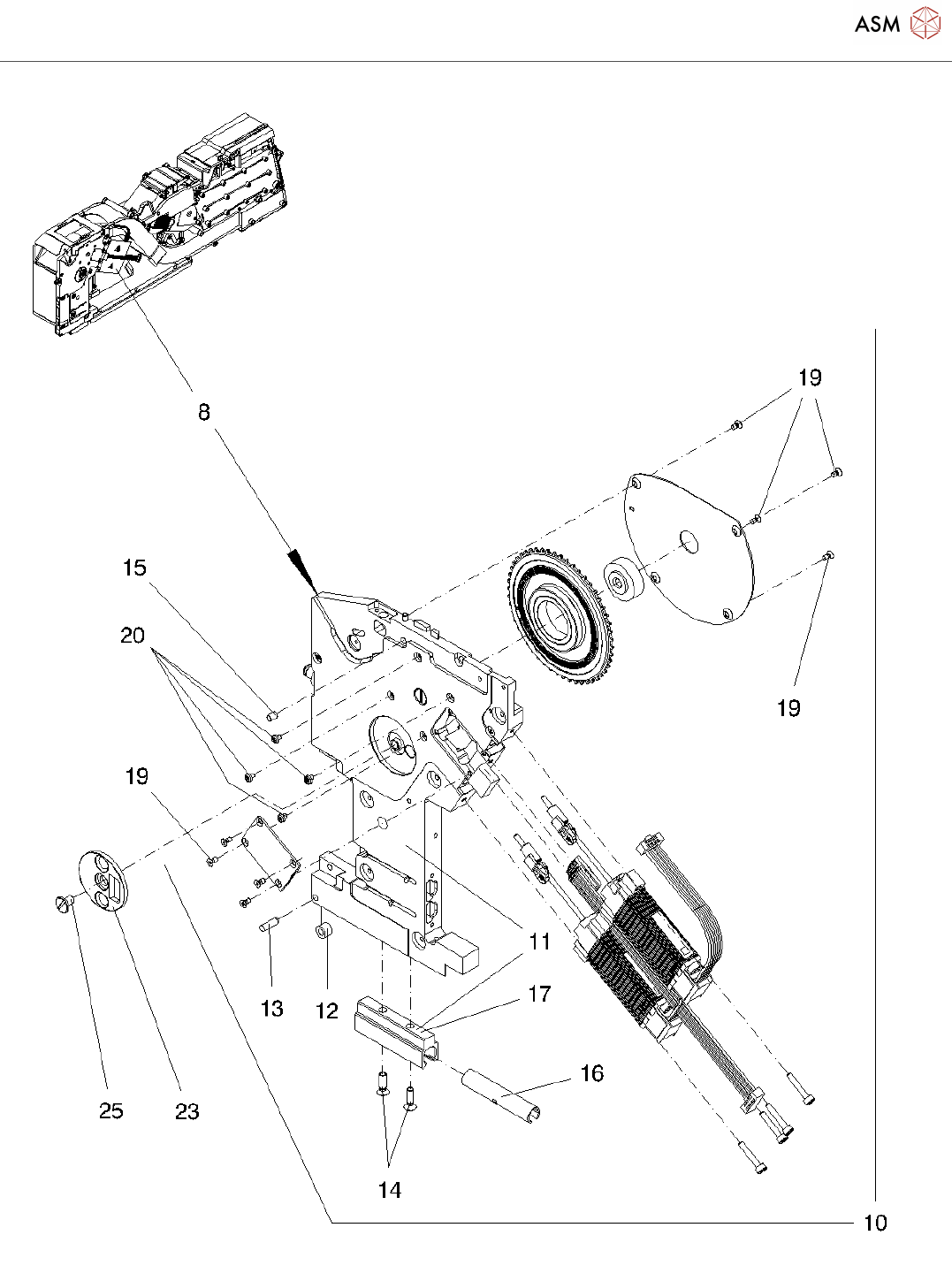
Tape feeder module 56mm X FS07
Page 3 / 13 18.11.2021

Tape feeder module 56mm X FS07
Page 4 / 13 18.11.2021

Tape feeder module 56mm X FS07
Page 5 / 13 18.11.2021