文档中心
/
EJP1AEWD1_1.pdf
EJP1AEWD1_1.pdf - 第9页
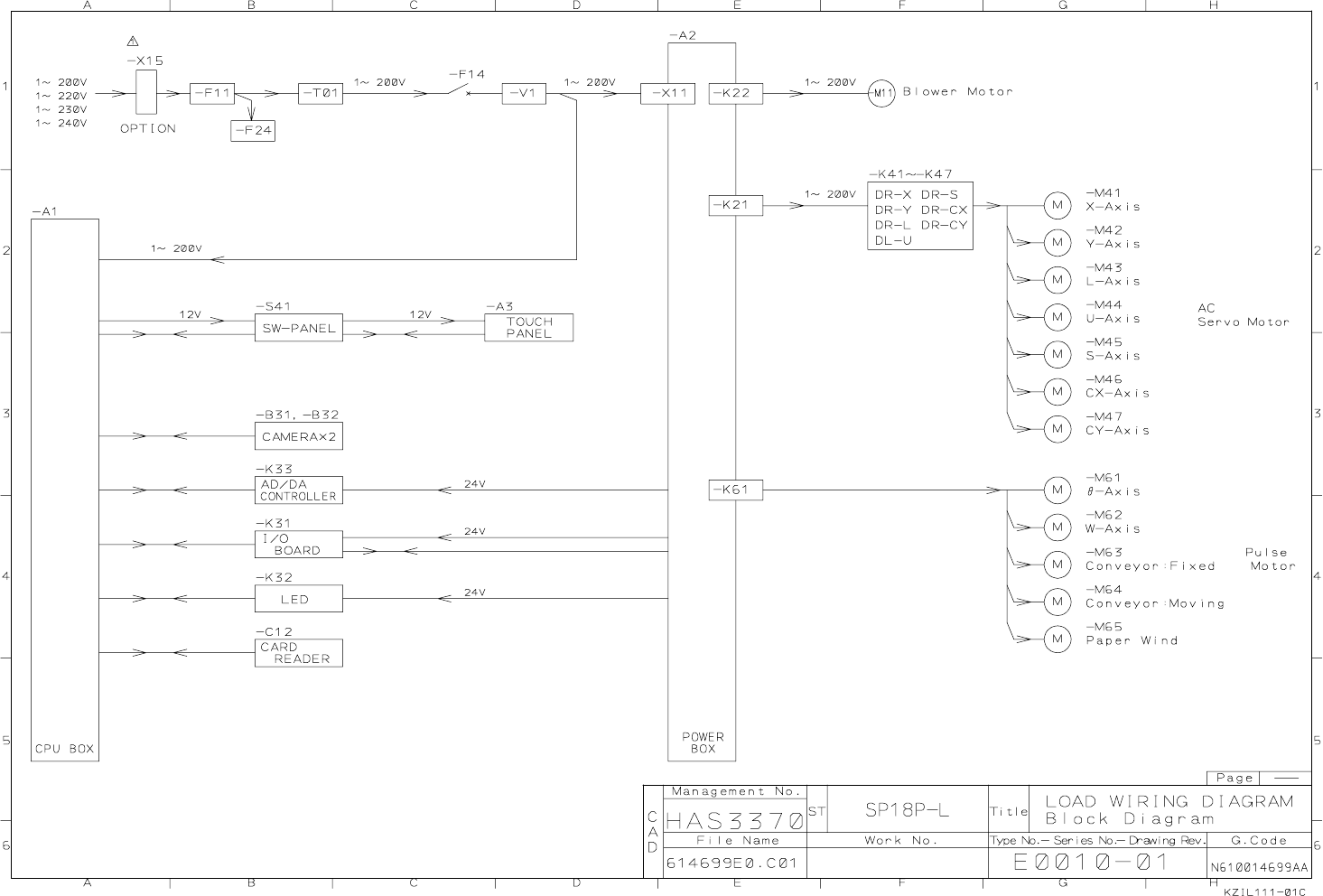
2. LOAD WIRING DIAGRAM EJP1A- E-W DA0A- A00-00
目录
100%
显示:宽度
宽度
1 / 44
回到旧版
旧版
?
1.
= MEMO
=
EJP1A-
E-W
DA0A-
A01-00
2. LOAD WIRING DIAGRAM
EJP1A-
E-W
DA0A-
A00-00
该页面需要启用 JavaScript 才能进行交互式预览。