文档中心
/
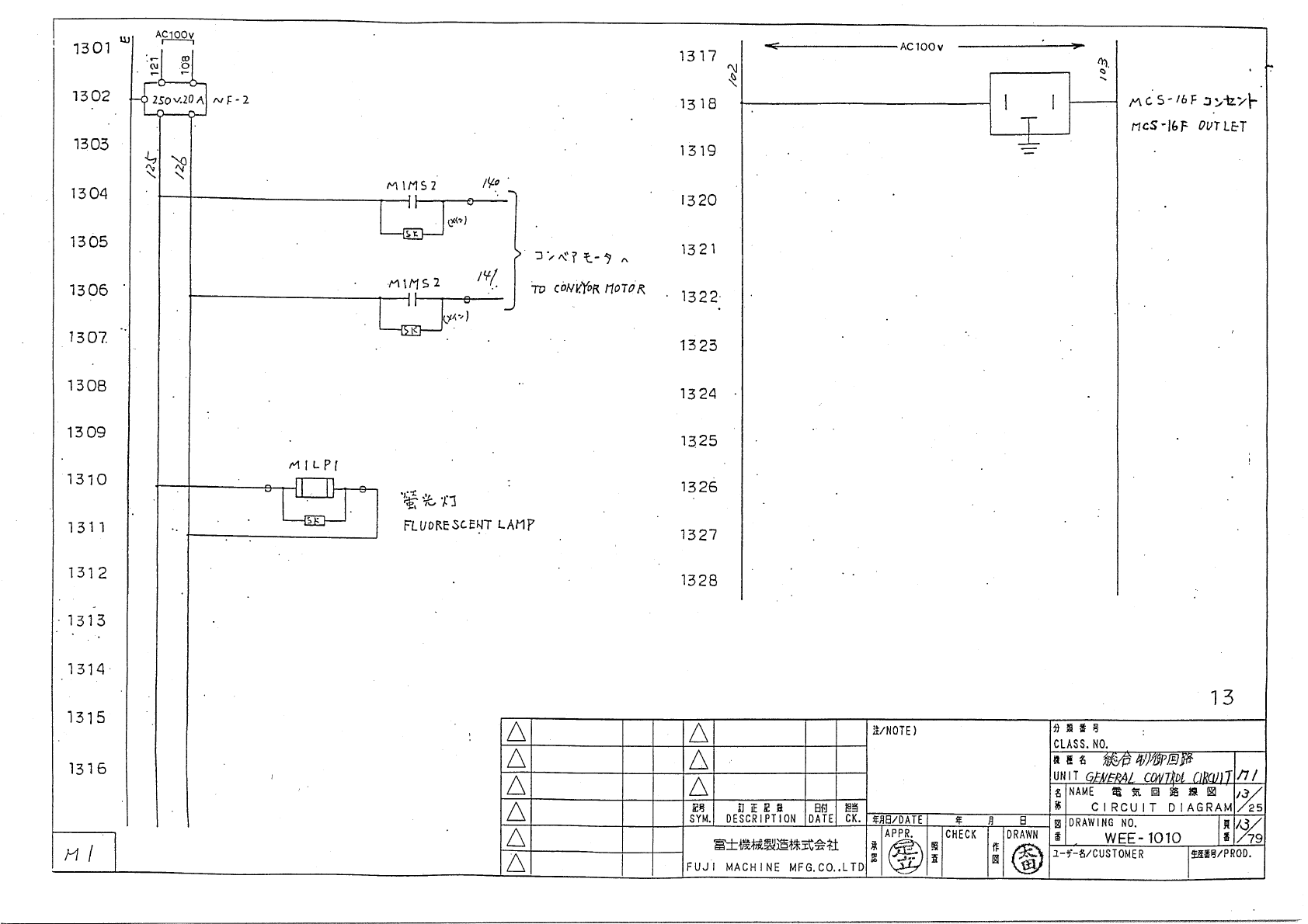
CP6 electrical diagram.pdf
CP6 electrical diagram.pdf - 第14页
在线预览 CP6 electrical diagram.pdf PDF 文档。
目录
100%
显示:宽度
宽度
1 / 153
回到旧版
旧版
?
该页面需要启用 JavaScript 才能进行交互式预览。