SM320 Technical Reference.pdf - 第15页
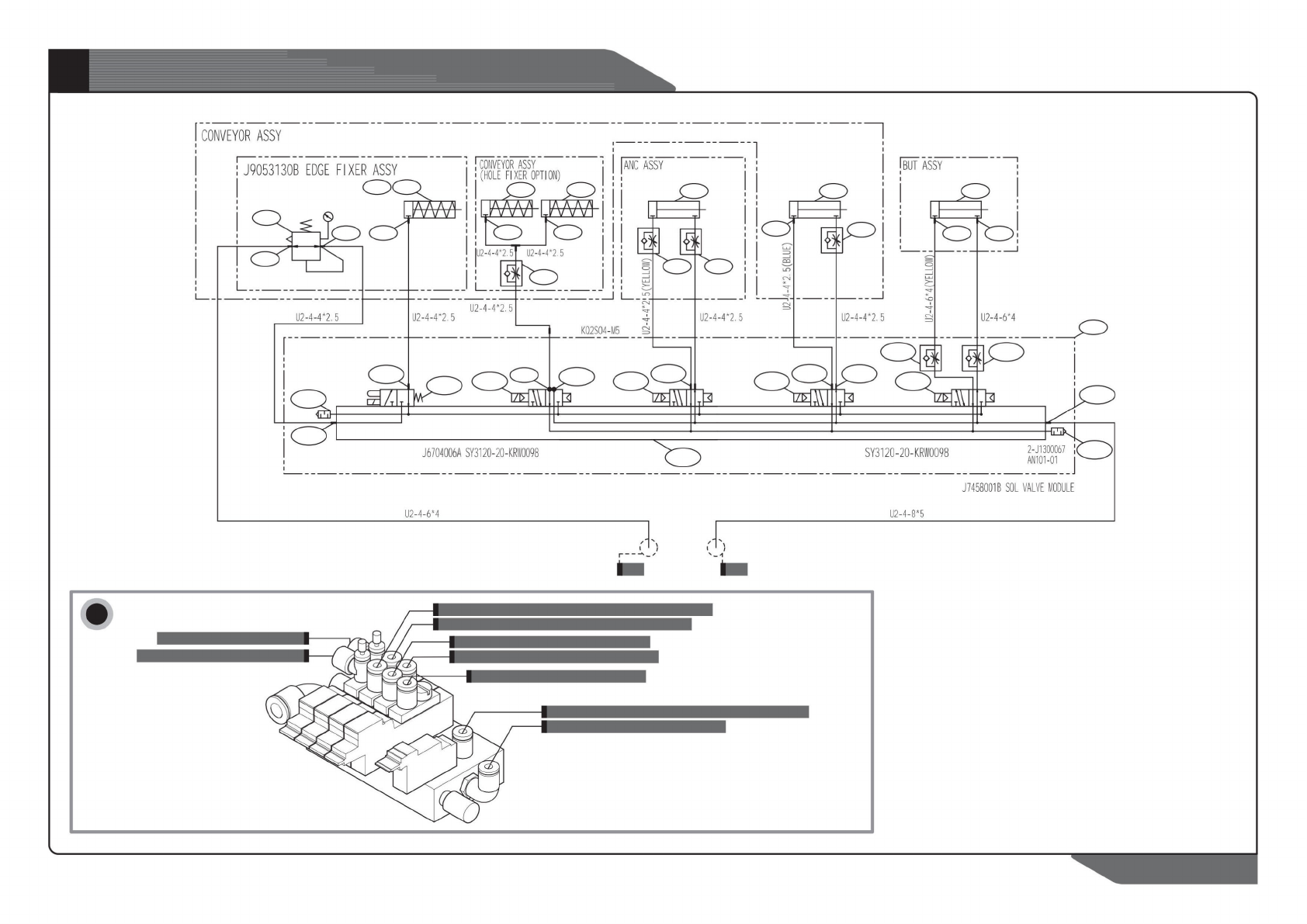
A irAss'y(C) 15 Pag e SAM SUNGTECHWIN NO. LEVEL PART NO. PART NAME Q'TY TYPE Old No. Stock Reference part Lisf) ' NAME 1 J7458001B SOL VALVE MODULE 1 J7458001B 1-A J6704006A MANI I FOLD BLOCK 1 SY31 20…

A
irAss'y(C)
14
Page
SAMSUNGTECHWIN
1
BUT Cylinder (Pull-Ready)
C1 C2
BUT Cylinder (Push-Operated)
Conveyor PCB Stopper Cylinder (Push-Operated)
Conveyor PCB Stopper Cylinder (Pull-Ready)
ANC Shutter Cylinder (Push-Open)
ANC Shutter Cylinder (Push-Closed)
Conveyor Hole Fixer (No Use)
Conveyor Edge Fixer Cylinder (Push-Operated)
Conveyor Edge Fixer Regulator
2
4
3
7 8
1 -I
1 -E
1 -E
1 -C
4
51 3
9 9
6
1 1
1 0 1 0
1 3
1 2
4
1 3
1 3 1 3
1
1 -D
1 -B1 -B1 -B1 -B
1 -F 1 -F
1 -F
1 -A
1 -G
1 6
1 -H
1 -F
1 -C
U2-4-6*4
U2-442.5
U2-4-4*2.
5
U2-4-4*2.5
U2-4-4*2.5
CONVEYOR
ASSY
J2-4-4*2.5
L
J9053130B
EDGE
FIXER
ASSY
O
CONVEYOR
ASSY
(HOLE
FIXER
OPTION)
SY3120-20-KRW0098
J7458001B
SOL
VALVE
MODULE
U2-4-8*5
2-
JI
300067
AN101-01
J6704006A
SY3120-20-KRW0098
U2-4-6*4
J

A
irAss'y(C)
15
Page
SAMSUNGTECHWIN
NO. LEVEL PART NO. PART NAME Q'TY TYPE Old No. Stock Reference
part
Lisf)
'
NAME
1
J7458001B
SOL
VALVE
MODULE
1
J7458001B
1-A
J6704006A
MANI
I
FOLD
BLOCK
1
SY31
20-20-
KRW0098
1-B
J6702036A
SOL
VALVE
4
SY3120-5LZ-M5
1-C
JI
300067
SILENCER
2
AN101-01
1-D
J6711157A
FITTING
1
KQ2L08-01S
1-E
J6703038A
SPEED
CON
2
AS1211F-M5-06
1-F
J
1300279
FITTING
6
KQ2S04-M5
1-G
J6712015A
PLUG
FITTING
1
M-5P
1-H
J6702035A
SOL
VALVE
1
VQ110U-5M
l-l
J1301188
ELBOW
FITTING
1
KQ2L04-M5
2
J1
300277
FITTING
1
KQ2L06-M5/PL6-M5M
3
J6709018A
REGULATOR
1
AR10-M5BG
4
J1
3011
88
FITTING
2
KQ2L04-M5/PL4-M5M/SQL04-M5
5
J6701037B
EDGE
CYLI
NDER
1
CQ2B12-KRC0137-2D
6
J
1300620
SPEED
CONTROLLER
1
AS2001F-04
7
J6711133A
UNION
Y
FITTING
1
KJU04-99
8
J1301181
BOB
ELBOW
FITTING
2
M-5ALU-4
9
JI
301361
AIR
CYLINDER
2
CJPB6-10H4-B
10
J6703028A
SPEED
CONTROLLER
2
SS4-M5MA
11
J9080778B
ANC
SENSOR
CABLE
ASS'
Y
1
SM-CV010
12
J1
301
354
THROTTLE
VALVE
STRAIGHT
1
AS1201F-M5-04-X214/JNC4-M5
13
J6701018B
STOPPER
CYLINDER
1
1
WTS10*30-RS2
14
J1
301
189
ELBOW
FITTING
2
KQ2L06-02/PL6-02
15
J6701039A
AIR
CYLINDER
1
CA1B40*30
16
J
1301699
PLUG
1
KQ2P-06(0LD:
KQP04-X19)
17
18

A
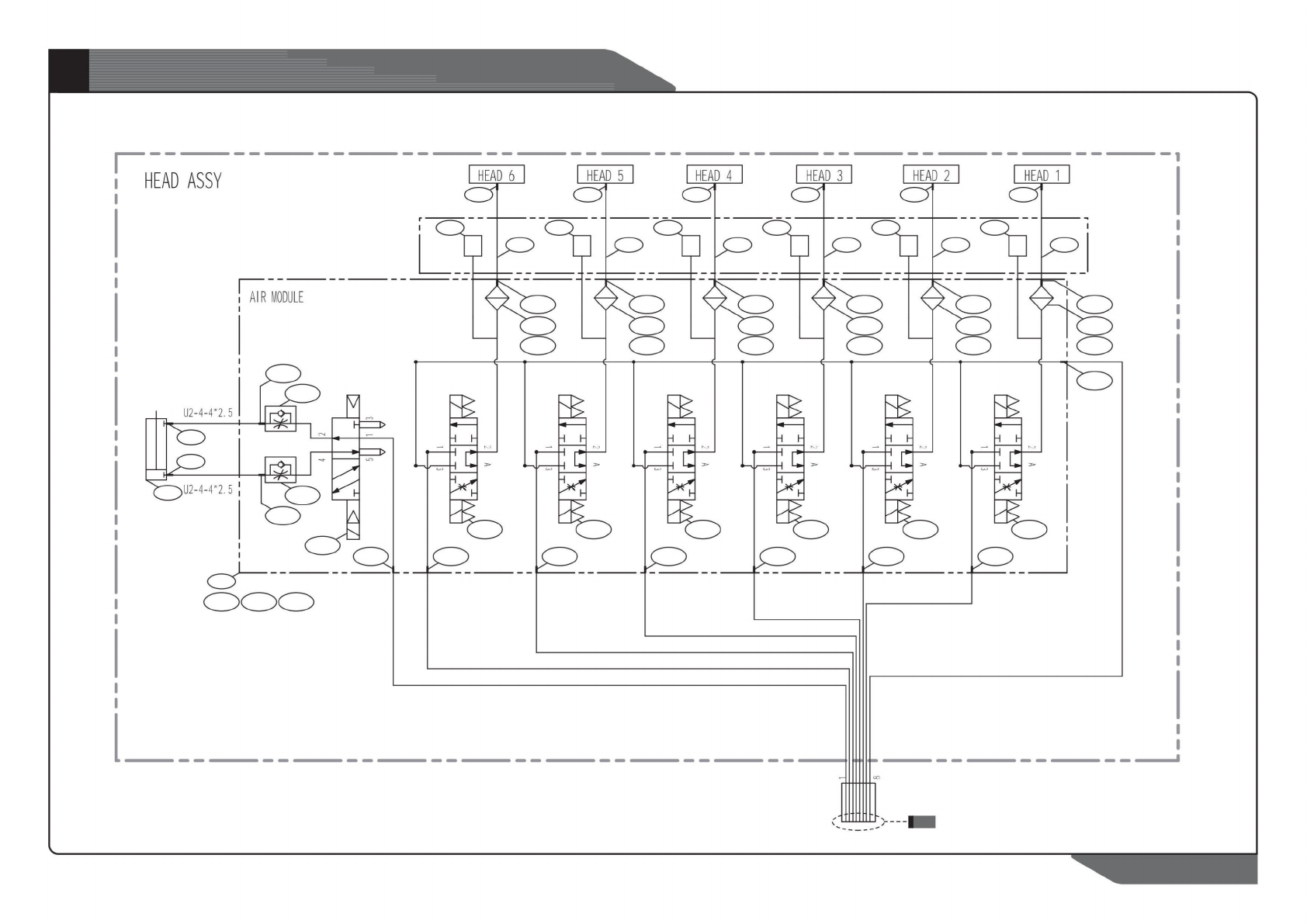
irAss'y(D)
16
Page
SAMSUNGTECHWIN
D
3
5
4
6
1 -D
1 -H
1 -B
1 -A
3 33 33
44 4 44
2 222 22
7
1
1 -J 1 -K 1 -L
1 -H
1 -I
1 -I
1 -C 1 -C1 -C1 -C1 -C1 -C
1 -B 1 -B1 -B1 -B1 -B 1 -B
1 -G
1 -E
1 -F
1 -G
1 -E
1 -F
1 -G
1 -E
1 -F
1 -G
1 -E
1 -F
1 -G
1 -E
1 -F
1 -G
1 -E
1 -F
-[
HEAD
ASSY
日
卜
U2-4-4*2.
5
1>
堂
U2-4-4*2.
5
OOO
A
Fair
module
O
LO
|
邺
D
1
|
CT
I
HEA0
2
|
CT
I
HEAp
6
|
CT
I
HEQD
3
|
O
I
HEAJ)
5
|
O
I
HEAD
4
|
o