SM482PLUS_TRM(Ver2.7_CS21.02).pdf - 第32页
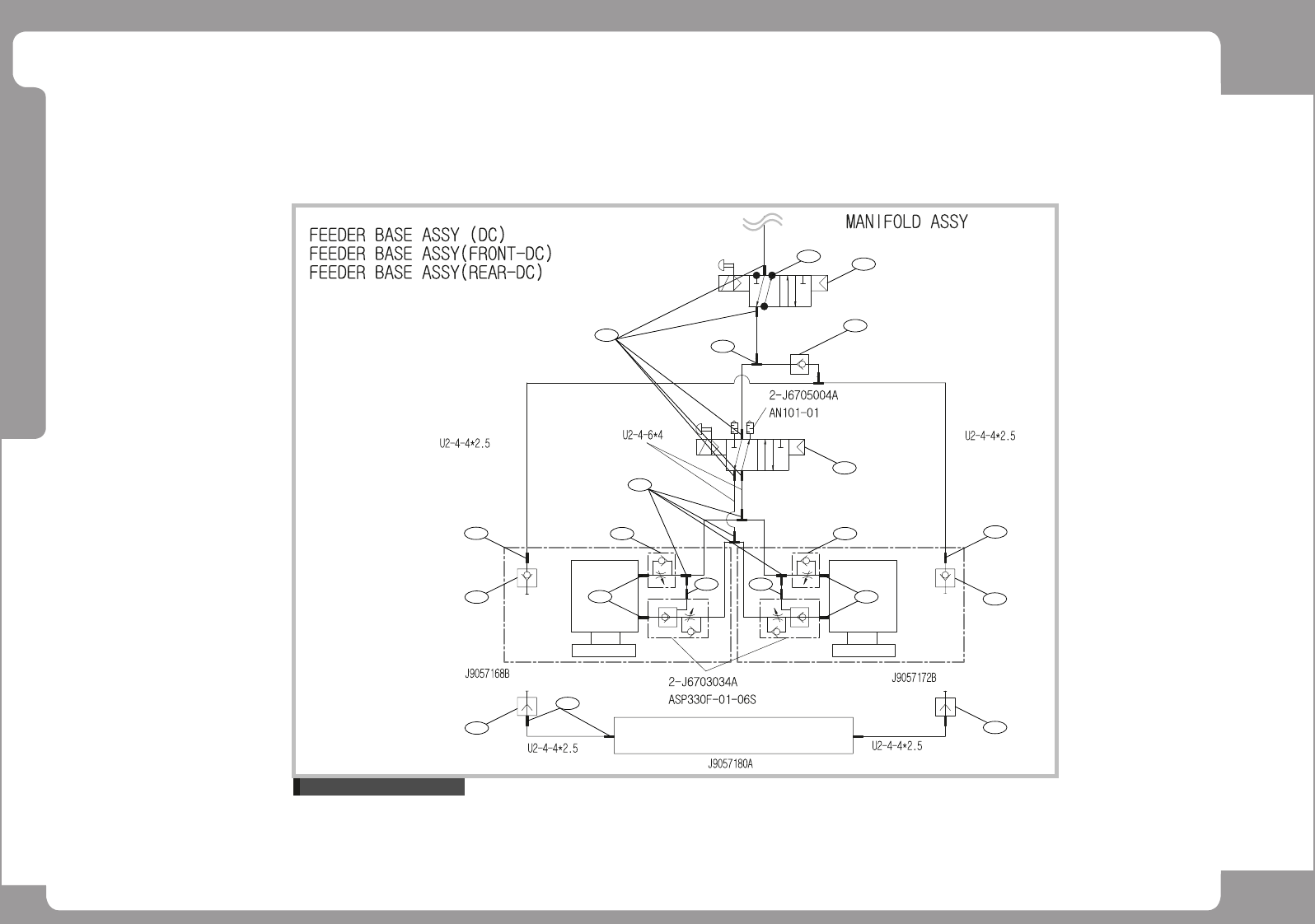
Page +$1:+$ 32 SM482 PLUS Docking Cart (5/6) Reference to Air Ass'y ڡۀۀڿۀۍٻڝڼێۀٻڃڟڞڄ 1 1 2 3 3 6 6 2 2 4 5 5 4 10 11 8 7 10 9 8

Page
+$1:+$
31
Docking Cart (4/6)
SM482
PLUS
NO. PART NO. PART NAME Q'TY Old No. Reference
1 J91741071A FEEDER_INPUT_EXT_BOARD VER 1.1 1 Version 1.1
2 AM03-015857F ASSY,BOARD-FEEDER IO VER 2.0 1 AM03-015857E
AM03-000819E ASSY,BOARD-FEEDER IO VER 1.6 AM03-000819A / AM03-000819B/
AM03-000819C/ AM03-000819D/ AM03-000819E: ~#2292)
3 J91672425A FDR_UNLOCK_FRONT_CABLE_ASSY SM41_CV043 1
4 J91672426A FDR_UNLOCK_REAR_CABLE_ASSY 1

Page
+$1:+$
32
SM482
PLUS
Docking Cart (5/6)
Reference to Air Ass'y
ڡۀۀڿۀۍٻڝڼێۀٻڃڟڞڄ
1
1
2
3
3
6
6
2
2
4
5 5
4
10
11
8
7
10
9
8

Page
+$1:+$
33
Docking Cart (5/6)
SM482
PLUS
NO. PART NO. PART NAME Q'TY Old No. Applicable Equipment Reference
1 FC14-900724 PLUG 2
2 HP06-900027 FITTING 4
3 HP06-900299 COUPLER 1
4 HP14-900090 SPEED CON 1
5 HP06-900048 ELBOW FITTING 1
6 HP06-900293 ELBOW FITTING 2
7 FC14-900724 PLUG 3
8 J90831149B F_DOCKING_CART_SOL_CABLE_ASSY 1
9 HP14-900092 CHECK VALVE 1
10 HP06-900018 FITTING 5
11 HP06-900014 FITTING 5