文档中心
/
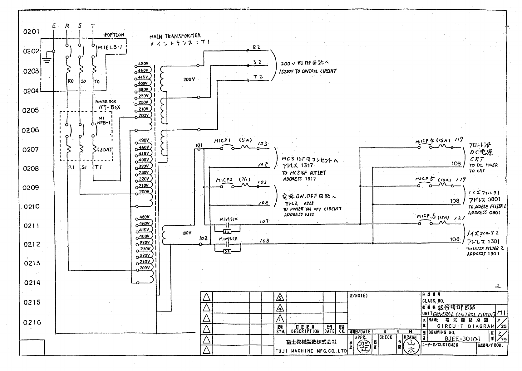
ABJEE3001.pdf
ABJEE3001.pdf - 第5页
在线预览 ABJEE3001.pdf PDF 文档。
目录
100%
显示:宽度
宽度
1 / 161
回到旧版
旧版
?
该页面需要启用 JavaScript 才能进行交互式预览。