Tape feeder module 72mm X FS06_20211118_074553.pdf - 第6页
Tape feeder module 72mm X FS06 Page 6 / 13 18.11.2021

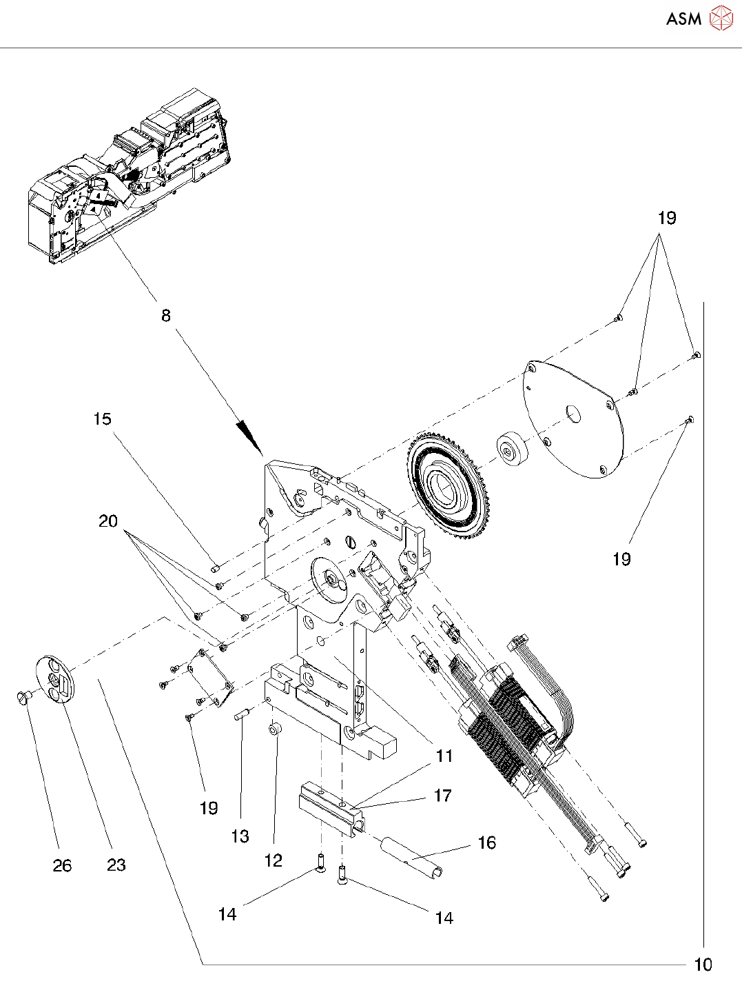
Tape feeder module 72mm X FS06
Page 5 / 13 18.11.2021

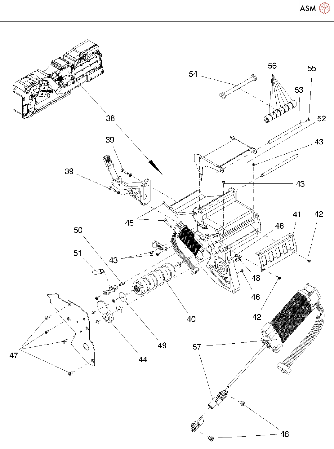
Tape feeder module 72mm X FS06
Page 6 / 13 18.11.2021

Tape feeder module 72mm X FS06
Page 7 / 13 18.11.2021