CM401-M.pdf - 第52页
19 下流延長 コ ン ベ ア ユ ニ ット ( マシン 左側 ) Downstream Extension Conveyor Unit(Left Side of Machine) パー ツレイ アウト Kit No. キ ット 品番 Kit Name キ ット 名称 N610004081AA セクション No . PARTS LAYOUT Section No. - - E37 ( KN610004081AA-02 )

Ref
No.
Remarks
R
1
Q'ty
18
一
括
交
換
台車段取ユニット
Change Cart Preparation Unit
イラスト
No.
Part No.
品 名品番 数量
R
2
パーツリスト
Kit N
o
.
キット品
番
Kit Name
キット名称
NMEJW1A
Part Name
備 考
セクションNo.
PARTS LIST
Section No.
R
3
SWITCH-PARTS
1
1 N510056834AA
S
F-05SUL2 LN DF
BREAKER
1
2 KXFP6DYAA00
S
NF50-SWU 2P 5A
TERMINAL-BLOCK
1
3 KXFP6F70A00
S
TM-UNIT-AC
CIRCUIT-PROTECTOR
1
4 KXFP02JAA00
S
NRF110-8A
NOISE-FILTER
1
5 KXFP6F67A00
S
SUP-EP5-ER-6
POWER
1
6 KXFP6GE3A00
S
ADA600F-24
SWITCH
1
7 KXFP5GEAA00 AR22PR-220B
SK
1
8 KXFP6DBAA01
S
R.A.V-781BWZ-4(DA KXFP6DBAA01)
PCB
1
9 KXFE000KA00
S
NF5ACA_PbF: Cart stand control board
AMP
1
10 KXFP6E5AA00 DRT1-232C2
POWER
1
11 KXFP61UAA00
S
P15E-12-N
CONVERTER
1
12 N510035988AA
S
Digi One IA 70002020
E36

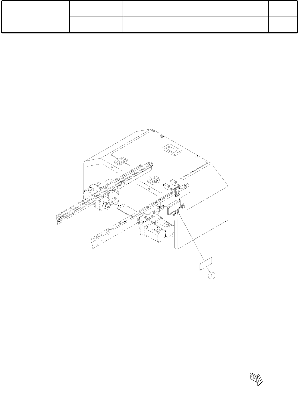
19
下流延長
コンベアユニット
(
マシン
左側
)
Downstream Extension Conveyor Unit(Left Side of Machine)
パーツレイアウト
Kit No.
キット
品番
Kit Name
キット
名称
N610004081AA
セクション
No
.
PARTS LAYOUT
Section No.
-
-
E37
( KN610004081AA-02 )

Ref
No.
Remarks
R
1
Q'ty
19
下流延長
コンベアユニット
(
マシン
左側
)
Downstream Extension Conveyor Unit(Left Side of Machine)
イラスト
No.
Part No.
品 名品番 数量
R
2
パーツリスト
Kit No.
キット
品番
Kit Name
キット名称
N610004081AA
Part Name
備 考
セクション
No
.
PARTS LIST
Section No.
R
3
PCB
1
1 KXFE000JA00
EL1ACA_PbF: Conveyor motor (RS485) connection board
E38
-
-
( KN610004081AA-02 )