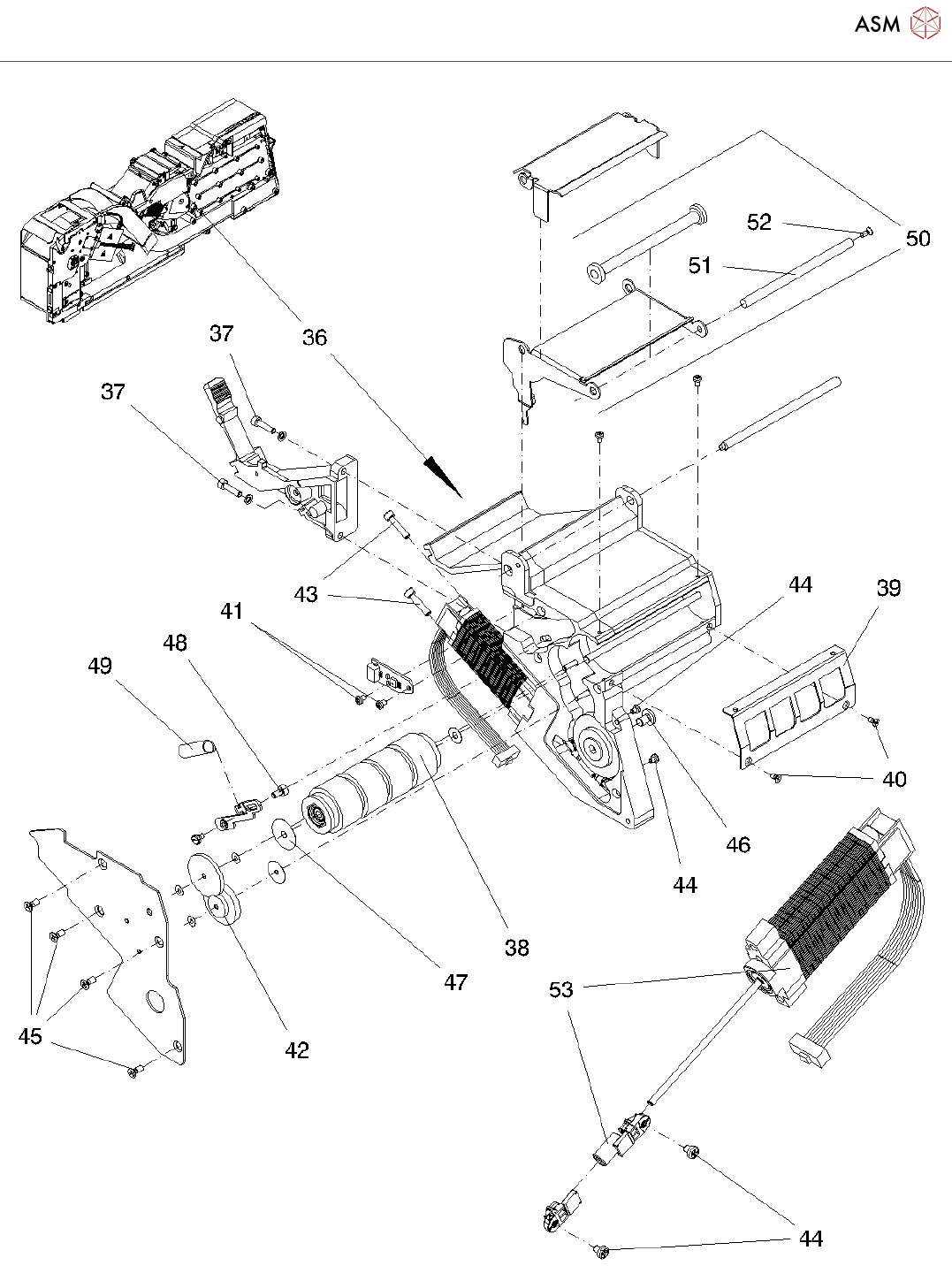
Tape feeder module 72mm X FS07_20211118_074704.pdf - 第8页
Tape feeder module 72mm X FS07 Page 8 / 13 18.11.2021

Tape feeder module 72mm X FS07
Page 7 / 13 18.11.2021

Tape feeder module 72mm X FS07
Page 8 / 13 18.11.2021

Tape feeder module 72mm X FS07
Page 9 / 13 18.11.2021