NXTIIIC partlist.pdf - 第61页
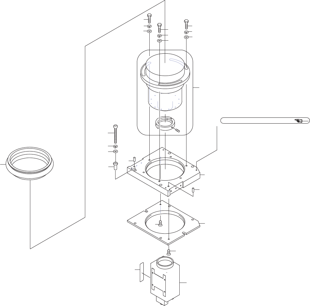
PARTS CAMERA (SIDE LIGHT TYPE) パーツカメラ (サイドライト仕様) UG00540 No. Dr g .No. & Code No. QTY Descri p tion Ratin g Materials Remarks 番号 図番 & コード番号 個数 品名 規 格材 質 備 考 1 H2093E 2 PIN, PARALLEL ピン 平行 φ 04X10 A種(m6) ステンレス OT…

A
A
Ref.PARTS CAMERA LIGHT(SIDE LIGHT)
1
6
10
12
11
1
12
14
7
8
9
15
2
5
4
3
13
5
4
3
5
4
3
ࣃ࣮ࢶ࣓࢝ࣛࢧࢻࣛࢺᵝ
3$576&$0(5$6,'(/,*+77<3(
UG00540
60
PTS-NXT3c-01JE

PARTS CAMERA (SIDE LIGHT TYPE)
パーツカメラ (サイドライト仕様)
UG00540
No. Dr
g
.No. & Code No. QTY Descri
p
tion Ratin
g
Materials Remarks
番号 図番 & コード番号 個数 品名
規
格材質 備考
1 H2093E 2 PIN, PARALLEL ピン 平行
φ
04X10 A種(m6) ステンレス OT
2 XR00241 1 LENS レン
ズ
OT
3 H5178A 3 BOLT, HEX ボルト 六角 M05X020(クロゾメ) FE
4 W1023A 3 WASHER, LOCK ワッシャ ス
プ
リン
グ
5M
/
MFE
5 W1044A 3 WASHER, FLAT ワッシャ 平 4W- 5 FE
6 PM60343 1 BKT BKT FE
7 H5295A 4 BOLT, HEX SOCKET ボルト 六角穴 M04X035 FE
8 W1022A 4 WASHER, LOCK ワッシャ ス
プ
リン
グ
4M
/
MFE
9 W1040S 4 WASHER, FLAT ワッシャ 平 4M
/
MX0.8X9(1W-4)(3カクロ) FE
10 PJ06591 4 BUSHING
ブ
シュ OT
11 PH00371 1 BKT BKT OT
12 K5357T 2 SCREW, HEX SOCKET COUNTERSUNK 小ネジ 六角穴皿 M03X008 FE
13 XK00796 1 CAMERA カメラ OT
14 PX04042 1 SEAL, BAR CODE シール バーコード OT unit serial number
15 PG04703 1 SEAL, RUBBER シール ゴム PL
61
PTS-NXT3c-01JE

㸨㹎㹊㹍㹄㸿ࠉ㸯㸰㸱㸲㸳㸴㸨
A
A
C
C
C
C
B
B
B
B
Ref.PARTS CAMERA(SIDE LIGHT)
12
15
14
13
7
6
21
20
20
22
20
20
22
22
22
15
15
15
16
22
15
45
46
8
18
17
17
7
6
8
7
6
8
58
59
3
3
53
54
55
11
10
48
2
52
5
31
31
32
33
32
33
47
47
47
47
23
5
5
UG00540
ࣃ࣮ࢶ࣓࢝ࣛࣛࢺࢧࢻࣛࢺᵝ
3$576&$0(5$/,*+76,'(/,*+77<3(
62
PTS-NXT3c-01JE