KM8-YV100-2_E.pdf - 第6页
PAGE 5 YV100II / YV100IIe (KM8) Emer gency cir cuit 1 2 3 4 5 6 7 8 9 10 11 1 2 3 4 5 6 7 8 9 10 11 1 2 3 4 5 6 7 8 9 10 11 12 13 14 15 16 17 18 1 2 3 4 5 6 7 8 9 10 11 +24E +EMG -EMG OT1 OT2 1 2 3 4 5 6 7 8 9 10 11 +24E…

PAGE 4
YV100II / YV100IIe (KM8)
Power circuit
CRT1
CRT2
VISION
1
2
3
4
5
6
U21
V10
POWER SOURCE
50/60Hz
GS21
DC24V
0
-24V
CN8
CN2
CN2
CONTROL BOX
10%
3
PROG.UNIT
A3
A1
P21
P23
P24
I/O BOARD CONVEYOR,FRONT
I/O BOARD CONVEYOR,REAR
U
V
W
CONVEYOR
MOTOR 1
(BLACK)
(WHITE)
(GRAY)
(15W)
+24A
-24A
+24C
-24C
+24D
-24D
240V
220V
208V
200V
190V
0V
240V
220V
208V
200V
190V
0V
0V
100V
200V
220V
U20
U10
V10
V10
V10
U11
U21
U11
V10
V10
XT21
U52
V52
U55
V55
U11
V10
U11
V10
U54
V54
W54
U21
V10
+24V
1
2
3
M14
1
2
3
4
5
6
7
8
1
2
3
4
5
6
1
2
3
4
5
6
7
8
1
2
3
4
5
6
CNF16
CNF18
12345. .12
CNF15
1234 1234 21
1234 1234 21
CNF21 CNF22 CNF23
-24V
-24V
+24VB
-24V
+24VA
+24VA
+24VA
-24V
+24V
-24V
1
2
1
2
U55
V55
CONNECTION
BOARD
CNF1
1
2
3
4
5
6
1
2
3
4
5
6
12345. . 12
1
2
3
4
5
6
1
2
3
U62
V01
W01
1234 1234
1234
CNF4
CNF5
CNF29 CNF31
1
2
1
2
1
2
1
2
+EMG
-EMG
+EMG
-EMG
+24VA
-24V
P31
SEE EMERGENCY
CIRCUIT DIAGRAM
MTG1
MTG2
ROBOT
0V
190V
200V
208V
220V
240V
0V
190V
200V
208V
220V
240V
0V
200V
208V
220V
240V
0V
190V
200V
208V
220V
240V
0V
190V
200V
208V
220V
240V
0V
190V
200V
208V
220V
240V
190V
N
W50
V50
U50
R1
S1
T1
S1
R1
T1
S1
R1
U11
V10
V10
U11
200/208/220/240V
L1
L2
L3
T1
T2
T3
R
S
T
FAN1
FAN2
NOTE1
380/400/416V
>2.5sq
FG
FG
I/O BOARD HEAD
Rating 3.5kVAMAX
1
3
5
2
4
6
See emergency circuit diagram
W50
V50
U50
W51
V51
U51
W51
V51
U51
5
3
12
4
6
W52
V52
U52
W52
V52
U52
W54
V54
U54
4
2
3
1
6
5
E
QF11 set13A
QF32 2A
QF21 3A
QF22 5A
CONCENT
1
2
3
1
2
3
1
2
3
1
2
3
1
2
3
1
2
3
QF31 10A
NF11
TM11 2.25KVA
1
2
1
2
TC11 750VA
QS11
CB1 3A
CB1 3A
CB1 3A
AC200V for MOTOR DRIVER POWER
AC200V for CONTROL
AC200V
DC24V for HEAD SENSOR,SOLENOID VALVE
DC24V for CONV. SENSOR,SOLENOID VALVE
DC24V for CONV. SENSOR,SOLENOID VALVE
DC24V
for CONV.MOTOR
KM10

PAGE 5
YV100II / YV100IIe (KM8)
Emergency circuit
1
2
3
4
5
6
7
8
9
10
11
1
2
3
4
5
6
7
8
9
10
11
1
2
3
4
5
6
7
8
9
10
11
12
13
14
15
16
17
18
1
2
3
4
5
6
7
8
9
10
11
+24E
+EMG
-EMG
OT1
OT2
1
2
3
4
5
6
7
8
9
10
11
+24E
+EMG
-EMG
1
2
3
4
5
6
7
8
9
1
2
3
4
5
6
7
8
9
10
11
12
13
14
15
16
17
18
19
20
21
22
1
2
3
4
5
6
7
8
9
10
11
12
13
14
15
16
17
18
1
2
3
4
5
6
7
8
9
10
11
12
13
14
15
16
17
18
19
20
21
22
A1
A2
B1
B2
A3
B3
A4
B4
A5
B5
A6
B6
A7
A8
B7
B8B9
A17
B17
A1
A2
B1
B2
A3
B3
A4
B4
A5
B5
A6
B6
A7
A8
B7
B8B9
A17
B17
1
2
3
4
5
6
7
8
9
A1
A2
B1
B2
A3
B3
A4
B4
A5
B5
A6
B6
A7
A8
B7
B8
A17
B17
A1
A2
B1
B2
A3
B3
A4
B4
A5
B5
A6
B6
A7
A8
B7
B8
A17
B17
+24E
+EMG
-EMG
OT3
OT4
1
2
3
4
5
6
7
8
9
+EMG
-EMG
1
2
3
4
5
6
7
8
9
OT4
OT5
EMG2
EMG4
EMG5
EMG2
EMG3
EMG6
EMG7
0
GS21
+24E
+24E
+EMG
-EMG
OT1
OT2
CN5
CN6
I/O BOARD HEAD,FRONT
CN6 CN3
CN8
CN8CN3
CN6
I/O BOARD CONVEYOR LEFT
OT1
OT2
1
2
1
2
1
2
1
2
1
2
EMG2A
EMG2A
EMG2B
EMG2B
EMG2C
EMG1A
EMG1A
EMG1B
EMG1B
EMG1C
EMG1C
EMG2
EMG4
EMG4A
EMG4A
EMG4B
EMG4B
EMG4C
EMG4C
EMG5
EMG2
EMG2A
EMG2A
EMG2B
EMG2B
EMG2C
EMG2C
EMG3
EMG6
EMG6A
EMG6A
EMG6B
EMG6B
EMG6C
EMG7
EMG6C
EMG4A
1
2
1
2
EMG6
EMG6A
1
2
1
2
1
2
3
+EMG 1
2
3
OT
-EMG
P24
1
2
3
+EMG
1
2
3
OT
-EMG
SQ15
456
456
+EMG
OT
-EMG
SQ27
1
2
SQ26
1
2
READY SW.PROG.UNIT
EMG.SW PROG.UNIT
+EMG
-EMG
OT1
OT2
P21
+
-
+EMG
-EMG
P23
+
-
+
-
OT3
OT4
+EMG
-EMG
NM05
+
-
+
-
OT4
OT5
1
2
3
4
5
6
7
8
9
10
11
12
13
14
15
16
17
18
19
20
21
22
1
2
3
4
5
6
7
8
9
10
11
12
13
14
15
16
17
18
19
20
21
22
CN3
1
2
NJ05
33
1
2
1
2
1
2
+EMG
-EMG
EMG2
EMG3
EMG6
EMG7
EMG2
EMG4
EMG5
+EMG
OT
+EMG
OT
READY
EMG
1
2
1
2
1
2
EMG2
SB13
SB14
1
2
EMG8
EMG9
EMG1
EMG1A
EMG1
EMG1A
EMG8
EMG9
1
2
3
4
5
6
7
1
2
3
4
5
1
2
3
4
5
6
7
8
9
10
11
12
1
2
3
4
5
6
7
8
1
2
3
4
5
6
7
1
2
3
4
5
6
7
8
9
10
11
12
+24E
+EMG
-EMG
OT1
OT2
CNF10
CNF11
A1
A2
A3
A4
A5
A6
A7
A8
A9
A10
B1
B2
B3
B4
B5
B6
B7
B8
B9
B10
A1
A2
A3
A4
A5
A6
A7
A8
B1
B2
B3
B4
B5
B6
B7
B8
A1
A2
A3
A4
A5
A6
A7
A8
A9
A10
B1
B2
B3
B4
B5
B6
B7
B8
B9
B10
A1
A2
A3
A4
A5
A6
A7
A8
B1
B2
B3
B4
B5
B6
B7
B8
+24E
+EMG
-EMG
OT3
OT4
EMG2
EMG4
EMG5
+24C
TK01
TK02
TK03
TK04
TK05
TK06
TK07
TK08
-24C
+24E
+EMG
-EMG
OT4
OT5
EMG2
EMG3
EMG6
EMG7
TN12
TN13
TN14
TN15
TN16
-24D
CNF8
CNF12
CNF15
+24VA
-24V
EMG1
EMG1A
EMG1A
EMG8
EMG9
CNF14
EMG1A
EMG1A
EMG1A
EMG1A
EMG1
EMG8
EMG9
1
2
1
2
3
4
1
2
3
4
1
2
1
2
3
4
1
2
3
4
CNF23
CNF22
CNF21
CONNECTION BOARD
P40
A1
A2
A3
B3
A4
A5
B1
B2
B4
B5
.
.
.
A10
B10
A1
A2
A3
B3
A4
A5
B1
B2
B4
B5
.
.
.
A10
B10
+24C
TK01
TK02
TK03
TK04
TK05
TK06
TK07
TK08
CN15
A1
A2
A3
B3
B1
B2
A8
A10
B10
B9
A9
B8
.
.
.
A1
A2
A3
B3
B1
B2
A8
A10
B10
B9
A9
B8
.
.
.
CN15
1
2
3
4
5
6
1
2
3
4
5
6
+24D
TN13
TN14
TN15
TN16
-24D
-24D
A1
A2
A3
A4
A5
A6
A7
A8
A9
A10
B1
B2
B3
B4
B5
B6
B7
B8
B9
B10
CNF13
1
2 CNF9
456
456
1
2
3
4
5
6
7
8
1
2
3
4
5
6
7
8
+24E
+24E
-EMG
-EMG
1
2
3
4
5
6
7
8
1
2
3
4
5
6
7
8
1
2 SQ46A
(LASER BEAM)
1
2
1
2
1
2
1
2
+24V
+24V
-24V
-24V
+24E
+24E
-EMG
-EMG
KM5-CONTROLLER
EMG SYSTEM
A1
A2
A3
A4
A5
A6
A7
A8
A9
A10
B1
B2
B3
B4
B5
B6
B7
B8
B9
B10
1
2
OT1
+24C
+24C
TK03B
NJ14
-EMG
EMG8
EMG9
+EMG
+24E
19 19
20
21
22
20
21
22
SQ36
X OT
1
2
3
4
1
2
3
4
OT
Y OT
DC24V
+24V
-24V
+24V
+24V
-24V
-24V
+24V
+24V
-24V
-24V
+24C
-24V
+24C
-24V
R.FEEDER FLOATING SENSOR
1
2
3
4
+24V
-24V
+24V
-24V
1
2 SQ35A
(LASER BEAM)
1
2
1
2
1
2
1
2
+24V
+24V
-24V
-24V
+24E
+24E
-EMG
-EMG
F.FEEDER FLOATING SENSOR
1
2
3
4
+24V
-24V
+24V
-24V
EMG4
CN5
+24E
+24E
-EMG
-EMG
+24D
-24V
+24D
-24V
CN5
EMG.SW FRONT
EMG.SW REAR
COVER LIMIT SW FRONT
COVER LIMIT SW REAR
EMG SERVO 1
YPU (A3) OPTION
+24V
-24V
I/O BOARD CONVEYOR RIGHT
24
23 23
24
DI26
5
6
7
89
1
01
11
2
1
3
5
6
7
89
1
01
11
23
1
CN2
+24E
+EMG
-EMG
OT
OT
A1
A2
+24E
SEE POWER CIRCUIT DIAGRAM
+24CNJ14
KM10,KM10A
KM10
83
71
23+EMG
EMG9
EMG9
13
84
72
24
14 EMG8
-EMG
+EMG
EMG9
YPU EMG
READY
TK03B +24C
OT2
OT3
1
2
3
4
5
6
7
8
9
10
11
12
RELAY
RELAY
RELAY
RELAY
S1
RELAY
+24A
+24C
+24D

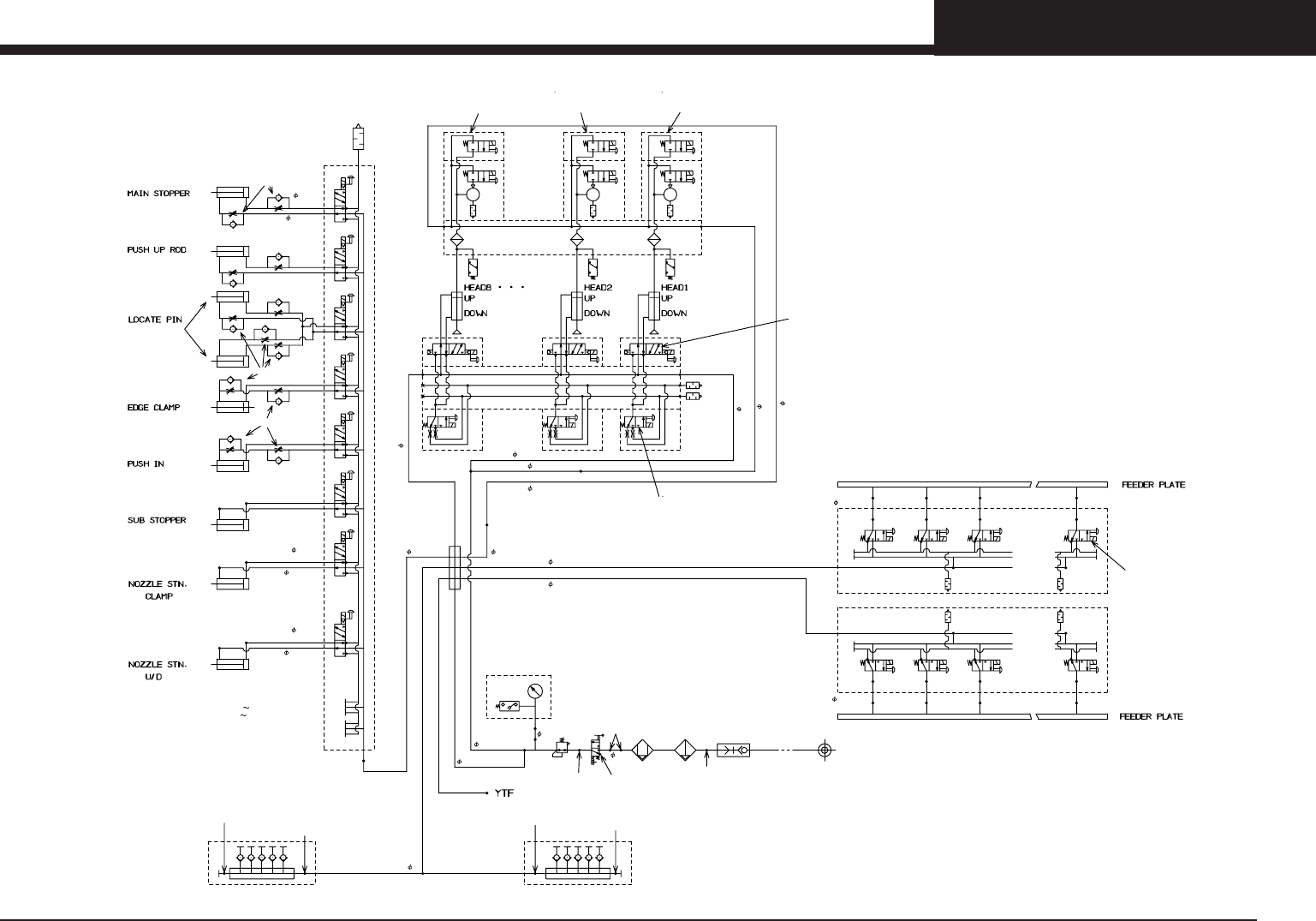
PAGE 6
YV100II (KM8)
Air circuit
KM-11
040M10AJ 1 8 A040
-4E1-PLL 9 10 BP
JOINT PLUG
30PM
F300-03
-BG-A
MF300
-03-A
R300-03
SL12-03
GS1-50-L4
SLY10-03
TL4-02
SL4-M5
UEDW10-8
SC4-01A
PDA 6X30
JDAS 32X25-CS4H1
SC4-01A
SC4-M5A
SC4-M5A
SC4-M5A
SC4-M5A
PDAS 6X30
-1-CS9N1
JDA 12X5
PDA 10X30-1
BDA 16X25
BDAS 16X20
SL4-M5
SC4-M5A
SL4-M5
SC4-M5A
MANIFOLD
KM0-M1141-000
MANIFOLD
KM0-M1141-000
TSS4-01 TSH8-01
PLUG
K40-M8598-000
UEF4
BF4
TL8-01TT8-01
stn.50stn.1 stn.2 stn.3
KM-06KM-06
VALVE ASSY E
KM8-M3410-E00
50123
TSS4-01
TSH8-01 PLUG
K40-M8598-000
UEF4
BF4
TL8-01TT8-01
stn.100
stn.51 stn.52 stn.53
KM-06KM-06
VALVE ASSY E
KM8-M3410-E00
10051 52 53
12
4
8
USD8-6
4 (Black)
AIR SOURCE
UY8
SL8-01
JOINT
3/8"
JOINT
3/8"
JOINT
3/8"
300V-03
KM22
TL8-01
SLH6-01
KM-05
UYD10-8
SC4-M5A
SC4-M5A
BDAS 10X5
VALVE KIT
KU0-M3410-410
(For spare)
SLH6-01
USD8-6
10
TL6-01M
EJECTER SINGLE L
KM5-M7174-500
(For spare)
EJECTER SINGLE C
KM5-M7174-400
(For spare)
SINGLE VALVE(head up/down)
KM1-M7162-100
(For spare)
EJECTER SINGLE R
KM5-M7174-600
(For spare)
EJECTER SINGLE R
KM5-M7174-600
(For spare)
SINGLE VALVE(head slow)
KM1-M7162-200
(For spare)
(Orange)
4
(Black)
4
(Orange)
4
(Black)
4
(Orange)
4
(Black)
4
10
8
8
6
8
8
8
8
4 (Black)
8 (Orange)
6 (Orange)
6 (Orange)
6 (Orange)