DECAN_S2_TRM(Ver2.1_CS17.02).pdf - 第182页
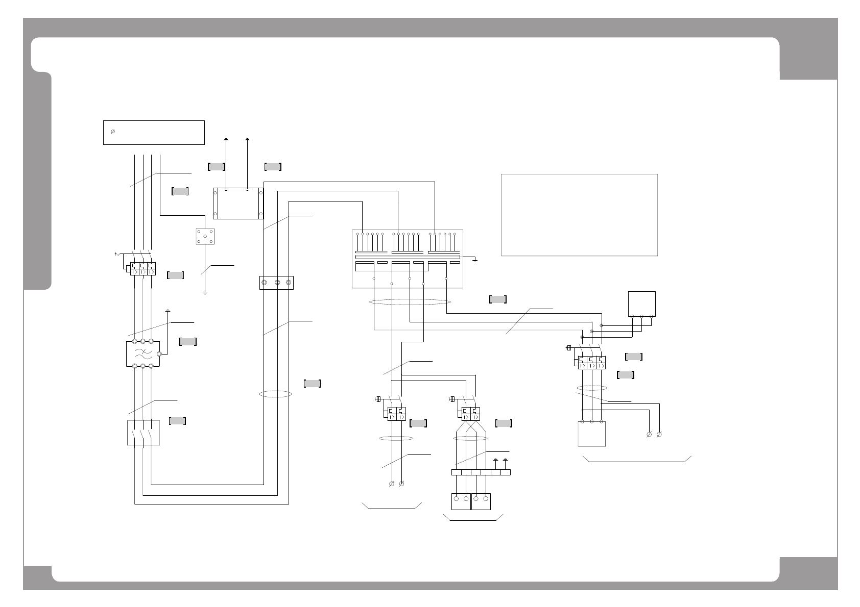
Page +$1:+$ 180 DECAN S2 Electric Power (1/9) 1 5 6 7 8 9 10 11 12 2 3 4 240 AM03-010917B AM03-010916A 2.5 mm 2.5 mm -MAIN S/W (600V AC,20A) L32 L33 L31 -NF1 (3Ø, 20A) L22 L21 L23 2P-C16 -CP1 SM51 1_PW003-1 SM33_PW001 2.…

Page
+$1:+$
179
DECAN
S2

Page
+$1:+$
180
DECAN
S2
Electric Power (1/9)
1
5 6
7
8
9 10
11
12
2
3
4
240
AM03-010917B
AM03-010916A
2.5 mm
2.5 mm
-MAIN S/W
(600VAC,20A)
L32
L33
L31
-NF1
(3Ø, 20A)
L22
L21
L23
2P-C16
-CP1
SM511_PW003-1
SM33_PW001
2.5 mm
FACTORY MAIN POWER
4.0 mm
(3 /PE 60HZ 200~415VAC)
-MCCB1
(3Ø, 20A)
L13
L12
L11
APPROX. 5KVA)
T
SR
FRAME GROUND
-TRANS
220V
208200 220
L31
PE
1L1
1L2
22S
22R
SM471_PW008
22T
3P-C16
-CP3
TF2L1
TF2L2
TF2L3
220V 220V
0V 220V
200220415380 200 208 380240 415
L32
415208 220 380240
L33
2.5 mm
FX,RX,FY1,FY2,RY1,RY2,FS,RS AXIS(SERVO)
6.SECONDARY #1 : 1Ø 220(2.5KVA)
SECONDARY #2 : 3Ø 220(3KVA)
2.FREQUENCY : 50/60Hz
1.CAPACITY : 5.5KVA
3.PHASE : 3Ø
4. CONNECTION: Y-Y
<TRANS SPECIFICATION>
5.PRIMARY : 3Ø 200/208/220/240/380/415V, 5KVA
DC POWER #3,#4(24VDC)
(FZ1~FZ6, RZ1~RZ6 AXIS)
22R 22T
CONTROL RACK(PC+VME)
MONITOR1,2
DC POWER #1,#2(24VDC)
AC FAN
-TB2
2.5 mm
TF1L1
TF1L2
2.5 mm
SM511_PW006
2L1
2.5 mm
SM511-PW202
2P-C16
-CP2
0.75 mm
AM03-010914C
AM03-010915A
SM471_PW007
-MC1
-MC2
AM03-010925A
AM03-010912A
AM03-010913A
SM511_PW003-2
SM511_PW004
SM511_PW003-3
SM511_PW003
SM511_PW005
AM03-010945A AM03-005482A
AM03-010918B
SM511_PW040
AM03-005483A
2.5 mm
-TRANS
-T6L
CONN
2.5 mm
2L2
-PS3 -PS4
J90831063A
246
135
1
456
23
2
1
264
135
4
3
24
13
6
5
2
1
4
3
1A 6A
13A 15A
13 5
13 5
RST
UVW
RST
UVW
NL
245136
2
2
2
2
PE2
2
2
2
2
2
PE1
PE8
F_HD_FG
F_HD_FG
R_HD_FG
R_HD_FG
2
PE9 PE10
2

Page
+$1:+$
181
DECAN
S2
Electric Power (1/9)
NO. PART NO. PART NAME Q'TY Old No. Supply Supply LT Reference
1 J90831063A MAIN_POWER_CABLE_ASSY SM33-PW001 1
2 AM03-010913A CABLE ASSY-REAR_ELEC_PANEL_EARTH 1
3 AM03-010914C CABLE ASSY-MCCB NF1 EARTH 1
4 AM03-010916A CABLE ASSY-NF1_MAIN_SWITCH 1
5 AM03-010915A CABLE ASSY-EARTH_HEAD1 1
6 AM03-010912A CABLE ASSY-EARTH_HEAD2 1
7 AM03-010917B CABLE ASSY-MAIN_SWITCH_TRANS 1
8 AM03-010918B CABLE ASSY-TRANS_CP1,2,3 1
9 AM03-005482A CABLE ASSY-CP1_TB1_MC1 1
10 AM03-010945A CABLE ASSY-PS34_AC_PS12_DC_PW_T6L 1
11 AM03-010925A CABLE ASSY-CP3_MC2_INPUT_220V 1
12 AM03-005483A CABLE ASSY-CP2_TB1_MC2_CABLE 1