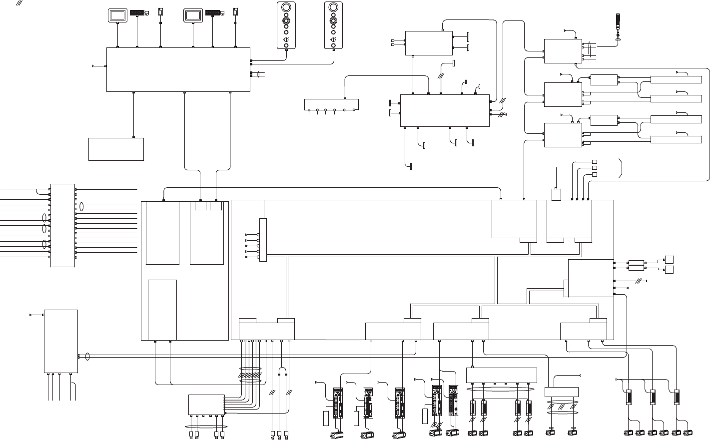
SM421F_HARNESS_BLOCK_DIAGRAM.pdf
CN2 CN1 CN2 CN1 CN2 CN3 CN3 CN3 TWIN SERVO B/D X7043N B/D J1-BACKPLAIN CAN MASTER MVME3100 MAIN BOARD BOARD VME IO B/D <FRONT> <REAR> FR-OPERATE(KVMS) BOARD CN2 CN3 CN5 FIX LED#1 FIX LED#2 CN1 CN4 CAN1 ETHERN…

CN2 CN1 CN2 CN1 CN2CN3 CN3 CN3
TWIN SERVO B/D
X7043N B/D
J1-BACKPLAIN
CAN MASTER MVME3100 MAIN
BOARD BOARD
VME IO B/D
<FRONT>
<REAR>
FR-OPERATE(KVMS) BOARD
CN2
CN3
CN5
FIX LED#1
FIX LED#2
CN1
CN4
CAN1
ETHERNET
CONSOLE1
CONSOLE2
CONSOLE3
CONSOLE4
D-SUB 25PIN
CONSOLE
LAN
F-FEEDER I/F
BOARD
R-FEEDER I/F
BOARD
CONVEYOR I/F
BOARD
HEAD ILL.B/D
HEAD IO B/D
CN2
CN3
CN2
CN3
CN3
CN2
CN2
CN4
CN5
CN6
CN5
CN6
TOWER LAMP & GENERAL I/O
+5V
5G
+12V
-12V
12G
CAN
CAN
CAN
CAN
RS232 SERIAL
CH2
+24V,24G
+24V,24G
+24V,+24VP,24G
CN4
+24V, 24G
G
LOCK
R
S
T
M
E
E
CHANGE
F/FEEDER
RESET
0N
STOP
START
READY
E
O
P
C
N
Y
RESET
F/FEEDER
CHANGE
STOP
START
READY
P
O
T
S
Y
N
C
E
E
E
M
R
G
<FRONT-OP> <REAR-OP>
P1 P1 P1
P1P2P1
PCI
TRANSCEIVER
210TS
CH1
CN3
CN6
CN4
MON.
KBD MOUSE
T-BOX
MON.
KBD MOUSE
T-BOX
<--> CONV.SUB I/F B/D, KVMS B'D
CN28
CN2
CAN
CAN
H1~H6
OUTER LED
H1~H6
SIDE LED
FIDUCIAL OUTER LED
CN3
CN4
CN9
<--> OP PANEL
NEXTEYE VISION B/D
CN11
CN1
VISION I/F
CN1
CN2 CN3
CN4
ANALOG
J4J3J2
J1
J5 J6
BOARD
J4
J3
J2
J1
CAMERA IO B'D
J5
J6
FLY CAMERA1,2,5,6
FIX
HD+/-,VD+/-,+12V,12G
CAM #1,#2
FIDUCIAL CAMERA
PCI I/O
BOARD
SBC
INDUSTRIAL
PC
MONITOR
PORT
USB1
PORT
CN11
CN10
CN5
CN6
CN7
CN14
CN15CN13CN4 CN12
SIDE ILL UP/DOWN SOL
R12,R56
AUX.SEN
SIDE ILL. UP/DN SEN
CN8
Z HOME SEN
SENSORSENSORSENSORSENSOR
VAC.
VAC.VAC.
VAC.
H1 H2
H3 H4
VACUUM SENSOR B'D(H1~H6)
H6H5
VAC. VAC.
SENSOR SENSOR
H 1~6 VAC SOL
H 1~6 BLOW SOL
VME
CN11
FEEDER INPUT
EXT.BOARD
CN6
CN4
CN3CN2
CN7
CN5
CN1
BOARD
AXIS SENSOR
+24V,24G
FRONT FEEDER UNLOCK SENSOR
PCB IN/WAIT/WORK/SECOND/OUT
WD HOME
Y1 HOME/+LIMIT/-LIMIT
REAR FEEDER UNLOCK SENSOR
CN3
CN2
(TO CONVEYOR I/F B/D CN26)
SM_VM011
FLAT CABLE
REAR FEEDER BASE LEFT B/D
REAR FEEDER BASE RIGHT B/D
FEEDER INPUT
CN3
CN2
EXT.BOARD
FRONT FEEDER BASE RIGHT B/D
FRONT FEEDER BASE LEFT B/D
F24V/G,D24V/G
F24V/G,D24V/G
F24V/G,D24V/G
F24V/G,D24V/G
LOCK
0N
CN1
STEP CONTROL B/D
CH1
CH2
CN5
FIDUCIAL INNER LED
+24V,24G
HEAD HOME SENSOR
CN1
+24V,24G
CN1
R12,56 HOME SEN
SW HOME SEN
CN5
CN6
CN7
CONV.SUB I/F BOARD
CN7
(TO CONVEYOR I/F B/D CN27)
HEAD VAC/BLOW SOL
SM41_AX001
SM41_AX003
SM41_AX004
SM33_CS034
SM41_AX006
SM41_VI001
SM41_VI002
SM41_VI003
FIX1 LED I/F B/D
FIX2 LED I/F B/D
SM41_VI004
(FROM SAFETY CONTROL B/D CN26)
CN6
(TO HEAD IO B/D CN13)
CN11
SM41_FD005
SM41_CA002
SM41_CA001
SM41_FD001
FROM SAFETY CONTROL B/D CN21
CN7
CN8
SM_FD003
SM_FD004
SM_FD006
SM_FD007
CN1
CN1
SM41_FD005
SM_FD006
SM_FD007
SM41_CA003
+24V, 24G
SM41_FD002
FROM SAFETY CONTROL B/D CN22
SM_FD003
SM_FD004
CN7
CN8
SM41_HD001
SM33_CA006
SM41_HI001
SM41_HD009SM421F_HD005
SM41_HD010
SM421F_HD002
SM421F_HD013
SM41_HD004
SM41_HD006
TO VME I/O B/D CN1
SM41_HD007
SM41_HD008
SM41_KV001(FROM SAFETY CONTROL B/D CN24)
SM41_KV006
SM41_KV007
SM41_KV008
SM33_KV003-3
SM33_KV003-1
SM33_KV003-2
SM33_KV005-1
SM33_KV005-2 SM33_KV005-3
SM41_CV037
SM41_CV035 SM41_CV036
(30W) (30W)
SEDES SLAVE B/D
CN8
CN11 CN12
Z1 Z2
CN13 CN14 CN15 CN16
Z5 Z6
(30W) (30W)
SM41_VM010
SM421F_VM009
SM41_MD026
SM41_MD030
SM41_MD027 SM41_MD031
(50W)
SW
(750W)
X
REGENERATIVE
RESISTOR
SM41_VM007
SM41_PW019 SM41_PW018
SM41_MD038
SM41_MD001
SM41_MD002
SM41_MD020
SM41_MD021
+24VP,24G
R56
(STEPPING MOTOR)
R12
R-STEPPING
DRIVER
SM41_VM009
SM41_SC011
SM41_MD012
SM421F_MD011
SM41_MD033 SM41_MD035
CB1
CB2
WB1
WB2
CB3
CB4
SM41_SC012
SM41_MD008 SM41_MD010SM41_MD010 SM41_MD009
SM41_MD013 SM41_MD017
SM41_MD014 SM41_MD018
SM41_MD015
SM41_MD016
+24VP,24G
SM41_VIS001
SM41_VIS005
SM41_VIS002
SM41_VIS007
SM41_VIS006
SM41_VIS010
SM41_VIS009
SM41_VIS011
SM41_VIS004(MEGA:SM41_VIS012)
CN1
SC
CN2
CN3
CN4
CN5
CN6
CN7
CN8
CN9
CN10
CN11
CN12
CN13
CN14
DC
B/D
CN15
CN16
CN17
CN18
CN19
CN20
CN21
CN22
CN24
CN25
CN26
CN27
CN28
CN29
SM41_PW016(DC POWER SUPPLY #1)
SM41_SC001(FRONT OP PANEL)
SM41_SC002(REAR OP PANEL)
SM33_SC009(F/R SAFEGUARD KEY)
SM33_FD008/SM41_FD010
(FRONT FEEDER BASE B/D R/L)
SM33_FD009/SM41_FD011
(REAR FEEDER BASE B/D R/L)
SM41_SC011(R STEPPING DRV)
SM41_SC012(DC POWER B/D CN1)
SM41_SC005(CONV. SUB I/F B/D)
SM41_VM001(TFEM1)
CN23
SM41_VM002(TFEM2)
SM41_SC006(MAGNETIC CONT. #1)
&
SM41_CV001(CONVEYOR I/F B/D)
SM41_FD001/SM41_FD010(F FEEDER I/F-DC)
SM41_FD002/SM41_FD011(R FEEDER I/F-DC)
SM41_AX001(AXIS SENSOR B/D)
SM41_KV001(KVMS B/D)
SM41_IT003(SCANNER)
SM41_VI001(VME I/O B/D)
SM41_SC013(SEDES B/D)
SM41_SC003(SEDES SLAVE B/D)
(1KW)
Y2
(1KW)
Y1
REGENERATIVE
RESISTOR
REGENERATIVE
RESISTOR
(100W)
WD
SM41_VM003
SM41_PW020 SM41_PW019
SM41_MD036 SM41_MD037
SM41_MD004
SM41_MD005
SM41_MD006
SM41_MD007
SM41_VM004
SM41_PW018
SM41_MD022
SM41_MD023
SM41_CA004
SM41_CV001
SM33_CV021
SM41_AX005
SM33_CV023-2 SM33_CV023-3
SM33_VM017
SM421F_PW031
CN1 CN12
USB-IN
VGA-IN
CN2
MONITOR-A
CN3
MONITOR-B
CN13
F-USB
CN14
R-USB
JOG/A
CN9
JOG/B
CN11
CN8
CN10
Panasonic AC servo
SET
MODE
Panasonic AC servo
SET
MODE
Panasonic AC servo
SET
MODE
Panasonic AC servo
SET
MODE
Panasonic AC servo
SET
MODE