SP-0086-001.pdf - 第33页
MEMO

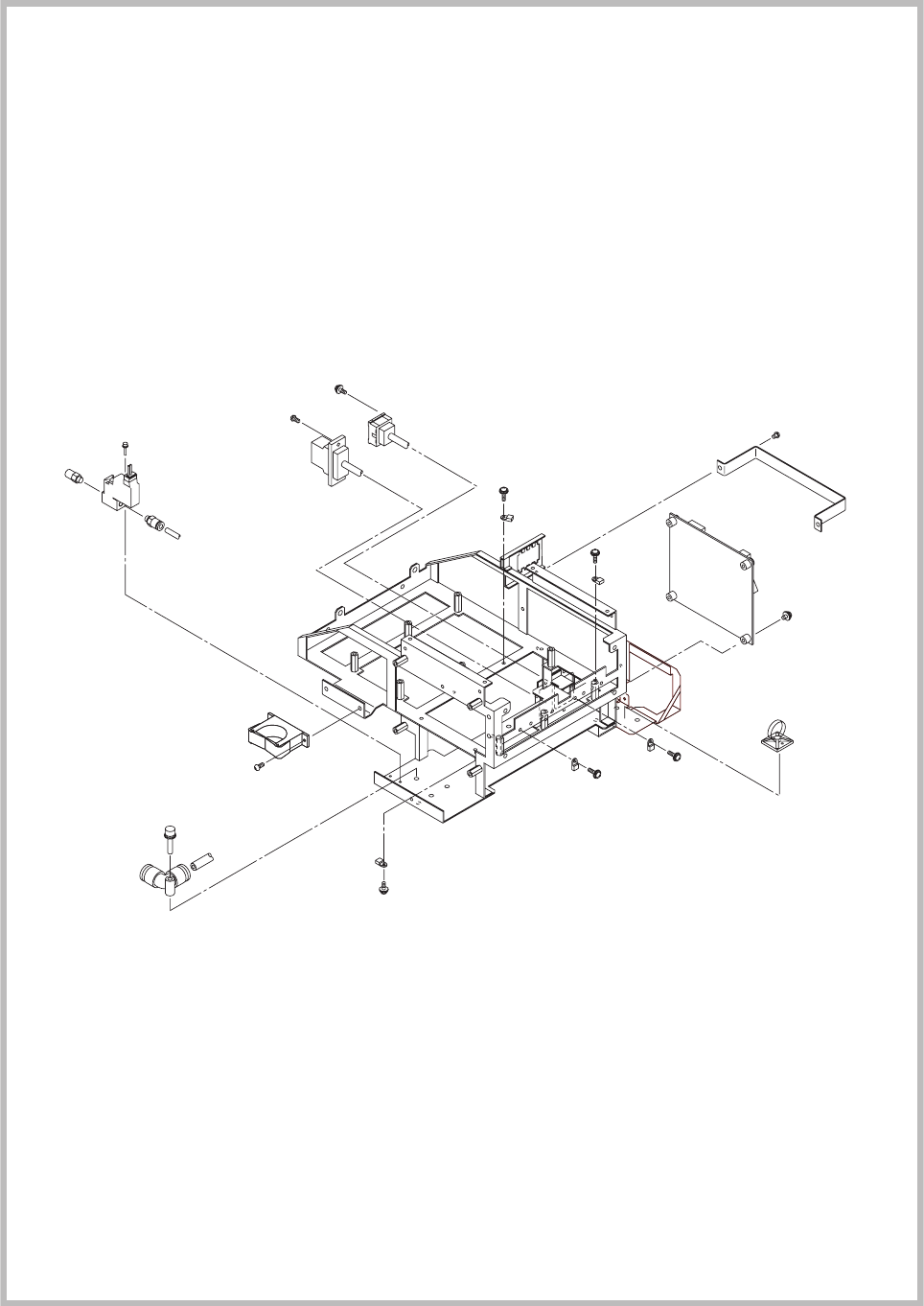
Key No. PART No. PART NAME Q’ty
REMARKS
NOTE
75 09780203 ASSY_NAME_PLATE 1 1097800100-005
Fig. G1-1
1010-001
Fig. G1
GS-IH100
GS-HH100(32.5K Head)

MEMO

1010-001
Fig. G1-2
電装ボックス
Electrical Box
U03
Y0902
X0307
X0305
X0306
U25
X2503
X2501
X2506
X25B2
X25X1
X25X2
X3105
X3103
X31P1
X31P3
A31
5 N C
A 2 P
N C
B
2
P N
C
C
2
P
N C
D
2
P N C
A
2 N C
B 2 N C
C 2 N
C
D 2
N C
3
P N C
1
P N
C
D 4 N
C
C
4 N
C
B
4 N
C
3
N C
X3104D
X3104B
X3104C
X331P1
X13701
X23701
7 N C
1 N C
2 N
C
3 N
C
2
0
X
1
0
X
1
0 B
4
N C
2
0 B
6 N
C 5 N
C
161
162
B309
(BASE:Document No.P-310-00X
UNIT-6 Fig.G1-2)
Fig. G1
基板高さ測定フィードバック機能
PCB HEIGHT MEASUREMENT FEEDBACK FUNCTION
GS-HH100(32.5K Head)