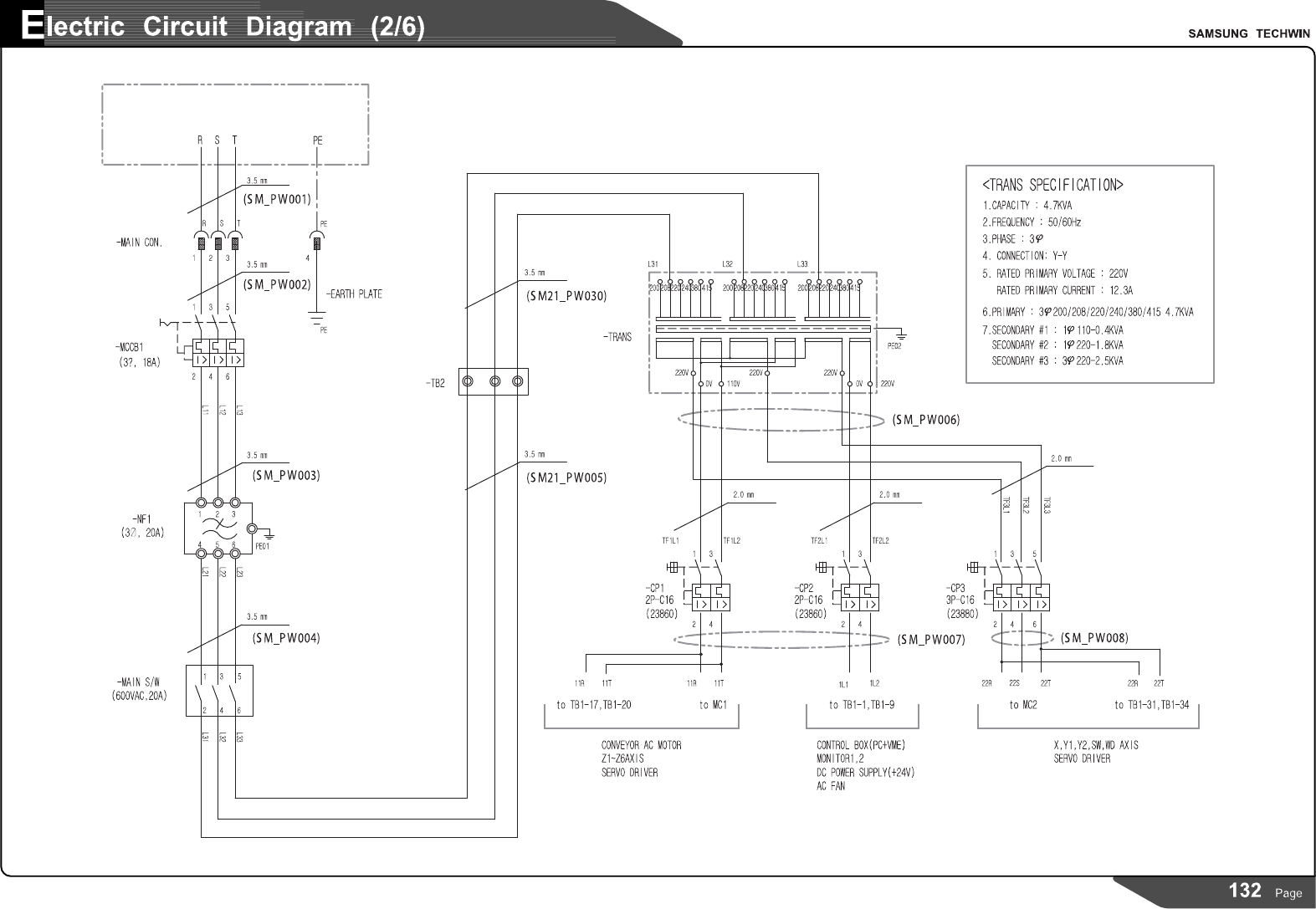
SM321 Electric control part table.pdf - 第51页
FACTORYMAINPOWER (3 Ø /PE60HZ200415VAC) APPROX.5KVA) 2 2 2 2 2 2 2 2 2


FACTORYMAINPOWER
(3Ø/PE60HZ200415VAC)
APPROX.5KVA)
2
2
2
2
2
22
2
2

2 2
22
2
2 2 2
FACTORYMAINPOWER (3 Ø /PE60HZ200415VAC) APPROX.5KVA) 2 2 2 2 2 2 2 2 2


