文档中心
/
BM221操作手册.pdf
BM221操作手册.pdf - 第104页
在线预览 BM221操作手册.pdf PDF 文档。
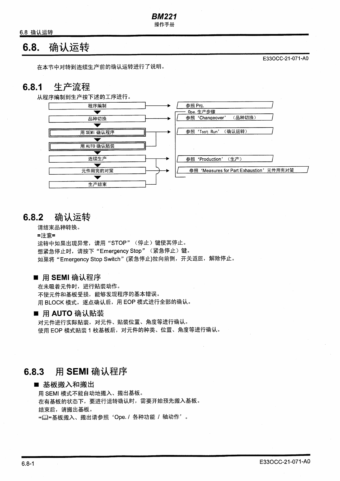
目录
100%
显示:宽度
宽度
1 / 150
回到旧版
旧版
?
该页面需要启用 JavaScript 才能进行交互式预览。