文档中心
/
松下点胶机HDF程序手册.pdf
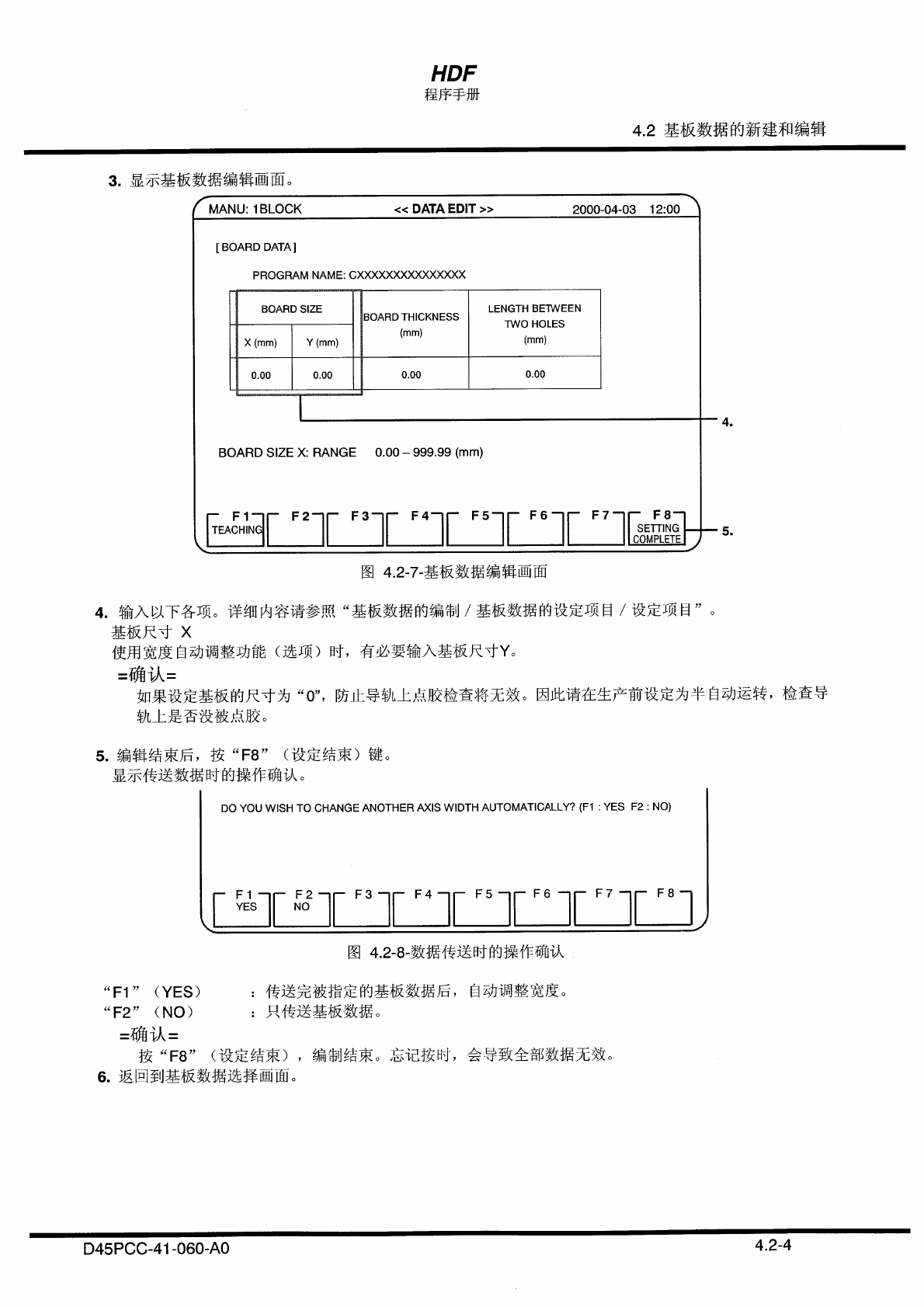
松下点胶机HDF程序手册.pdf - 第32页
在线预览 松下点胶机HDF程序手册.pdf PDF 文档。
目录
100%
显示:宽度
宽度
1 / 184
回到旧版
旧版
?
该页面需要启用 JavaScript 才能进行交互式预览。