文档中心
/
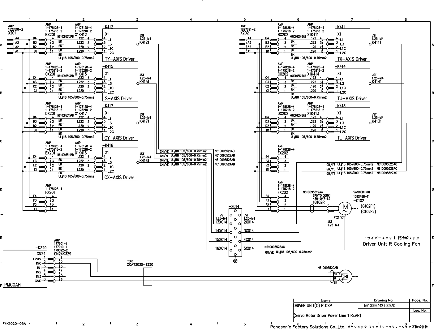
06_Wiring Diagram_N7205A067E00.pdf
06_Wiring Diagram_N7205A067E00.pdf - 第138页
在线预览 06_Wiring Diagram_N7205A067E00.pdf PDF 文档。
目录
100%
显示:宽度
宽度
1 / 169
回到旧版
旧版
?
EJP4AE-
TP-01W-00
8.
BYP
A
S
S CONVEYO
R LO
A
D
WIRING DI
A
GR
A
M
该页面需要启用 JavaScript 才能进行交互式预览。