heller1809 ectrical Dwgs.pdf - 第23页
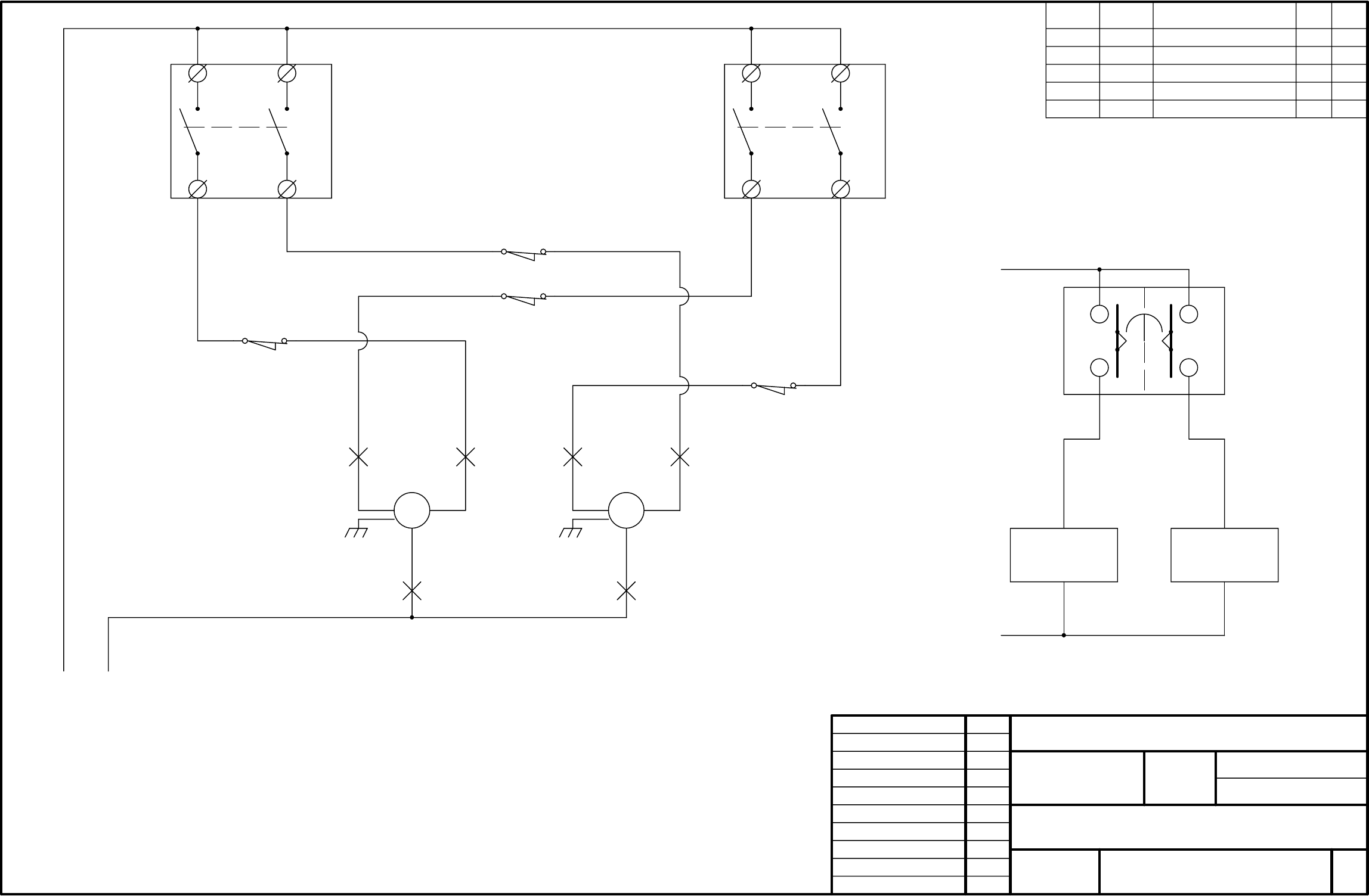
CK PART OF ASSY. APPROVED TITLE DATE REVISION RE CORD QUAN DRAWN BY T.P . REV DATE DR B803888 HELLER INDUSTRIES, INC. SCALE DRAWING NUMBER SYM WIRING DIAGRAM HOOD LIFT 240VAC NOT LINAK K3 K4 13 24 58 58 58 57 (OPTION: HO…

DATE DRAWING NUMBER
B-683249
REV
TITLE
SCALE DRAWN BY
APPROVED
HELLER INDUSTRIES, INC.
QUANPART OF ASSY.
CKDRREVISION RECORDSYMDATE
T.P.
2
1
4
3+
-
WHT RED BLK
-AL+CH
YEL RED
YEL RED
THERMOCOUPLE
56 56
TRIAC
#101
TRIAC
#102
56
101 102
EXHAUST
BLOWER
EXHAUST
BLOWER
WIRE #55,#56,#101,#102 ARE 16AWG RED.
TAP FROM HEATER CKT.BKR.s
FEEDER BUS BAR.
WIRING DIAGRAM
(380-480VAC)
D SMITH
55
101 102
WIRES BLUE, WH/VIOLET ARE 18AWG.
31
24
TO 2L2
TO 2L1
.08HP .08HP
HC1-X OVEN CONTROLLER
WH/VIOBLUE
HC1-X
OPTIONAL
COOL ZONE HEATER
11-23-99
HEATER ELEMENT
THERMOCOUPLE MODULE-1
4
49
50
149
KS25
Q25
+5V
49 50
ANALOGIC
1.IN 'HELLER SYSTEM SETUP WIZARD' SELECT
EXHAUST FLUX HEATER CHANNEL #13.
WHT RED BLK
(208-240VAC)
HEATER ELEMENT
49
50
HIGH VOLTAGE LOW VOLTAGE
16A(HV)
32A(LV)
NOTE
WIRES #49, #50, #149 ARE BLACK 12AWG
FOR380-480V(HV) AND 10AWG FOR 208-240V (LV).
MANUAL EXHAUST BLOWER CONTROL
4
J2-3 J2-4
J4E-1
OR
J5E-1
J4A-4
A
2.EXHAUST FLUX HEATER CHANNEL IS NOT IN
STARTUP SEQUENCE.
10-12-00 A ECN-5876

DATE DRAWING NUMBER
B
REV
TITLE
SCALE DRAWN BY
APPROVED
HELLER INDUSTRIES, INC.
QUANPART OF ASSY.
D SMITH
D SMITH
WIRING DIAGRAM
ENTRANCE TUNNEL HEATER
20-JAN-00
684071
BLK
ENTRANCE
TUNNEL HEATER
13
24
16A
THERMOSTAT
165DegF
BLK
L2
BLK
L1
CONNECT TO
208-240VAC
HEATER WIRE
POWER L1,L2
BLK BLK
HEATER
1.8KW
THERMOSTAT
MTD. ON
HEATER
TO 16AMP
CIRCUIT
BREAKER
WIRING FOR 208-240V OVENS
10AWG 10AWG
BLK
ENTRANCE
TUNNEL HEATER
13
24
10A
Q32
BLK
L2
BLK
L1
CONNECT TO
380-480VAC
HEATER WIRE
POWER L1,L2
12AWG 12AWG
BLK
12AWG12AWG
101 102
101 102
Q32
12AWG
103
102
101
14
13
KM3
12AWG
BLK
12AWG
BLK
BLK BLK
HEATER
THERMOSTAT
MTD. ON
HEATER
TO 10AMP
CIRCUIT
BREAKER
102
101
3KW
TO KM3
TERM.13
KM3
A2
A1
THERMOSTAT
165DegF
DGND WH/BLUE
TO KM1
TERM. A1
WH/BLK
18AWG
18AWG
BLK
BLK WH/BLK
WIRING FOR 380-480V OVENS
B
HEAT
INSULATED
WIRE
HEAT
INSULATED
WIRE
HEAT
INSULATED
WIRE
BLK REDWHT
WHT BLK
HEAT
INSULATED
WIRES
HEAT
INSULATED
WIRES
CKDRREVISION RECORDSYMDATE
B03-01-01 ECN-5904

CK
PART OF ASSY.
APPROVED
TITLE
DATE
REVISION RECORD
QUAN
DRAWN BY T.P.
REV
DATE DR
B803888
HELLER INDUSTRIES, INC.
SCALE
DRAWING NUMBER
SYM
WIRING DIAGRAM
HOOD LIFT 240VAC
NOT LINAK
K3
K4
13
24
58 58 58
57
(OPTION: HOODLIFT WITH BBU USE
WIRE #63, #64 FROM Q31 INSTEAD
OF #58 AND #57)
LEFT
UP
LEFT
DOWN
RIGHT
UP
RIGHT
DOWN
LS3
LS1
LS4
LS2
RED BLU
WHT
RED BLU
WHT
LEFT
HOOD
RIGHT
HOOD
M3 M4
6059 61
61
60
59
61 59 62 60
58
13
24
62
62
5758
HOODLIFT
DOWN
CONTACTOR
FROM Q28
240VAC
NOTE: ALL # WIRES ARE 16AWG RED,
HOODLIFT
UP
CONTACTOR
10-26-00
HOOD
SWITCH
A2
KEY
A1
34
3
GREEN
4
UPDOWN
LIFT
VIOLET
K4K3
BLUE
A1
A2
+24VDC
-24VDC
WH/BLUE
WIRES BLUE,GREEN, VIOLET, WH/BLUE ARE 18AWG.