文档中心
/
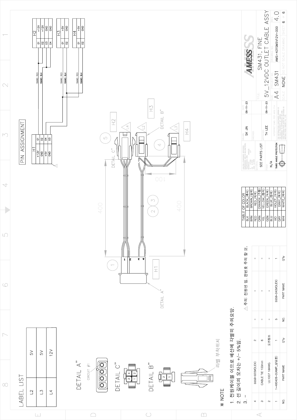
SM431_FINE_POWER_PC_RACK_CABLE_ASSY_R4[1].0_AMS091123.pdf
SM431_FINE_POWER_PC_RACK_CABLE_ASSY_R4[1].0_AMS091123.pdf - 第7页
在线预览 SM431_FINE_POWER_PC_RACK_CABLE_ASSY_R4[1].0_AMS091123.pdf PDF 文档。
目录
100%
显示:宽度
宽度
1 / 8
回到旧版
旧版
?
该页面需要启用 JavaScript 才能进行交互式预览。