P-327-002_SIGMA-F8.pdf - 第18页
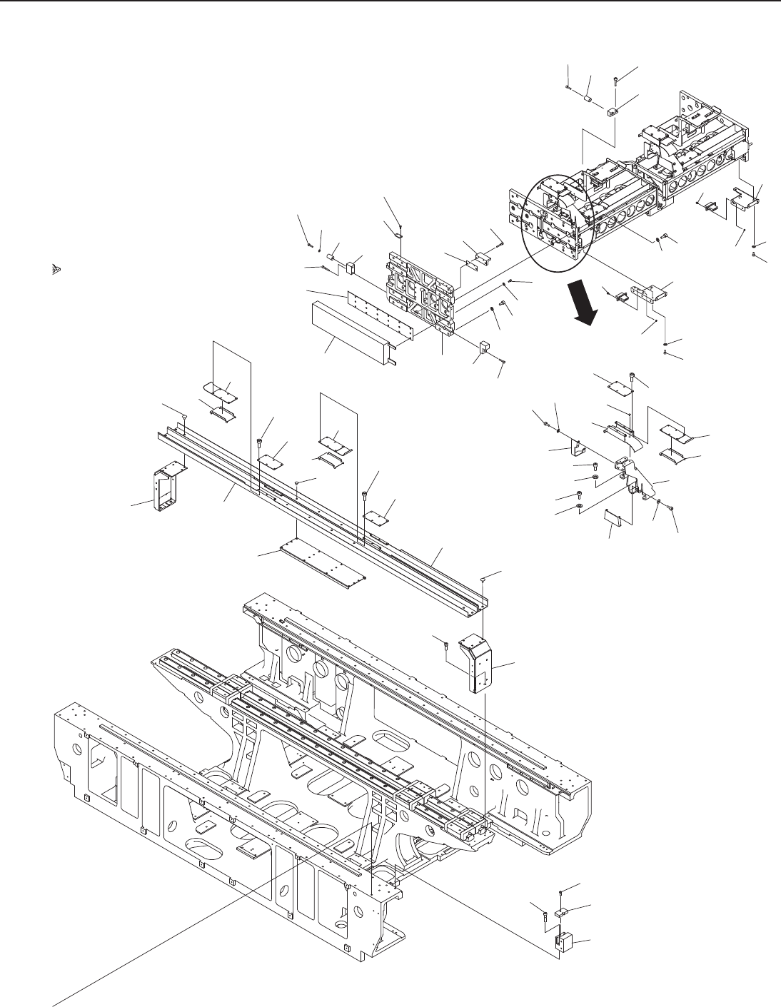
– 12 – A1 2 Beam 1509-002 No. Part No. Part Name Qty . Detail Y amaha Hitachi 101 KY A-M2600-00 10053C93 BASE_ST A TOR_ASSY_YG 2 With Guide 105 KY A-M2606-00 10053C6D ASSY ,LINEAR MOTOR Y 4 122 KY A-M2612-00 1005DC2T BRA…

– 11 –
UNIT
1509-002
208
208
203
232
232
232
223
143
135
153
151
150
134
135
101
236
222
205
233
132
132
235
235
222
222
105
125
123
221
236
221
236
127
128
211
237
203
129
212
126
213
203
200
202
202
226
201
226
226
122
147
158
225
155
150
157
156
202
234
210
233
151
138
159
136
153
200
160
233
203
140
154
148
236
222
200
200
239
239
233
203
233
203
149
105
124
126
212
211
237
128
127
234
131
130
214
125
211
213
211
208
131
133
137
202
226
150
233
202
152
139
159
210
210
234
234
233
203
153
161
210
224
228
228
208
145
146
141
144
203
226
153
151
151
150
150
203
153
142
142
141
203
129

– 12 –
A1
2 Beam
1509-002
No.
Part No.
Part Name Qty. Detail
Yamaha Hitachi
101 KYA-M2600-00 10053C93 BASE_STATOR_ASSY_YG 2 With Guide
105 KYA-M2606-00 10053C6D ASSY,LINEAR MOTOR Y 4
122 KYA-M2612-00 1005DC2T BRACKET 4
123 KYA-M2604-00 1005DC8A PLATE_MOTOR-14 2
124 KYA-M2603-00 1005DC89 PLATE_MOTOR-23 2
125 KYA-M260G-00 1005DC83 PLATE_INSULATOR 4
126 KYA-M261E-00 1005DC7F BLOCK_STOPPER 4
127 KYA-M2619-00 1005DC73 Y_BLACKET_SCALE 4
128 KYA-M261G-00 1005DC8B SHIM_SCALE_HEAD 4
129 KYA-M261A-00 1005DC74 Y_PLATE 8
130 KYA-M261F-00 1005DC7H BLOCK_STOPPER 2
131 KYA-M260W-00 1005DC0Z BM_URETHANE 4
132 KYA-M2610-00 1005DC1R X_URETHANE_R 4
133 KYA-M2611-00 1005DC2A BLOCK 2
134 KYA-M260R-00 1005DC02 Y_MAGNET2 2
135 KYA-M260P-00 1005DC01 Y_MAGNET1 4
136 KYA-M260B-00 1005DC6K Y_CABLE_PILLAR14_3 2
137 KYA-M260D-00 1005DC7C Y_CABLE_PILLAR23_3 2
138 KYA-M2607-00 1005DC0L Y_CABLEFIX4 2
139 KYA-M260C-00 1005DC72 Y_CBLFIX_LOWER 2
140 KYA-M2605-00 1005DC0W CABLE_COVER 4
141 KYA-M260A-00 1005DC5L Y_BRACKET_PILLAR2 2
142 KYA-M2601-00 1005DC46 Y_CABLE_BRACKET_A 2
143 KYA-M2602-00 1005DC70 Y_BRACKET_OUT_A 2
144 KYA-M2608-00 1005DC4K Y_BRACKET_A 1
145 KYA-M2613-00 1005DC5K Y_BLOCK_MS2 4
146 KYA-M260T-00 1005DC0D Y_URETHANE 4
147 KYA-M2609-00 1005DC5J COVER_CONNECT2 8
148 KYA-M260E-00 1005DC7V BRACKET_CONNECTOR-23 2
149 KYA-M260F-00 1005DC7W BRACKET_CONNECTOR-14 2
150 KYA-M260U-00 1005DC0H Y_CABLEFIX1 8
151 KYA-M2614-00 1005DC5M Y_CABLEFIX_UP 6
152 KYA-M2618-00 1005DC71 Y_CABLEFIX_UPPER 2
153 KYA-M260X-00 1005DC1F Y_FIX_COVER_DOWN 8
154 KYA-M260V-00 1005DC0M CABLEFIX1 4
155 KYA-M2615-00 1005DC5P CABLEFIX_UP 4
156 KYA-M261D-00 1005DC79 CABLEFIX1 4
157 KYA-M261C-00 1005DC78 CABLEFIX2 4
158 KYA-M260Y-00 1005DC1G X_FIX_COVER 4
159 KYA-M2616-00 1005DC5R RF_COVER_2 2
160 KYA-M2617-00 1005DC6M COVER_CABLEFIX2 2

– 13 –
UNIT
1509-002
No.
Part No.
Part Name Qty. Detail
Yamaha Hitachi
161 KYA-M261B-00 1005DC77 COVER 2
200 91312-03008 221AA006 BOLT,HEX.SOCKET HEAD 18
201 91312-04006 221AA015 BOLT,HEX.SOCKET HEAD 32
202 91312-04008 221AA016 BOLT,HEX.SOCKET HEAD 78
203 91312-04010 221AA017 BOLT,HEX.SOCKET HEAD 64
205 91312-04016 221AA020 BOLT,HEX.SOCKET HEAD 8
208 91312-05012 221AA030 BOLT,HEX.SOCKET HEAD 24
210 91312-05016 221AA031 BOLT,HEX.SOCKET HEAD 40
211 91312-05020 221AA032 BOLT,HEX.SOCKET HEAD 76
212 91312-05025 221AA033 BOLT,HEX.SOCKET HEAD 8
213 91312-05030 221AA034 BOLT,HEX.SOCKET HEAD 8
214 91312-05035 221AA035 BOLT,HEX.SOCKET HEAD 4
221 91312-08016 221AA055 BOLT,HEX.SOCKET HEAD 96
222 91312-08020 221AA056 BOLT,HEX.SOCKET HEAD 74
223 91312-08025 221AA057 BOLT,HEX.SOCKET HEAD 112
224 91312-08035 221AA059 BOLT,HEX.SOCKET HEAD 8
225 90990-66J008 221DA203 SCREW,TRUSS HEAD 10
226 90990-66J013 221DA208 SCREW,TRUSS HEAD 64
228 90990-66J019 221DA216 SCREW,TRUSS HEAD 12
232 91380-05016 221A1045 BOLT,HEX.SOCKET HEAD 152
233 92902-04200 221HA104 WASHER,PLAIN 36
234 92902-05200 221HA105 WASHER,PLAIN 42
235 92902-08200 221HA107 WASHER,PLAIN 12
236 92902-08600 221HA207 WASHER,PLAIN 164
237 92902-05100 221HA005 WASHER,SPRING 88
239 95302-03600 221FA005 NUT,HEXAGON 8