文档中心
/
N7205A000E.pdf
N7205A000E.pdf - 第309页
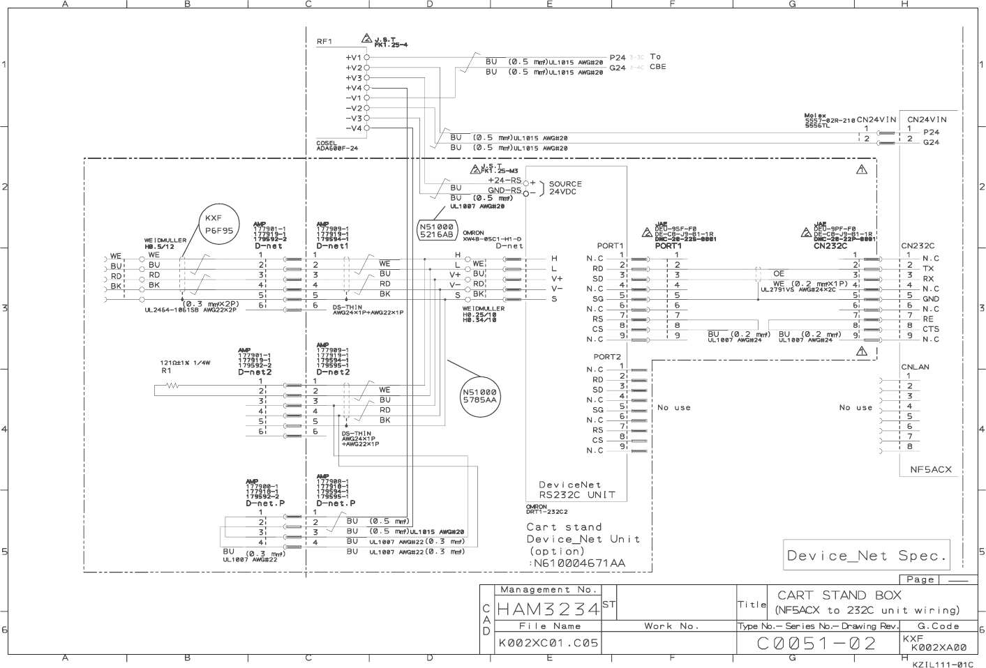
4. OPTION 4-16 CART ST A N D LOAD WIRING DIA G RA M EJM8A- E-W DB0A-A00-0 0
目录
100%
显示:宽度
宽度
1 / 438
回到旧版
旧版
?
4. OPTION
4-16 CART ST
A
N
D LOAD WIRING DIA
G
RA
M
EJM8A-
E-W
DB0A-A00-0
0
该页面需要启用 JavaScript 才能进行交互式预览。