00191474-02.pdf - 第15页
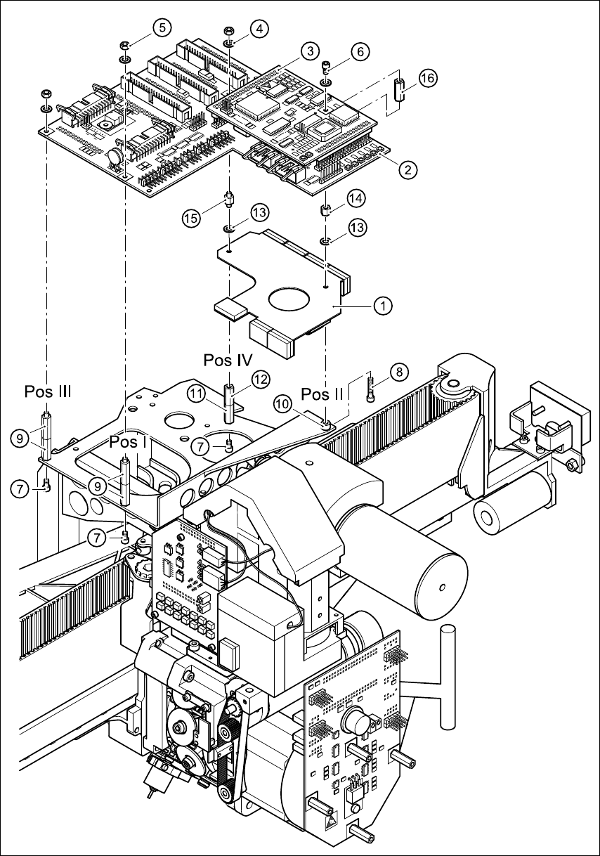
Nachrüstanleitung HS-50 Kabelhalterblech an der Kopfplatine Ausgabe 11/99 15 7 Abb. 7 - 1 Befestigungsteile und Kabelhalterblech montieren
Kabelhalterblech an der Kopfplatine Nachrüstanleitung HS-50
Ausgabe 11/99
14
7 Neue Befestigungsteile, Kabelhalterblech und
Kopfplatine montieren
Montieren Sie folgende Befestigungsteile der Reihe nach (siehe Abb. 7 - 1): 7
–An Pos. I:
Zylinderschraube M3x5, Pos. 7
2x Abstandsbolzen M3x 18 (Innengewinde/Aussengewinde), Pos. 9
– An Pos. III
Zylinderschraube M3x5, Pos. 7
2x Abstandsbolzen M3x18 (Innengewinde/Aussengewinde), Pos. 9
–An Pos. IV
Zylinderschraube M3x5, Pos. 7
Abstandsbolzen M3x15 (Innengewinde/Innengewinde), Pos. 11
Abstandsbolzen M3x14 (Innengewinde/Aussengewinde), Pos. 12
–An Pos. II
Zylinderschraube M3x20, Pos. 8
Abstandsbuchse, Ø 3,2x6x4, Pos. 10
Kabelhalterblech, Pos. 1
Scheibe M3, Pos. 13
Abstandsbolzen M3x5 (Innengewinde/Innengewinde), Pos. 14
Å Ziehen Sie den Abstandbolzen fest.
–An Pos. IV
Scheibe M3, Pos. 13
Abstandsbolzen M3x5 (Aussengewinde/Aussengewinde), Pos. 15
Å Ziehen Sie den Abstandsbolzen fest.
Å Setzen Sie die Kopfplatine (Pos. 2) mit den Bohrungen auf die Gewindestifte der Abstandsbol-
zen.
Å Kontrollieren Sie, daß die Kopfplatine plan auf allen Abstandsbolzen aufliegt.
–An Pos.II
Å Schrauben Sie den Abstandsbolzen M3x15 (Innengewinde/Innengewinde), Pos. 16 auf
den Gewindestift.
Å Ziehen Sie den Bolzen fest. Achten Sie darauf, die Kopfplatine dabei nicht zu beschädigen.

Nachrüstanleitung HS-50 Kabelhalterblech an der Kopfplatine
Ausgabe 11/99
15
7
Abb. 7 - 1 Befestigungsteile und Kabelhalterblech montieren

Kabelhalterblech an der Kopfplatine Nachrüstanleitung HS-50
Ausgabe 11/99
16
ACHTUNG 7
Kontrollieren Sie vor dem Aufsetzen der Kopfprozessorplatine, daß 7
- keine Stifte auf der Kopfplatine (Pos. 2 in Abb. 7 - 1) verbogen sind.
- die Stecker der Kopfprozessorplatine auf den Stiftreihen der Kopfplatine exakt sitzen. 7
Å Drücken Sie vorsichtig die Kopfprozessorplatine gegen die Kopfplatine, bis die Stecker der
Kopfprozessorplatine auf der Kopfplatine aufsitzen.
Å Befestigen Sie die Kopfprozessorplatine an den Positionen I/III und IV mit den M3-Scheiben
(Pos. 4) und M3-Muttern (Pos. 5).
Å Befestigen Sie die Kopfprozessorplatine an Position II mit der Scheibe M3 (Pos. 4) und der Zy-
linderschraube M3x5 (Pos. 6).
Å Sichern Sie alle Schrauben und Muttern mit Loctite 243.
Å Stecken Sie die abgezogenen Kabelstecker wieder an.
Å Ziehen Sie der Reihe nach das Schutzpapier von den Kleberbändern ab (Pos. 2, 3, 5 und 6 in
Abb. 1 - 1) und drücken Sie die Flachbandkabel gegen die Klebebänder.
VORSICHT 7
Drücken Sie das Flachbandkabel nur leicht mit dem Zeigefinger gegen die Klebeflächen.
Anderenfalls riskieren Sie Kabelbrüche und damit Fehlfunktionen des Revolverkopfes. 7
Å Schnappen Sie das schwarze dp-Motorkabel am Rundkabelhalter (Pos. 4 in Abb. 1 - 1) ein.
8 Funktionstest
Å Entfernen Sie Werkzeug und sonstige Teile aus dem Automaten.
Å Schließen Sie die Schutzhauben.
Å Starten Sie den Automaten und beobachten Sie den Referenzlauf.