文档中心
/
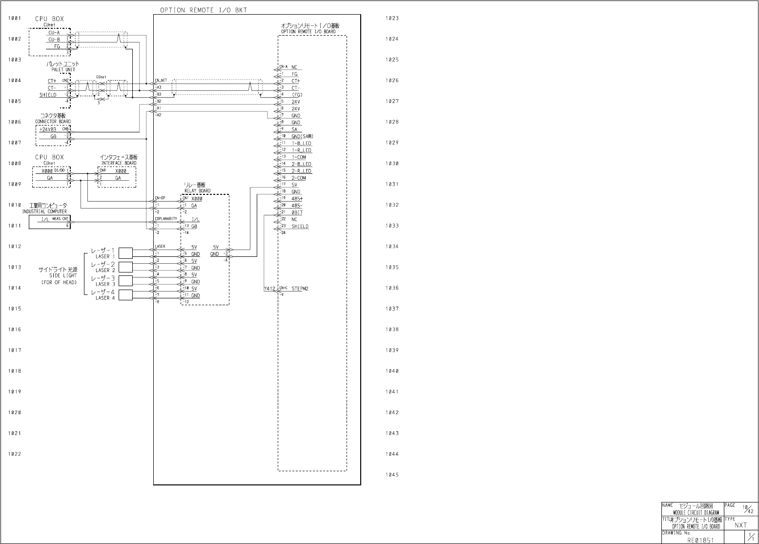
Schmtic_NXT_AJ44711.pdf
Schmtic_NXT_AJ44711.pdf - 第72页
在线预览 Schmtic_NXT_AJ44711.pdf PDF 文档。
目录
100%
显示:宽度
宽度
1 / 210
回到旧版
旧版
?
该页面需要启用 JavaScript 才能进行交互式预览。