XP-141E-05JE PART LIST.pdf - 第101页
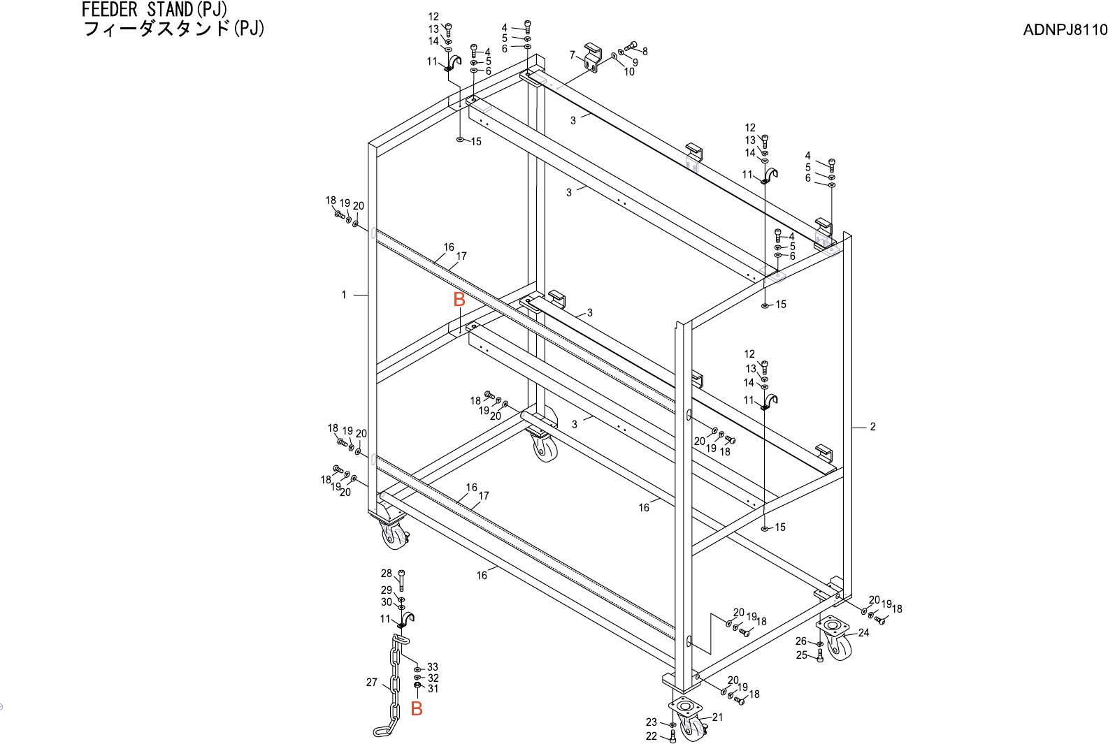
FEEDER STAND(PJ) フィーダスタンド(PJ) ADNPJ8110 番号 図番 & コード番号 個数 品名 規格 材質 備考 No. Drg.No. & Code No. QTY Description Rating Materials Remarks 1 DNPJ1500 1 STAND スタンド FE 2 DNPJ1510 1 STAND スタンド FE 3 WCY0363 4 BAR バー FE 4 …

93

FEEDER STAND(PJ)
フィーダスタンド(PJ) ADNPJ8110
番号 図番 & コード番号 個数 品名 規格 材質 備考
No. Drg.No. & Code No. QTY Description Rating Materials Remarks
1 DNPJ1500 1 STAND スタンド FE
2 DNPJ1510 1 STAND スタンド FE
3 WCY0363 4 BAR バー FE
4 H5341A 8 BOLT, HEX SOCKET ボルト 六角穴 M08X020 1ハコ100ケ FE
5 W1025A 8 WASHER, LOCK ワッシャ スプリング 8M/M FE
6 W1052A 8 WASHER, FLAT ワッシャ 平 8M/MX1.6X17(1W-8) FE
7 WCY0352 6 STOPPER ストッパ FE
8 H5300A 12 BOLT, HEX SOCKET ボルト 六角穴 M05X015 1ハコ400ケ FE
9 W1023A 12 WASHER, LOCK ワッシャ スプリング 5M/M 1ハコ8000ケイリ ハコガイ FE
10 W1044A 12 WASHER, FLAT ワッシャ 平 4W- 5 FE
11 IPJ8180 4 BAND バンド FE
12 H5299A 3 BOLT, HEX SOCKET ボルト 六角穴 M05X012 1ハコ400ケ FE
13 W1023A 3 WASHER, LOCK ワッシャ スプリング 5M/M 1ハコ8000ケイリ ハコガイ FE
14 W1044A 3 WASHER, FLAT ワッシャ 平 4W- 5 FE
15 W1050A 3 WASHER, FLAT ワッシャ 平 5M/MX1.0X10(1W-5) FE
16 WCY0370 4 JOINT ジョイント FE
17 DNPJ1520 2 HOSE ホース FE
18 K5263T 8 SCREW, HEX SOCKET BUTTON 小ネジ 六角穴ボタン M12X025 FE
19 W1027A 8 WASHER, LOCK ワッシャ スプリング 12M/M FE
20 W1057A 8 WASHER, FLAT ワッシャ 平 12M/MX2.5X24(1W-12) FE
21 K2024R 2 CASTER キャスタ NO.105-N OT
22 H5321A 8 BOLT, HEX SOCKET ボルト 六角穴 M06X012 1ハコ200ケ FE
23 W1024A 8 WASHER, LOCK ワッシャ スプリング 6M/M 1ハコ3000ケイリ ハコガイ FE
24 K2024W 2 CASTER, UNIVERSAL キャスタ 自在 NO.105-N-S OT
25 H5321A 8 BOLT, HEX SOCKET ボルト 六角穴 M06X012 1ハコ200ケ FE
26 W1024A 8 WASHER, LOCK ワッシャ スプリング 6M/M 1ハコ3000ケイリ ハコガイ FE
27 T2043W 1 CHAIN チェーン TM-103SUS-11 L=540 OT
28 H5304A 1 BOLT, HEX SOCKET ボルト 六角穴 M05X025 1ハコ400ケ FE
29 W1023A 1 WASHER, LOCK ワッシャ スプリング 5M/M 1ハコ8000ケイリ ハコガイ FE
30 W1044A 1 WASHER, FLAT ワッシャ 平 4W- 5 FE
31 N1082A 1 NUT, HEX ナット 六角 M 5 P=0.8 1ハコ1000ケイリ ハコガイ FE
32 W1023A 1 WASHER, LOCK ワッシャ スプリング 5M/M 1ハコ8000ケイリ ハコガイ FE
33
W1044A
1
WASHER, FLAT
ワッシャ 平
4W- 5
FE
94

95