电器 Patrs List.pdf - 第56页
21 6連フィーダ 搭載部 :CM602-L Feeder set six reams:CM602-L パーツレイアウト Kit No. キット品 番 Kit Name キット名称 N610042277AA セクションNo. PARTS LAYOUT Section No. - - E41 ( KN610042277AA-00 )

Ref
No.
Remarks
R
1
Q'ty
20
一
括
交
換
台車段取ユニット
Change Cart Preparation Unit
イラスト
No.
Part No.
品 名品番 数量
R
2
パーツリスト
Kit N
o
.
キット品
番
Kit Name
キット名称
NMEJW1A
Part Name
備 考
セクションNo.
PARTS LIST
Section No.
R
3
SWITCH-PARTS
1
1 N510056834AA
S
F-05SUL2 LN DF
BREAKER
1
2 KXFP6DYAA00
S
NF50-SWU 2P 5A
TERMINAL-BLOCK
1
3 KXFP6F70A00
S
TM-UNIT-AC
CIRCUIT-PROTECTOR
1
4 KXFP02JAA00
S
NRF110-8A
NOISE-FILTER
1
5 KXFP6F67A00
S
SUP-EP5-ER-6
POWER
1
6 KXFP6GE3A00
S
ADA600F-24
SWITCH
1
7 KXFP5GEAA00 AR22PR-220B
SK
1
8 KXFP6DBAA01
S
R.A.V-781BWZ-4(DA KXFP6DBAA01)
PCB
1
9 KXFE000KA00
S
NF5ACA_PbF: Cart stand control board
AMP
1
10 KXFP6E5AA00 DRT1-232C2
POWER
1
11 KXFP61UAA00
S
P15E-12-N
CONVERTER
1
12 N510035988AA
S
Digi One IA 70002020
E40
-
-
( KNMEJW1A-03 )

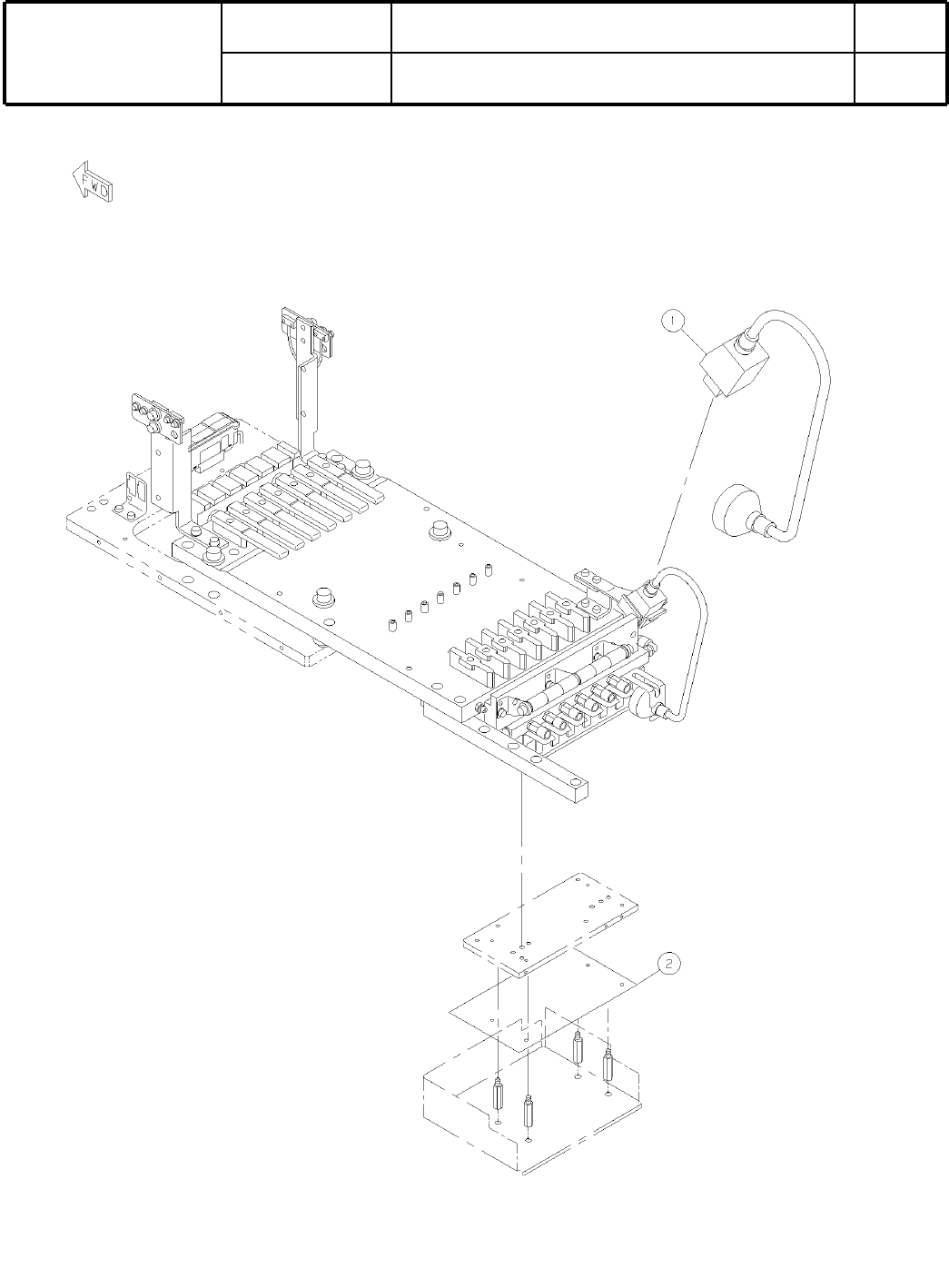
21
6連フィーダ
搭載部
:CM602-L
Feeder set six reams:CM602-L
パーツレイアウト
Kit No.
キット品
番
Kit Name
キット名称
N610042277AA
セクションNo.
PARTS LAYOUT
Section No.
-
-
E41
( KN610042277AA-00 )

Ref
No.
Remarks
R
1
Q't
y
21
6連フィーダ
搭載部
:CM602-L
Feeder set six reams:CM602-L
イラスト
No.
Part No.
品 名品番 数量
R
2
パーツリスト
Kit No.
キット品
番
Kit Name
キット名称
N610042277AA
Part Name
備 考
セクションNo.
PARTS LIST
Section No.
R
3
CABLE
1
1 N510028646AA CBL-ITF-EXTENTION PbF850
Feeder Cart Board
1
2 N610012674AA
S
PNF0AD-AA
E42
-
-
( KN610042277AA-01 )