P-254-006e.pdf - 第71页
MODEL GXH-1S 1012-006 69 Key No. P AR T No. P AR T NAME Q’ty REMARKS New Code NOTE M-2 4Unit/1Machine 103 6301778198 MOTOR,AC-SERVO 1 -M33 803M--210-003 4M150293 1 15 6301402529 BLOCK 1 803M--210-1 15 21 1G4316 1 18 6301…

MODEL GXH-1S
0804-003
68
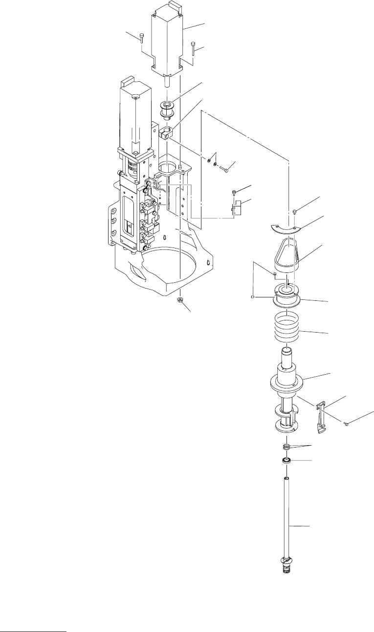
ヘッド部
HEAD SECTION
Fig. M-2
ノズル上下部
Nozzle Leveller
103
145
135
118
143
153
166
161
151
166
161
151
125
125
127
162
.
168
153
.
161
.
167
155
.
162
.
168
156
.
162
.
168
156
.
162
.
168
155
.
162
.
168
139
133
151
115
See Fig.M-4
Key No.321

MODEL GXH-1S
1012-006
69
Key No. PART No. PART NAME Q’ty REMARKS New Code
NOTE
M-2
4Unit/1Machine
103 6301778198 MOTOR,AC-SERVO 1 -M33 803M--210-003 4M150293
115 6301402529 BLOCK 1 803M--210-115 21
1G4316
118 6301273426 BRACKET 1 803M--210-118 21
1F8434
125 6301250311 CAM FOLLOWER 1 803M--210-015 222H0133
127
6301273433 GUIDE,LINEAR(KR-UNIT) 1 803M--210-017 222L0703
133
6301250878 SENSOR,PHOTO 3 -B3102,-B3104,-B3105
803M--210-033 23G10087
135
6301271682 BRACKET 1 803M--210-135 211F8403
139 6301551708 BRACKET 1 803M--210-139 211FC109
143 6301530666 BRACKET 1 803M--210-143 211FB776
145 6301486093 COUPLING 1 803M--210-025 223C0238
151
6300108996 BOLT,HEX-SCT 7 M2.5X6 221A0145
153
6301251615 BOLT,HEX-SCT 4 803M--210-203 221A0321
155
6300007503 BOLT,HEX-SCT 5 M3X6 221A0005
156
6300007527 BOLT,HEX-SCT 4 M3X10 221A0007
161
4111416606 WASHER SPR 2.5 6 SW2.5 221H0279
162
4111412806 WASHER SPR 3 10 SW3 221H0281
166
4111415708 WASHER F 2.5X5X0.5 4 FWS2.5 221H0336
167
4111413803 WASHER V 2.5X6.5X0.5 2 FW2.5 221H0310
168
4111413902 WASHER V 3X7X0.5 10 FW3 221H0312

MODEL GXH-1S
0804-003
70
ヘッド部
HEAD SECTION
Fig. M-3
ノズル選択部
Nozzle Selecter
231
226
See Fig.M-4
Key No.310
253
202
221
257
222
217
211
241
251
232
220
247
252
253
254
264
261
.
256
255
244
258
.
262
.
263