YSM20_KLW-100_cwd.pdf - 第3页
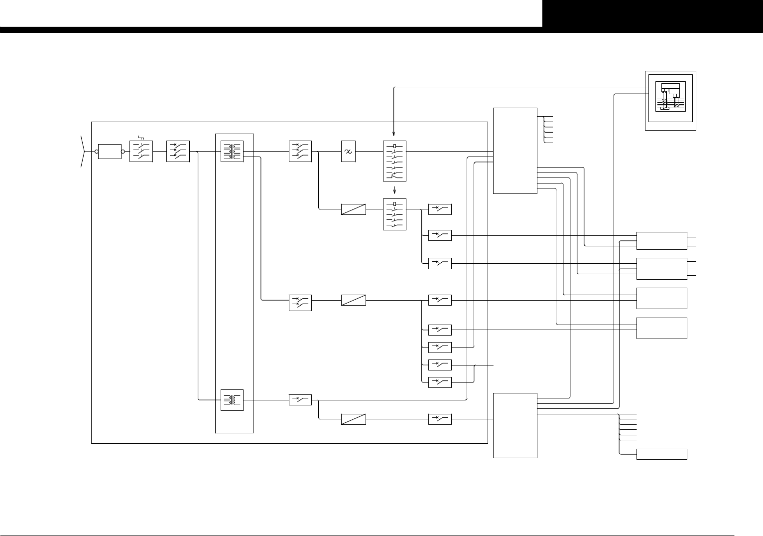
YSM20 ( 1-beam ) T able of contents /目次 Over view / 全体接続図 Power circuit / 電源回路図 Emergency circuit / 非常停止回路図 Control box -1- /コントローラー接続図 -1- Control box -2- /コントローラー接続図 -2- Control box -3- /コントローラー接続図 -3- Conveyor C/R / コ…

Safety.
To replace the purchased parts safely, be sure to comply with the following items.
However the following cannot cover all items regarding safety in detail. So it is
extremely important that the worker or person handling the machine make correct
decisions regarding safety.
CAUTION Machine operation of operator•Work is limited to maintenance and
safety skill.
Be sure to turn off the machine’s power supply before doing the exchange work.
Be sure to push the emergency stop SW, and do adjustment work under the
emergency stop condition.
Refer to the manual for the replacement work of each consumable part.
*
Safety alert symbols and signal words
CAUTION
Indicates a potentially hazardous situation which, if not avoided, may result in minor
injury, or material loss or damage to the machine. These points are important for
protecting the safety of the machine and data, etc.
安全について
お買い上げいただいたパーツを安全に交換していただくために、下記の事項は必ず守って作
業を行ってください。しかしながら、下記に全ての安全性に関する項目を細部にわたり網羅
することは困難です。従って作業者自身の安全に対する正確な判断が非常に大切な要素とな
りますことをご留意ください。
注意 作業者は本機の動作・メンテナンスに習熟していて安全に作業を行える方に限り
ます。
①交換作業は、マシンの電源を切ってから必ず行ってください。
②調整作業は、非常停止 SW を押し、非常停止状態で必ず行ってください。
③消耗品の交換、各メンテナンス作業についてはマニュアルをご参照ください。
※安全標記の 注意は取り扱いを誤った場合、傷害に至る可能性または物的損害の発生
が想定される内容を示しています。本体およびデータなどの損傷を防ぐために重要な注
意事項です。
YSM20
(
1-beam
)
Table of contents
/目次
Over view / 全体接続図
Power circuit / 電源回路図
Emergency circuit / 非常停止回路図
Control box -1- /コントローラー接続図 -1-
Control box -2- /コントローラー接続図 -2-
Control box -3- /コントローラー接続図 -3-
Conveyor C/R / コンベアー C/R 接続図
I/O conveyor -1- / I/O コンベアー接続図 -1-
I/O conveyor -2- / I/O コンベアー接続図 -2-
I/O conveyor -3- / I/O コンベアー接続図 -3-
I/O conveyor -4- / I/O コンベアー接続図 -4-
I/O conveyor -5- / I/O コンベアー接続図 -5-
Head / ヘッド
HM Head / HM ヘッド
FM Head / FM ヘッド
FIX70 feeder structure(SSF) / 70 連固定フィーダー (SSF) 接続図
Front FES32 Feeder(SSF)/ATS / 前側 32 連台車フィーダー (SSF)/ATS 接続図
Rear FES32 Feeder(SSF)/ATS / 後側 32 連台車フィーダー (SSF)/ATS 接続図
Front FES32 Feeder(ZSF)/ATS / 前側 32 連台車フィーダー (ZSF)/ATS 接続図
Rear FES32 Feeder(ZSF)/ATS / 後側 32 連台車フィーダー (ZSF)/ATS 接続図
Ionizer assy (option) /イオナイザー ( オプション )
Power transformer / 電源トランス接続
Air circuit / エアー回路図
Wiring parts list / 配線部品表
P.1
P.2
P.3
P.4
P.5
P.6
P.7
P.8
P.9
P.10
P.11
P.12
P.13
P.14
P.15
P.16
P.17
P.18
P.19
P.20
P.21
P.22
P.23
P.31
Condential & Proprietary

Confidential & Proprietary
PAGE
Circuit
Protector
QF31 10A
CONTROL BOX
Each Motors
Noise
NF11
Filter
3∼ AC230V
1∼ AC100V
ECAT
ECAT
MKY
MKY
MKY
DC24VA
3∼ AC230V
BARCODE READER(OPTION)
USB KEY/MS(OPTION)
USB MEMORY
TOUCH LCD
CAMERA UNIT
INPUT:
MOTOR:3∼ 230V
AC50/60Hz 4.0A(MAX)
CONTROL:1∼ 100V
OUTPUT:
DRIVER
STANDARD
Power Supply
GS31 600W 12.5A
DC48V
DC48V
QF51 5A
QF52 5A
DC48V
ECAT
DC24VB
HEAD BRD.UNIT
HM HEAD
FM HEAD
SL CONVEYOR
DC24VB
QF46 20A
I/O CONVEYOR BOARD
MKY
DC24VB
EMG S/W
COVER S/W
SIGNAL TOWER
SENSOR
VALVE
FDR SET ST.(OPTION)
IONIZER ASSY(OPTION)
Circuit
Protector
QF32 3A
DC24VA
Power Supply
DC24VA
GS21 600W 25A
QF41 7A
F.FEEDER HOLDER
DC24VA
QF43 5A
DC24VA
QF42 7A
DC24VA
QF44 3A
FAN MOTOR POWER
DC24VA
QF45 3A
R.FEEDER HOLDER
MKY
MKY
DC48V
QF53 5A
DC48V
DC24VB
ECAT
CONVEYOR CONTROLLER
CV,W MOTOR
SENSOR
BATTERY
SENSOR,VALVE
Z,R MOTOR
K3 K4
Control
Circuit
K1 K2 Off Delay
Timer
Safety Relay
EMERGENCY CIRCUIT
KM10
See Page 3
380/400/416V
200/208/220/240
3∼ 50/60Hz
POWER TRANSFORMER
TERMINAL
Terminal
XB11
QS11 40A
Main Switch
QF11 40A
Main Breaker
TM11 5.18KVA
Transformer
3∼
TC11 1.00KVA
Transformer
POWER CIRCUIT
See Page 2
Contactor
3∼ AC230V
KM11/KM11A
Contactor
KM12/KM12A
DC24VA
DC24VA
3∼
1∼
3∼ AC230V
1∼ AC230V
1∼ AC200V
3∼ AC230V
1∼ AC200V
AC50/60Hz 7.2A(MAX)
3∼ 200V 0-375Hz
ATS -OP-
Rating 13.9KVA MAX.
FIX70(SSF)
FES32(SSF),ATS
FES32(ZSF),ATS
FES32(SSF),ATS
FES32(ZSF),ATS
FIX70(SSF)
See Page 21
See Page 22
HEAD
See Page 16
See Page 17
See Page 19
See Page 16
See Page 18
See Page 20
4:1.5KW(TOTAL)
See Page 13
See Page 14
See Page 15
SL CONVEYOR …Page 12
CN1-CN13 …Page 8
CN14-CN24 …Page 9
CN25-CN28 …Page 10
CN29-CN45 …Page 11
See Page 4-6
3:1.06KW(TOTAL)
2:2.91KW(TOTAL)
2:2.91KW(TOTAL)
3:1.06KW(TOTAL)
See Page 7
QF21 10A
1∼ AC100V
Power Supply
DC24VB
GS22 600W 27A
1∼ AC100V
CC.V3
1
OVER VIEW
YSM20-1