P-0199-001.pdf - 第190页
MODEL TCM-3700-2 0109-001 188 ⓨᓮㇱ PNEUMATIC SECTION Fig.10-3 ࠛࠕ㈩▤ Air Piping 21 22 23 25 26 29 28 27 41 42 22 24 25 1 2 3 4 11 12 1-8 1-7 1-6 1-3 1-3 1-2 1-2 1-5 1-4

MODEL TCM-3700-2
0109-001
187
Key No. PART No. PART NAME Q’ty REMARKS
NOTE
10-2
1 630 085 4442 COVER(RBR) 1 739R--01B-121
2 411 113 9109 SCR TRS 5X10 5 M5X10 TRS
8 630 003 8033 PIPE FITTINGS 1
9 630 008 0285 PIPE FITTINGS 1
10 630 003 7388 PIPE FITTINGS 1
11 630 003 8231 PIPE FITTINGS 2 739L--01H-010
12 630 003 8224 PIPE FITTINGS 7 739L--01H-009
13 630 003 8248 PIPE FITTINGS 2 739L--01H-011
14 630 003 7814 PIPE FITTINGS 3
15 411 141 4305 WASHER V 6X12.5X1.6 4 FW6
16 411 141 3001 WASHER SPR 6 4 SW6
17 630 000 7893 BOLT,HEX-SCT 4 M6X20
18 630 053 4917 MECH PARTS (PADLOCK) 1 739L--01H-092
50 630 055 2515 AIR LINE EQPT 1 #A3-208252- 739L--01H-008
51 630 046 7963 PIPE FITTINGS 1
52 630 077 7918 AIR LINE EQPT 1
52 -1 630 062 4526 AIR LINE EQPT 1
53 630 043 8031 AIR LINE EQPT 5
54 630 046 8014 SWITCH,PRESSURE 1 PS1
55 630 054 9546 PIPE FITTINGS 1
56 630 046 8007 AIR LINE EQPT 2
57 630 046 7970 PIPE FITTINGS 1
58 630 043 8017 AIR CLEAN EQPT 1
58 -1 630 062 4533 AIR LINE EQPT 1
59 630 043 8024 AIR CLEAN EQPT 1
59 -1 630 062 4540 AIR LINE EQPT 1
60 630 003 8187 PIPE FITTINGS 1
61 630 061 4893 VALVE 1
62 630 003 8125 PIPE FITTINGS 1

MODEL TCM-3700-2
0109-001
188
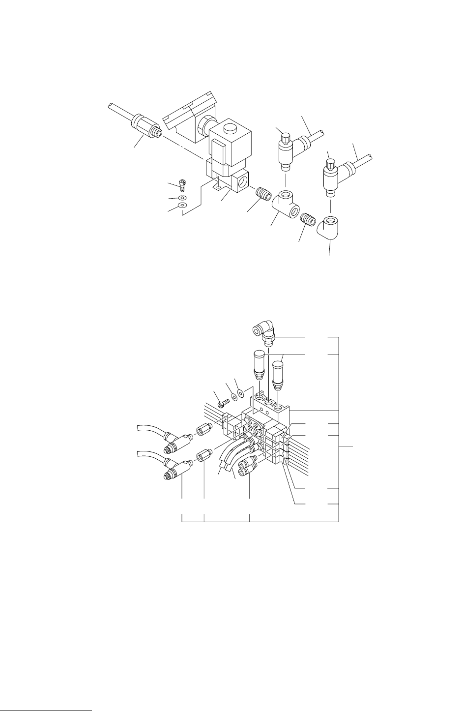
ⓨᓮㇱ PNEUMATIC SECTION
Fig.10-3 ࠛࠕ㈩▤ Air Piping
21
22
23
25
26
29
28
27
41
42
22
24
25
1
2
3
4
11
12
1-8 1-7 1-6
1-3
1-3
1-2
1-2
1-5
1-4

MODEL TCM-3700-2
0109-001
189
Key No. PART No. PART NAME Q’ty REMARKS
NOTE
10-3
1 630 064 2087 SOLENOID VALVE 1 739F--01H-030
1 -2 630 081 3609 SOLENOID VALVE 2 SV32, SV106
1 -3 630 081 3593 SOLENOID VALVE 2 SV24A, SV24B, SV31A, SV31B
1 -4 630 052 1993 PIPE FITTINGS 1
1 -5 630 003 6541 AIR LINE EQPT 2
1 -6 630 040 4067 PIPE FITTINGS 2
1 -7 630 003 8293 PIPE FITTINGS 2
1 -8 630 065 7296 AIR LINE EQPT 2
2 411 141 4008 WASHER V 4X9X0.8 2 FW4
3 411 141 2905 WASHER SPR 4 2 SW4
4 630 000 7688 BOLT,HEX-SCT 2 M4X30
21 630 000 1709 SOLENOID VALVE 1 SV30 739L--01H-014
22 630 003 8163 PIPE FITTINGS 2
23 630 003 8064 PIPE FITTINGS 1
24 630 003 7821 PIPE FITTINGS 1
25 630 003 6688 AIR LINE EQPT 2 739L--01H-015
26 630 031 8579 PIPE FITTINGS 1 739L--01H-016
27 411 141 4008 WASHER V 4X9X0.8 2 FW4
28 411 141 2905 WASHER SPR 4 2 SW4
29 630 000 7619 BOLT,HEX-SCT 2 M4X8