P-0198-001.pdf - 第36页
MODEL TCM-3600J-2 0109-001 34 ࡋ࠶࠼㚟േㇱ HEAD DRIVING SECTION Fig. 3-5 ࠞࡓゲ㧙 1 ࡃ Cam Shaft-1 Lever 6-3 6 - 2 6-6 6-6 2 5 2 4 2 3 31 31 7 2 8 29 29 3 0 1 2 1 3 1 4 1 5 2 2 2 1 20 20 1 9 3 6 3 7 3 8 26-4 26-4 6 - 3 26-3 26-3 …

MODEL TCM-3600J-2
0109-001
33
Key No. PART No. PART NAME Q’ty REMARKS
NOTE
3-4
1 630 050 7546 PULLEY,TIMING 1 703K--01H-002
2 630 049 0060 MECH PARTS(MECHA LOCK) 1 703K--01H-007
3 630 058 3465 CAM (01) 1 703K--01B-071
4 630 029 1391 WASHER 3 703K--01H-048
5 411 008 2109 WASHER SPR 5 3 SW5 F
6 630 052 0934 BOLT,HEX (7T) 3
7 630 048 7190 DISK 1 703K--01B-027
8 411 141 4008 WASHER V 4X9X0.8 1 FW4
9 411 141 2905 WASHER SPR 4 1 SW4
10 630 000 7633 BOLT,HEX-SCT 1 M4X12
11 630 048 7176 BRACKET 1 703K--01B-025
12 630 032 5287 SENSOR,PHOTO 1 PHS60 703K--01H-042
13 630 000 0269 SENSOR,PHOTO(CONNECTOR) 1 703K--01H-043
14 411 119 1909 WASHER V 3X7X0.5 2 FW3 F
15 411 086 4408 WASHER SPR 3 2 SW3 F
16 411 042 0703 SCR PAN 3X8 2 M3X8 PAN
17 411 141 4107 WASHER V 5X10X1 2 FW5
18 411 141 6705 WASHER SPR 5 2 SW5
19 630 000 7756 BOLT,HEX-SCT 2 M5X12
20 630 049 0251 KEY 1 703K--01H-047
21 630 048 7152 RING 1 703K--01B-023
22 630 000 8982 SET SCREW 2 M6X8 SET
23 630 058 3526 CAM (07) 1 703K--01B-077
24 630 029 1391 WASHER 3 703K--01H-048
25 411 008 2109 WASHER SPR 5 3 SW5 F
26 630 052 0927 BOLT,HEX (7T) 3
27 630 050 5177 NAME PLATE,INDEX 1 703K--01H-055
28 411 141 4503 WASHER V 8X17X1.6 1 FW8
29 411 141 3100 WASHER SPR 8 1 SW8
30 630 000 8005 BOLT,HEX-SCT 1 M8X16

MODEL TCM-3600J-2
0109-001
34
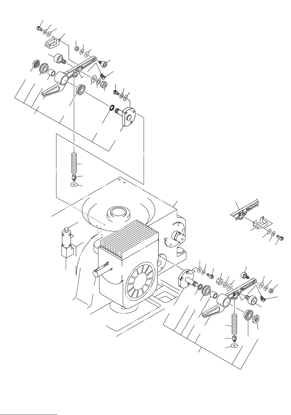
ࡋ࠶࠼㚟േㇱ HEAD DRIVING SECTION
Fig. 3-5 ࠞࡓゲ㧙 1 ࡃ Cam Shaft-1 Lever
6-3
6-2
6-6
6-6
25
24
23
31
31
7
28
29
29
30
12
13
14
15
22
21
20
20
19
36
37
38
26-4
26-4
6-3
26-3
26-3
26-3
26-2
26-6
5
4
3
11
27
27
10
9
8
32
32
35
42
41
40
39
34
33
See Fig.2-1
Key No.1
26-1
26-1
26
6-1
6
6-4
26-5
16
17
18
18
6-5
Fig.3-5
TCM-3600J-2
TCM-3600J

MODEL TCM-3600J-2
0109-001
35
Key No. PART No. PART NAME Q’ty REMARKS
NOTE
3-5
3 630 001 0237 WASHER 1 703KB-01H-110
4 630 048 4847 PIN,GUIDE 1 703KB-01B-019
5 630 049 3016 SPRING,COMP 1 703KB-01B-033
6 630 060 6706 ASSY,LEVER(CZ) 1
6 -1 630 056 8097 LEVER (CZ) 1 703KB-01B-001
6 -2 630 048 2195 COLLAR 1 703KB-01B-003
6 -3 630 001 1449 BEARING,RADIAL 2 703KB-01H-001
6 -4 630 048 2201 COLLAR 1 703KB-01B-004
6 -5 630 048 2188 PIN,GUIDE 1 703KB-01B-002
6 -6 630 048 7404 BEARING,PARTS(LOCK NUT) 1 703KB-01H-004
7 630 048 9934 CAM FOLLOWER 1 703KB-01H-002
8 411 141 4800 WASHER V 12X24X2.5 1 FW12
9 411 141 3308 WASHER SPR 12 1 SW12
10 630 050 1056 NUT 1 703KB-01H-023
11 630 003 4271 GREASE NIPPLE 1 703KB-01H-022
12 630 007 2501 CAM FOLLOWER 1 703KB-01H-003
13 411 141 4503 WASHER V 8X17X1.6 1 FW8
14 411 141 3100 WASHER SPR 8 1 SW8
15 411 141 0901 NUT HEX 8 1 M8
16 411 141 4305 WASHER V 6X12.5X1.6 3 FW6
17 411 141 3001 WASHER SPR 6 3 SW6
18 630 000 7886 BOLT,HEX-SCT 3 M6X16
19 630 056 8868 BOX 1 703KB-01B-140
20 411 141 4008 WASHER V 4X9X0.8 2 FW4
21 411 141 2905 WASHER SPR 4 2 SW4
22 630 000 7626 BOLT,HEX-SCT 2 M4X10
23 630 001 0237 WASHER 1 703KB-01H-110
24 630 048 4847 PIN,GUIDE 1 703KB-01B-019
25 630 049 3030 SPRING,COMP 1 703KB-01B-035
26 630 060 6713 ASSY,LEVER(MZ) 1
26 -1 630 056 8103 LEVER (MZ) 1 703KB-01B-011
26 -2 630 048 2195 COLLAR 1 703KB-01B-003
26 -3 630 001 1449 BEARING,RADIAL 2 703KB-01H-001
26 -4 630 048 2201 COLLAR 1 703KB-01B-004
26 -5 630 048 2263 PIN,GUIDE 1 703KB-01B-012
26 -6 630 048 7404 BEARING,PARTS(LOCK NUT) 1 703KB-01H-004
27 630 048 9934 CAM FOLLOWER 1 703KB-01H-002
28 411 141 4800 WASHER V 12X24X2.5 1 FW12
29 411 141 3308 WASHER SPR 12 1 SW12
30 630 050 1056 NUT 1 703KB-01H-023
31 630 003 4271 GREASE NIPPLE 1 703KB-01H-022
32 630 007 2501 CAM FOLLOWER 1 703KB-01H-003
33 411 141 4503 WASHER V 8X17X1.6 1 FW8
34 411 141 3100 WASHER SPR 8 1 SW8
35 411 141 0901 NUT HEX 8 1 M8
36 411 141 4305 WASHER V 6X12.5X1.6 3 FW6
37 411 141 3001 WASHER SPR 6 3 SW6
38 630 000 7886 BOLT,HEX-SCT 3 M6X16
39 630 056 8875 BOX 1 703KB-01B-141
40 411 141 4008 WASHER V 4X9X0.8 2 FW4