FTF-Rev05.pdf - 第10页

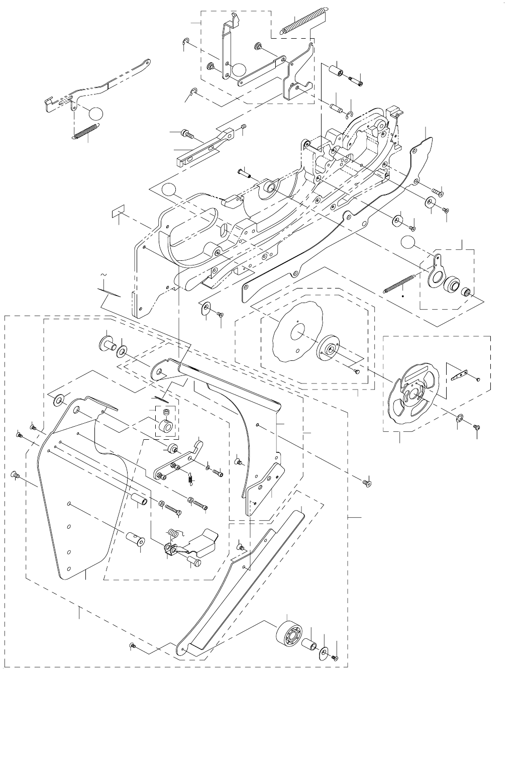
- 7 - 4. FF121S/FF12NS/FF122S/FF123 S/FF12FS(2) F F1 2 1S/F F1 2N S/F F1 2 2S/F F1 2 3S/F F1 2F S ( 2 ) 2 9 5 1 3 4 A 23 22 13 17 19 B 20 A 22 18 8 57 24 14 21 7 56 59 15 16 16 15 6 15 16 10 12 58 B 35 31 50 44 46 41 45 …

100%1 / 46
- 6 -
NOTE( 注記 ) #01....FOR FF12NS FF 12 NS
#02....EXCEPT FF12NS,FF12FS FF 12 NS,FF 12 FS
#03....FOR FF121S,FF12NS FF 121 S,FF 12 NS
#04....FOR FF122S FF 122
#05....FOR FF123S FF 123
#06....FOR FF12FS FF 12 FS
#07....FOR FF123S,FF12FS FF 12 S,FF 12 FS
REF.NO NOTE PART NO D E S C R I P T I O N
品 名
Qty
1 E3000-706-0A0-A FEEDER BASE 12 ASM.
フィーダベース12組
1
2 E3001-706-0A0-A X-POSITIONING PIN 12 ASM.
軸基準ピン12(組)
1
3 SL-5030635-SN SCREW
なべ小ねじ
2
4 E3005-706-000 EMBOSS GUIDE
エンボスガイド
1
5 SM-5030501-SN SCREW
バインドねじ
3
6 E1102-706-0A0 WHEEL 2 ASM.
ホイ−ル 2(組)
1
7
#01
E2102-706-0A0 WHEEL 4 ASM.
ホイール 4(組)
1
8 E1100-706-000 WHEEL SHAFT
ホイ−ルシャフト
1
9 NM-6040001-SC NUT M4
六角ナット M
1
10 E1104-706-000 WHEEL COLLAR
ホイ−ルカラ−
1
11 E1105-706-000 POLY SLIDER
ポリスライダ
1
12 E6308-705-000 WHEEL RING
ホイールリング
1
13 E3106-706-0A0 SWING PLATE 12 ASM.
スイングプレ−ト 12(組
1
14
#01
E5106-706-0A0 SWING PLATE ASM.
スイングプレート(組)
1
15 E1107-706-000 SWING PLATE WASHER
スイングプレ−ト止め座金
1
16 E6350-705-000 RATCHET SP
ラチェット SP
1
17 RE-0200000-K0 E-RING
形止め輪 2
1
18 E6386-705-000 SHUTTER LEVER SCREW
シャッターレバー段ねじ
1
19 E4901-760-000 POLY SLIDER THRUST WASHER
ポリスライダスラストワッシ
1
20
#02
E1111-706-000 RATCHET HOOK STOPPER
ラチェット爪ストッパ−
1
21
#02
SM-5030855-SN SCREW
バインドねじ
1
22 E3115-706-0B0 LINK 12 ASM.
リンク 12(組)
1
23
#01
E4115-706-0B0 LINK 12/16NS ASM
リンク 12/16 NS
1
24 E1116-706-C00 KNOCK LEVER SHAFT
ノックレバー軸
1
25 400-52091 LINK SCREW M
リンクスクリュー
1
26 E1112-706-000-A STOPPER HOOK
ストッパー爪
1
27
#01
E2112-706-000-A STOPPER HOOK 8-4
ストッパー爪8−4
1
28 E6322-705-000 PIN
偏芯ピン
1
29 NM-6030001-SN NUT
六角ナット
1
30 E6351-705-000 STOPPER SP
ストッパ SP
1
31 E6367-705-000 STOPPER SHAFT
ストッパ偏芯シャフト
1
32 WP-0430801-SC WASHER 4.3X9X0.8
平座金 4.3 0.8
1
33 WS-0410002-KN SPRING WASHER
ばね座金 M
1
34 NM-6040001-SC NUT M4
六角ナット M
1
35 E6490-705-000 COLLAR
ラチェット爪調整偏芯カラー
1
36 400-55254 SCREW M3X5 MEC
メックねじ M
1
37
#01
E3130-706-00E STOPPER 12/16/24-NS
ストッパ 12/16/24 NS
1
38
#03
E3130-706-00A STOPPER 12/16-4
ストッパ 12/16−4
1
39
#04
E3130-706-00B STOPPER 12/16-8
ストッパ 12/16−8
1
40
#05
E3130-706-00C STOPPER 12/16-12
ストッパ 12/16−12
1
41
#06
E3130-706-00D STOPPER 12/16-FS
ストッパ 12/16− FS
1
42
#01
E3203-706-0AD UPPER COVER 12NS ASM.
アッパ−カバ−12 NS
1
43
#03
E3203-706-0AA UPPER COVER 1204 ASM.
アッパ−カバ−1204組
1
44
#04
E3203-706-0AB UPPER COVER 1208 ASM.
アッパーカバー1208組
1
45
#07
E3203-706-0AC UPPER COVER 1212 ASM.
アッパーカバー1212組
1
46 E1210-706-000 SHUTTER RETURN SP
シャッタリタ−ン SP
1
47
#01
E5210-706-000 SHUTTER RETURN SP
シャッターリターン SP
1
48 E1212-706-000 HOOK SHAFT
フックシャット
1
49 E1213-706-000 HOOK SP
フック SP
1
50 E3214-706-000 FRONT BRACKET 12
フロントブラケット 12
1
51 E3223-706-000-A FRONT SPACER
フロントスペーサ
1
52 SM-4030855-SN SCREW M3 L=8.0
なべねじ M 3 L =8
2
53 WS-0310002-KN SPRING WASHER M3
ばね座金 3.1 5.9 0.7
1
54 SM-6031002-TN BOLT M3 L=10
六角穴ボルト M 3 L =10
1
55 WP-0320501-SC WASHER M3
平座金 3.2 0.5
1
56 400-52187 UPPER COVER SHAFT 12
アッパーカバーシャフト12
1
57 NM-6030003-SC NUT
六角ナット M
1
58 E1211-706-000 UPPER COVER HOOK
アッパ−カバ−フック
1
- 7 -
4. FF121S/FF12NS/FF122S/FF123S/FF12FS(2)
F11S/FF12NS/FF12S/FF13S/FF12F
2
9
5
1
3
4
A
23
22
13
17
19
B
20
A
22
18
8
57
24
14
21
7
56
59
15
16
16
15
6
15
16
10
12
58
B
35
31
50
44
46
41
45
26
42
42
43
41
40
34
54
53
51
55
37
39
38
39
49
47
48
33
27
36
52
29
35
32
30
28
25
22
- 8 -
NOTE( 注記 ) #01....FOR FF12NS FF 12 NS
#02....FOR FF121S,FF12NS FF 121 S,FF 12 NS
#03....FOR FF122S,FF123S,FF12FS FF 122 S,FF 123 S,FF 12 FS
REF.NO NOTE PART NO D E S C R I P T I O N
品 名
Qty
1 E3303-706-0A0 SHAKE ARM 12 ASM.
揺動ア−ム 12(組)
1
2 E2300-706-000 RETURN SP
リタ−ン SP
1
3 E1301-706-000 REEL SP
巻取り SP
1
4
#01
E5301-706-000 REEL SP 24
巻取り SP 24
1
5 E3304-706-0A0-A HOUSING 12 ASM.
ハウジング12組
1
6 E3310-706-0A0-A TAPE HPLDER 12 ASM.
テープホルダ−12組
1
7 E3306-706-000-A REEL SHAFT
巻取りシャフト
1
8 WT-0320002-KZ WASHER
歯付き座金 M
1
9 400-73926 SCREW M3X5 MEC
メックねじ M
1
10
#01
E3705-706-000 NAME_PLATE
機種名ラベル(FF 12 NS)
1
11
#02
E3701-706-000 NAME PLATE
機種名ラベル(FF 121 S)
1
12
#03
E3702-706-000 NAME PLATE
機種名ラベル(FF 122 S)
1
13 E3400-706-000 GUIDE COVER
ガイドカバ−
1
14 SM-1030601-SN SCREW M3X0.5 L=6
皿小ねじ M 0.5 L =6
6
15 E6344-705-000 TAPE GUIDE
テープガイド
3
16 SM-1030601-SN SCREW M3X0.5 L=6
皿小ねじ M 0.5 L =6
3
17 E3500-706-000 LOCK HOLDER BLOCK 12
ロックホルダ−ブロック 12
1
18 SL-6042092-TN SCREW M4 L=20
座金付き六角穴ボルト
2
19 E3501-706-0A0-A LOCK HOLDER 12
ロックホルダ−12
1
20 E6420-705-000 LOCK LEVER PIN B
ロックレバ−ピン B
1
21 SM-8040402-TP SCREW M4X0.7 L=4
止めねじ M 0.7 L =4
1
22 RE-0400000-K0 E-RING 4
形止め輪 4
3
23 E3506-706-000 LOCK SP 12
ロック SP 12
1
24 E3600-706-0B0-C REEL SUPPORT 12 COMPL.
リ−ルサポ−ト12総組
1
25 E3600-706-0A0-B SUPPORT 12 ASM.
リールサポート12(組)
(1)
26 E3600-706-000-A REEL SUPPORT ARM
リールサポートアーム
(1)
27 E3601-706-0A0-A REEL SUPPORT BASE ASM.
リ−ルサポ−トベース(組)
(1)
28 E3601-706-000 REEL SUPPORT BASE
リ−ルサポ−トベース
(1)
29 E3604-706-000 REEL_SUPPORT_FITTING_PLATE
リ−ルサポ−ト合わせ板
(1)
30 400-52049 SCREW M4X6 MEC
メックねじ M4X6
(2)
31 E3605-706-000 REEL SUPPORT SH
リ−ルサポ−ト SH
(1)
32 E3607-706-000 SUPPORT MAGNET
サポートマグネット
(1)
33 E3608-706-000 REEL SUPPORT BRACKET
リ−ルサポ−トブラケット
(1)
34 400-52049 SCREW M4X6 MEC
メックねじ M4X6
(2)
35 E3855-760-000 THRUST WASHER A
スラストワッシャ−
(2)
36 E3614-706-AA0 REEL_SUPPORT_SH_COLLER
リールサポート SH カラー
(1)
37 SM-6031602-TN SCREW M3 L=16
六角穴ボルト
(1)
38 SM-6031002-TN BOLT M3 L=10
六角穴ボルト M 3 L =10
(1)
39 NM-6030001-SN NUT
六角ナット
(2)
40 E3602-706-000 GUIDE ROLLER
ガイドロ−ラ
(1)
41 E3603-706-000 GUIDE ROLLER SH
ガイドロ−ラ SH
(2)
42 400-52050 SCREW M3X6 MEC
メックねじ M3X6
(2)
43 E6344-705-000 TAPE GUIDE
テープガイド
(1)
44 400-52050 SCREW M3X6 MEC
メックねじ M3X6
(1)
45 E3611-706-0A0-B REEL HOOK 12 ASM
リールフック12組
(1)
46 SM-1040801-SN SCREW
皿小ねじ
(1)
47 E6949-705-000 REELPRESSURE 12
リール押え12
(1)
48 E6355-705-000 F COVER 8
F カバー SP 8
(1)
49 E3045-706-A00 REEL_HOLD_SHAFT
リール押えシャフト12
(1)
50 SM-1030601-SN SCREW M3X0.5 L=6
皿小ねじ M 0.5 L =6
(1)
51 E3609-706-0A0-A REEL_SUPPORT_HOOK_ASM.
リールサポートフック組
(1)
52 E3610-706-000-A REEL_SUPPORT_HOOK_SH
リールサポートフック調整 SH
(1)
53 WP-0320501-SC WASHER M3
平座金 3.2X7X0
(1)
54 SM-6031002-TN BOLT M3 L=10
六角穴ボルト M 3 L =10
(1)
55 A1607-008-000 REEL SUPPORT HOOK SP
リ−ルサポ−トフック SP
(1)
56 E3335-706-000 TAPE GUIDE ROLLER 12/16
テープガイドローラー 12/16
1
57 E5704-760-000 LOT NAME PLATE
ロット銘板
1
58 SM-1040801-SN SCREW M4X0.7 L=8
皿ねじ M 4 L =8
4
59 E3336-706-000 TAPE GUIDE ROLLER SH 12
テープガイドローラー SH 12
1