NPM-D3 parts list.pdf.pdf - 第402页
57- F 8ノズルヘッド:NPM 8 NOZZLE HEAD:NPM パーツレイアウト Kit No. キット 品番 Kit Name キット名称 N610157742AA セクションNo. PARTS LAYOUT Section No. - - O207 ( KN610157742AA-13-6 )

Ref
No.
Remarks R
1
Q'ty
57-E
8ノズルヘッド:NPM
8 NOZZLE HEAD:NPM
イラスト
No.
Part No.
品 名品 番 数量
R
2
パーツリスト
Kit No.
キット品番
Kit Name
キット名称
N610157742AA
Part Name
備 考
セクションNo.
PARTS LIST
Section No.
R
3
NUT
8
1 N210081879AA
COLLAR
4
2 N210081880AB
COLLAR
10
3 N210081881AC
COLLAR
4
4 KXFB02LXA00
NUT
8
5 N210005896AA
PIECE
24
6 N210110278AA
COLLAR
4
7 N210081883AC
SHIM
2
8 N510068965AA BRF010012100-C
PLATE
1
9 N210087079AA
BEARING
16
10 N510068997AA MT1510 AF2Q
BEARING
6
11 N510022701AA MR84ZZ
SPACER
1
12 N510021005AA CF-404E
PULLEY
8
13 N510034189AB P26-2GT-BLP(K0703-003)
PULLEY
4
14 KXF0DURAA00 P34-2GT-BLP-6-44(Delivery drawing available)
SHIM
2
15 N510033410AA RF010014050
T-BELT
2
16 N510034190AA 302-2GT-6(3F30N17)S-106358
WASHER
3
17 N510023371AA LLRB4-1.0
O206
--
( KN610157742AA-13-5 )

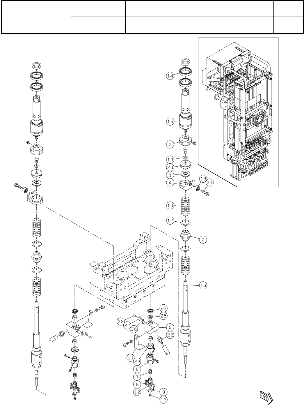
57-F
8ノズルヘッド:NPM
8 NOZZLE HEAD:NPM
パーツレイアウト
Kit No.
キット品番
Kit Name
キット名称
N610157742AA
セクションNo.
PARTS LAYOUT
Section No.
--
O207
( KN610157742AA-13-6 )

Ref
No.
Remarks R
1
Q'ty
57-F
8ノズルヘッド:NPM
8 NOZZLE HEAD:NPM
イラスト
No.
Part No.
品 名品 番 数量
R
2
パーツリスト
Kit No.
キット品番
Kit Name
キット名称
N610157742AA
Part Name
備 考
セクションNo.
PARTS LIST
Section No.
R
3
COLLAR
8
1 N210081873AA
GUIDE
8
2 N210081874AA
HOLDER
8
3 N210119553AA
HOLDER
8
4 N210062309AA
HOUSING
8
5 N210081889AD
HOLDER
8
6 N210081891AB
SPRING
8
7 N210068065AA
A
SPRING
8
8 N210014666AC
A
CLAMP-ARM
16
9 N210098763AB
A
SPRING
16
10 N210082819AB
COVER
8
11 N210081916AB
NOZZLE HOLDER
8
12 N610067607AE
FILTER
8
13 N610097899AC
BEARING
40
14 MTNB000066AA MT2015CM AF2Q
BALL-SCREW
8
15 N510037847AA BLK0608S-3.3GT+68LCP5R(32099810K020)
BALL-SPLINE
8
16 N510064708AA MAG6C1R167S1E053
SHIM
16
17 N510033382AA RF012016050
BEARING
8
18 N510067504AA 693JZZMC3 NS7L
WASHER
8
19 N210160245AA
BEARING
8
20 N510069001AA F625CZZMC3 NS7L
BOLT
8
21 N510067788AA Low Head Cap Screw M3X12-8.8 SOB
JOINT
8
22 MTNP000831AA M-5AU-4-X83
BEARING
8
23 N510069002AA MF117ZZMC3 NS7L
BEARING
8
24 N510069003AA MF85CZZMC3 NS7L
PACKING
16
25 KXF0CSQAA00 MYA-5
SHIM
8
26 N510028628AA RF002004020
BEARING
8
27 N510067507AA MR62JZZMC2 NS7L
PIN
8
28 N510049558AA N2X5-07
O208
--
( KN610157742AA-13-6 )