OM-1074-001.pdf - 第138页
Tg0436-PM-CL 0107-001 3 - 9 3. ৻⥸ㇱຠߩ႐ว (IC ࠍ㒰ߊ ) (3) ⩄ᆫ᭽ߦߟߡ ㇱຠ ID ߩ 5 ޔ 6 ᢥሼ⋡ߦޔએਅߩࠃ߁ߦ⩄ᆫ᭽ࠍㅊടߒ߹ ߔޕ ㇱຠ ID: 5 ᢥሼ⋡ : ߤߩᣇะߦ࠼߇ࠆ߆ࠍߒ߹ߔޕ L: ㇱຠㅍࠅᣇะߦኻߒߡᏀ R: ㇱຠㅍࠅᣇะߦኻߒߡฝ F: ㇱຠㅍࠅᣇะ B: ᓟࠈᣇะ 6 ᢥሼ⋡ : ࠼ߩᧄᢙ߹ߚߪᄥߐࠍߒ߹ߔޕ …

Tg0436-PM-CL0110-002 3-8
3. ৻⥸ㇱຠߩ႐ว(IC ࠍ㒰ߊ)
Fig.C7
3..43..4
3..43..4
3..4
⩄ᆫ᭽⩄ᆫ᭽
⩄ᆫ᭽⩄ᆫ᭽
⩄ᆫ᭽
() ኻ⽎ߣߥࠆㇱຠ
Table C3
ㇱຠ⒳ ㇱຠ⇛⺆ ㇱຠฬ
DI DI ࠳ࠗࠝ࠼
TR HEMT HEMT(චሼᒻᒻ⁁ߩㇱຠ)
TR ࠻ࡦࠫࠬ࠲
CPTR ࠦࡦࡄࠢ࠻ࡄࡢ࠻ࡦࠫࠬ࠲
MPTR ࡒ࠾ࡄࡢ࠻ࡦࠫࠬ࠲
PTR ࡄࡢ࠻ࡦࠫࠬ࠲
TC TC ࠻ࡑࠦࡦ࠺ࠨ
VR VR ඨ࿕ቯࡏࡘ࠙ࡓ
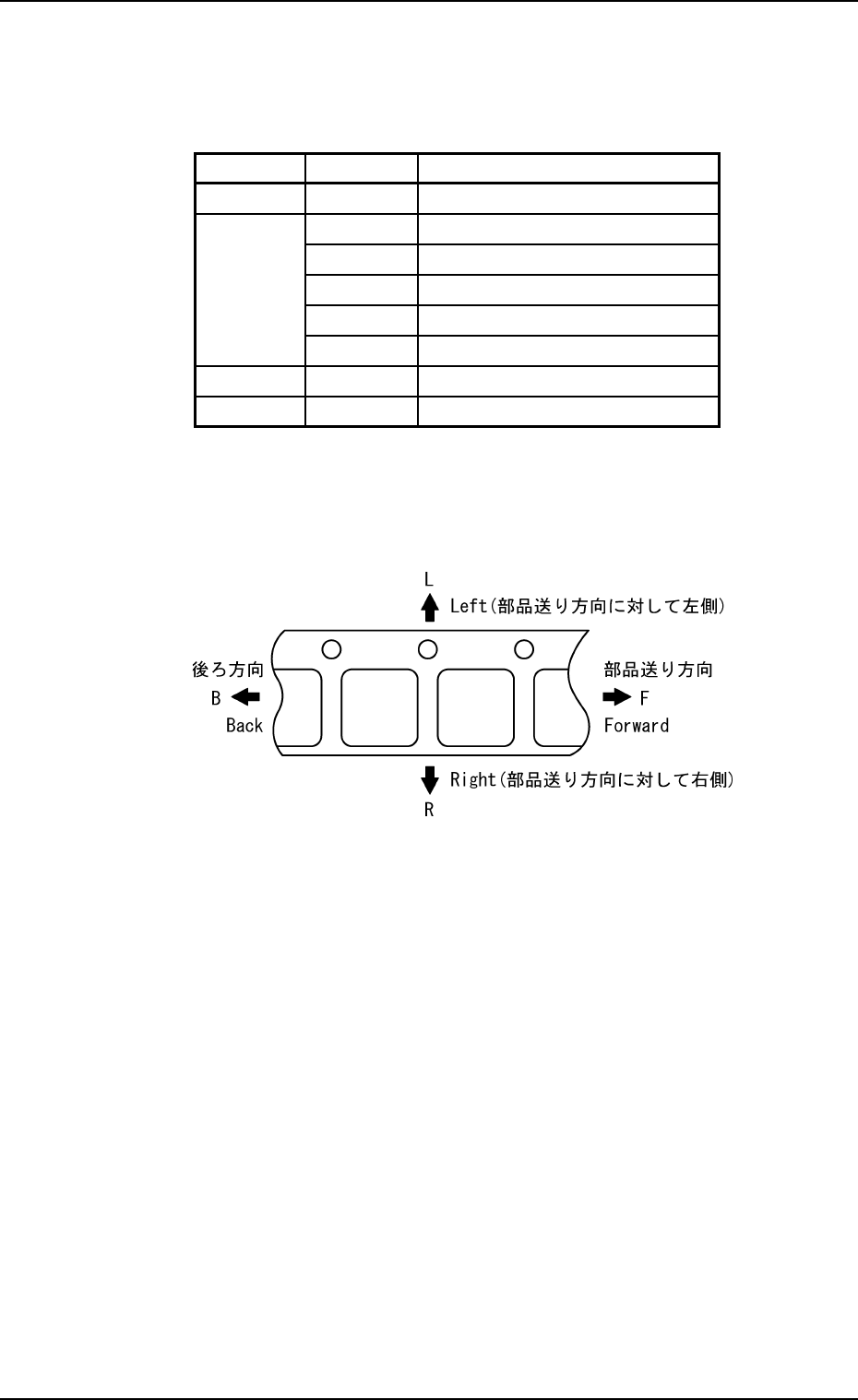
(2) ⩄ᆫᣇะߩᣇߦߟߡ
̌JISޓC0806ޓ㔚ሶㇱຠߩ࠹ࡇࡦࠣ̍ߦḰߒޔએਅߩࠃ߁ߦ
ߥߞߡ߹ߔޕ

Tg0436-PM-CL0107-001 3-9
3. ৻⥸ㇱຠߩ႐ว(IC ࠍ㒰ߊ)
(3) ⩄ᆫ᭽ߦߟߡ
ㇱຠ ID ߩ5ޔ6 ᢥሼ⋡ߦޔએਅߩࠃ߁ߦ⩄ᆫ᭽ࠍㅊടߒ߹
ߔޕ
ㇱຠ ID:
5 ᢥሼ⋡:ߤߩᣇะߦ࠼߇ࠆ߆ࠍߒ߹ߔޕ
L:ㇱຠㅍࠅᣇะߦኻߒߡᏀ
R:ㇱຠㅍࠅᣇะߦኻߒߡฝ
F:ㇱຠㅍࠅᣇะ
B:ᓟࠈᣇะ
6 ᢥሼ⋡:࠼ߩᧄᢙ߹ߚߪᄥߐࠍߒ߹ߔޕ
:ᧄ
2:2 ᧄ
3:3 ᧄ
B:ᄥ࠼
::
::
: (a) TR608 㧙 3B0SAN 㧙
⩄ᆫᣇะ L ߦ࠼߇ ᧄࠆ႐ว
(b) TR295 㧙 4B0SAN 㧙
⩄ᆫᣇะ R ߦᄥ࠼߇ࠆ႐ว

Tg0436-PM-CL0107-001 3-10
3. ৻⥸ㇱຠߩ႐ว(IC ࠍ㒰ߊ)
Fig.C8
Fig.C9
Fig.C0
Fig.C
Fig.C2
(4) ⩄ᆫ᭽
࿑ਛߩ⍫ශߪޔㇱຠㅍࠅᣇะࠍߒ߹ߔޕ
3 ┵ሶߩ TRޔDI ߩ႐ว
4 ┵ሶߩ TRޔDI ߩ႐ว
5 ┵ሶߩ TRޔDI ߩ႐ว
2 ┵ሶߩ DI ߩ႐ว
PTRޔCPTRޔMPTR ߩ႐ว