SP-086-001e.pdf - 第43页
MEMO

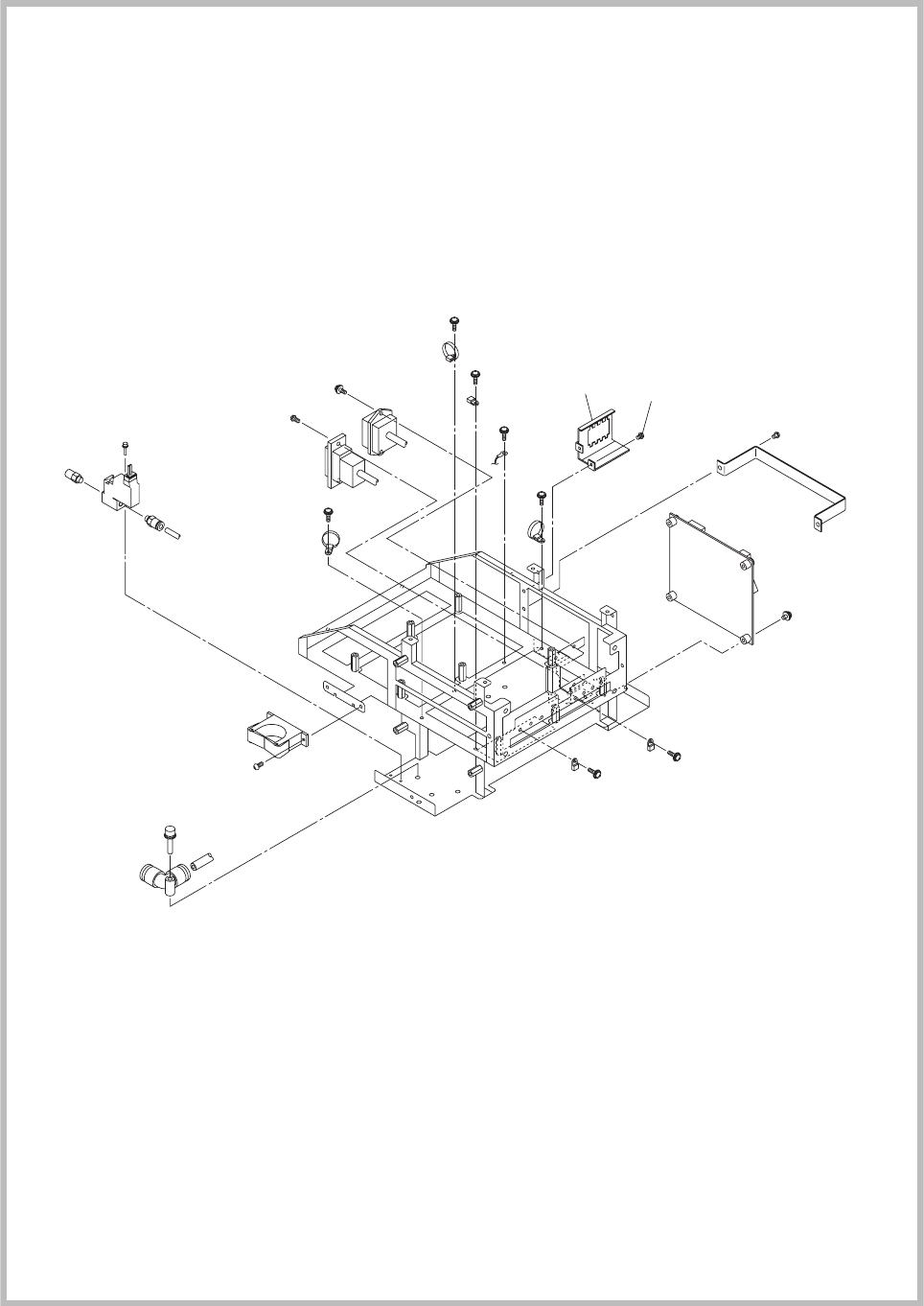
Key No. PART No. PART NAME Q’ty
REMARKS
NOTE
75 09780203 ASSY_NAME_PLATE 1 1097800100-005
Fig. G1'-1
1010-001
Fig. G1'
GS-IB100
GS-HH150(35K Head)

MEMO

1010-001
Fig. G1'-2
電装ボックス
Electrical Box
U03
Y0902
X0307
X0305
X0306
U25
X2503
X2501
X2507
X2504
X25B2
X25X1
X25X2
X2506
X3105
X3103
X31P1
A31
5 N C
A
2 P N C
B
2
P
N
C
C
2 P N C
D
2
P N C
A
2 N C
B 2 N
C
C 2 N C
D 2 N C
3
P
N C
1
P N
C
D 4 N
C C
4
N C
B
4 N C 3 N C
X3104D
X3104B
X3104C
X331P1
X131P1
X12501
X13701
B3106
B3103
X23701
7
N C
1
N C
2 N
C
3 N
C
2
0
X
1
0
X
1
0 B
4
N C
2
0 B
6
N C 5 N C
B309
(BASE:Document No.P-310-00X
UNIT-6 Fig.G1'-2)
163
164
162
161
GS-HH150(35K Head)
Fig. G1'
基板高さ測定フィードバック機能
PCB HEIGHT MEASUREMENT FEEDBACK FUNCTION