P-186-003e.pdf - 第19页
Key No. P AR T No. P AR T NAME Q’ty REMARKS NOTE MODEL TCM-X1 10 0306-001 17 401 630 085 3278 ROTOR 1 809B--010-401 402 41 1 141 4305 W ASHER V 6X12.5X1.6 3 809B--010-402 403 41 1 141 3001 W ASHER SPR 6 3 809B--010-403 4…

MODEL TCM-X110
0507-002
16
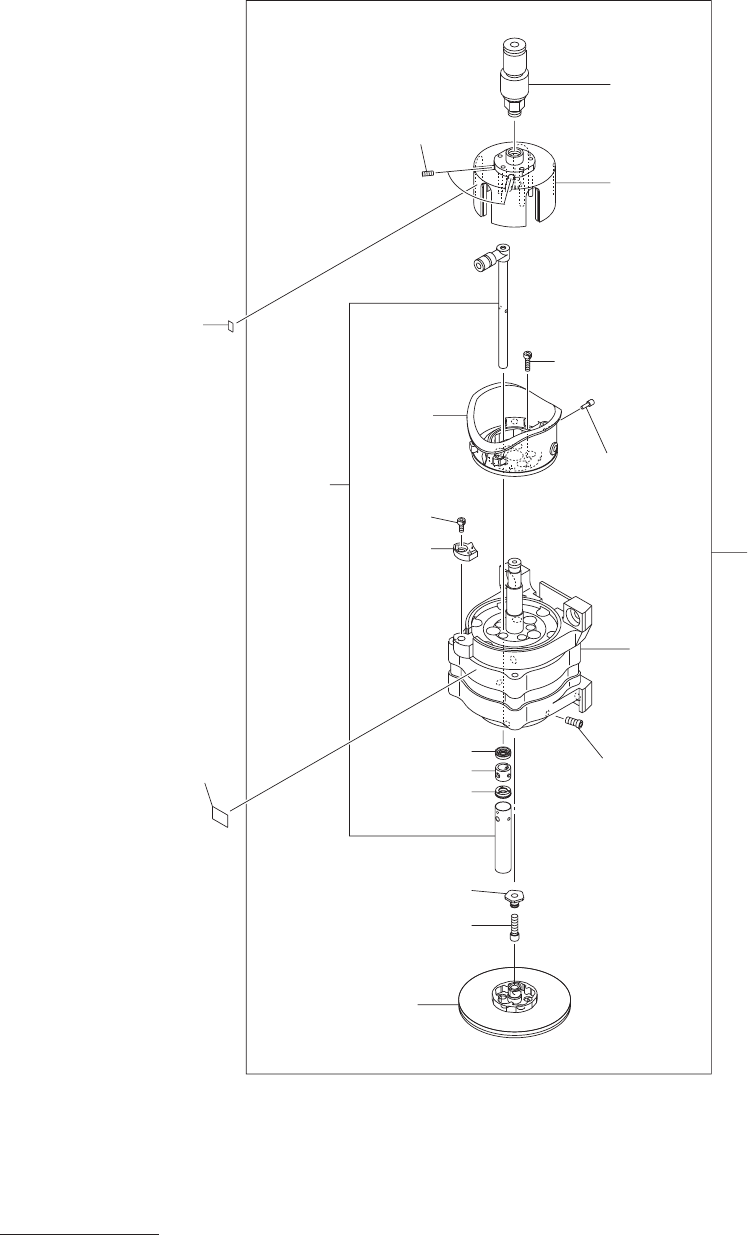
ターンテーブル部
TURNTABLE SECTION
Fig. B-5
ヘッドドライバ
Head Driver
426
425
424
423
421
422
452
420
419
417
416
415
418
414
409
410
411
412
413
408
451
405
See Fig.B-
1
Key No.
1
404
403
402
401
407
406

Key No. PART No. PART NAME Q’ty REMARKS
NOTE
MODEL TCM-X110
0306-001
17
401 630 085 3278 ROTOR 1 809B--010-401
402 411 141 4305 WASHER V 6X12.5X1.6 3 809B--010-402
403 411 141 3001 WASHER SPR 6 3 809B--010-403
404 630 085 8310 BOLT,HEX-SCT 3 809B--010-404
405 630 085 8518 ROTOR 1 809B--010-405
406 411 141 4008 WASHER V 4X9X0.8 4 809B--010-406
407 411 141 2905 WASHER SPR 4 4 809B--010-407
408 630 000 7619 BOLT,HEX-SCT 4 809B--010-408
409 630 085 5081 ROTOR 1 809B--010-409
410 630 048 6834 COLLAR 6 809B--010-410
411 411 141 4008 WASHER V 4X9X0.8 6 809B--010-411
412 411 141 2905 WASHER SPR 4 6 809B--010-412
413 630 000 7633 BOLT,HEX-SCT 6 809B--010-413
414 630 052 3881 BOLT 4 809B--010-414
415 411 141 4305 WASHER V 6X12.5X1.6 3 809B--010-415
416 411 141 3001 WASHER SPR 6 3 809B--010-416
417 630 000 7886 BOLT,HEX-SCT 3 809B--010-417
418 630 090 9739 COUPLING 1 809B--010-418
419 411 141 4107 WASHER V 5X10X1 3 809B--010-419
420 411 141 6705 WASHER SPR 5 3 809B--010-420
421 630 000 7770 BOLT,HEX-SCT 3 809B--010-421
422 630 067 0240 BOLT 24 809B--010-422
423 630 085 8150 COUPLING 1 809B--010-423
424 630 001 0244 WASHER 2 809B--010-424
425 411 141 3100 WASHER SPR 8 2 809B--010-425
426 630 000 8043 BOLT,HEX-SCT 2 809B--010-426
451 630 119 4776 P.C.B,MOUNT 1 #SVME-UA68 809B--010-451
452 630 119 8361 UNIT,DRIVER 6 APMD1-12,D2890B 809B--010-452
B-5

MODEL TCM-X110
0507-002
18
201-11
201-0
7
201-22
202
201-05
201-02
201-21
201-13
203
201-06
201-09
201-06
201-12
201-14
201-10
201-0
3
201-02
201-01
201-0
8
201
ヘッドブロック部
HEAD BLOCK SECTION
Fig. BB-3
ヘッド
ASSY Head Assy