Tape feeder module 56mm X FS06_074223.pdf - 第6页
Tape feeder module 56mm X FS06 Page 6 / 13 16.09.2021

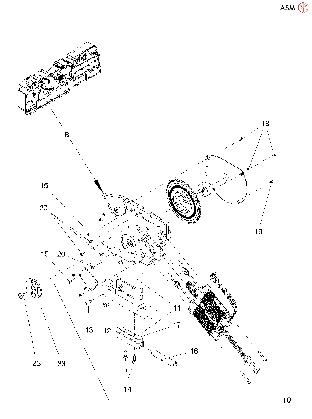
Tape feeder module 56mm X FS06
Page 5 / 13 16.09.2021

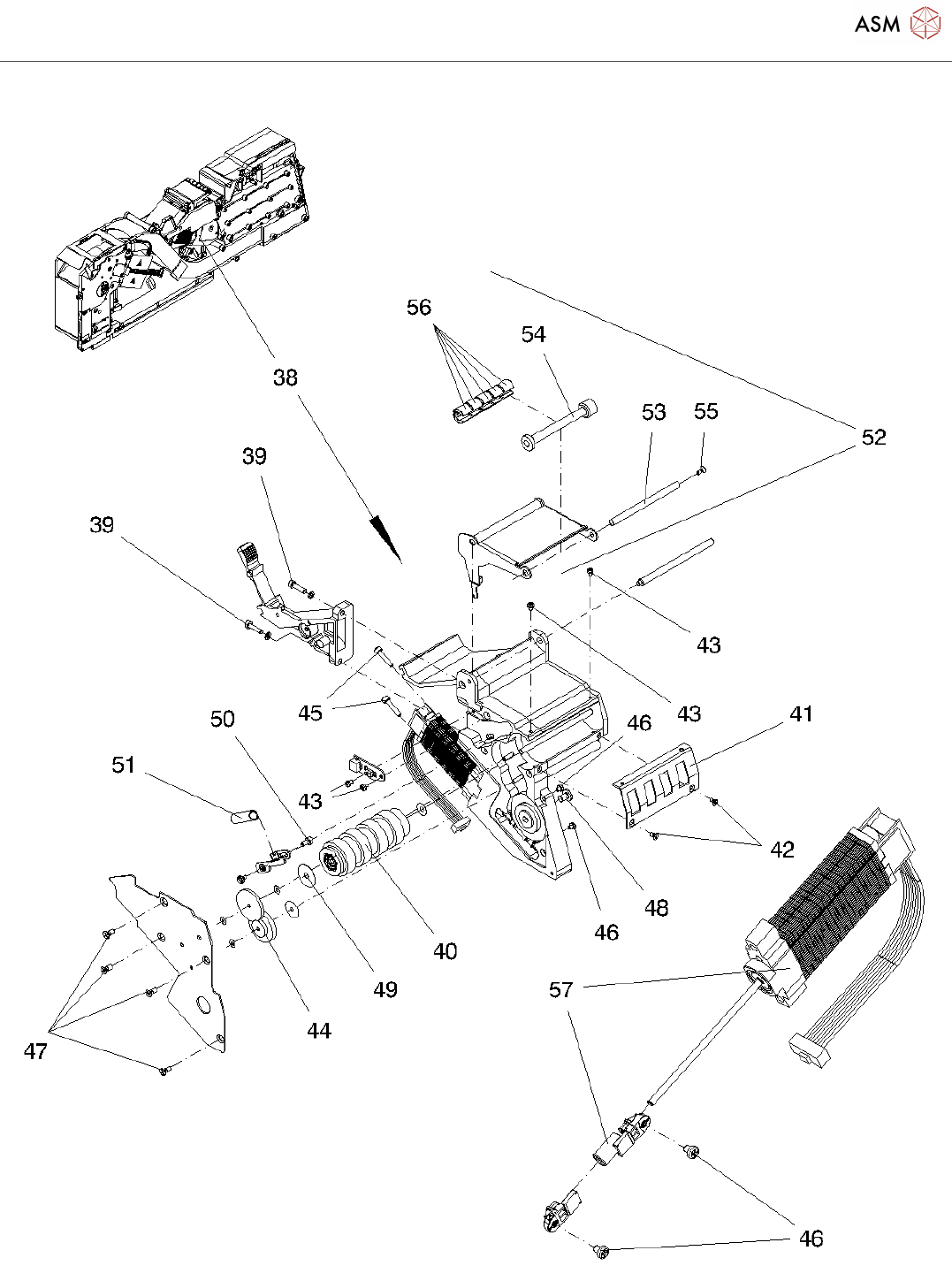
Tape feeder module 56mm X FS06
Page 6 / 13 16.09.2021

Tape feeder module 56mm X FS06
Page 7 / 13 16.09.2021