D_YTF_KJN_e.pdf
d-YTF (YS) KJN-0907(CWD) Contr ol Wiring Diagram

d-YTF
(YS)
KJN-0907(CWD)
Control Wiring Diagram
d-YTF
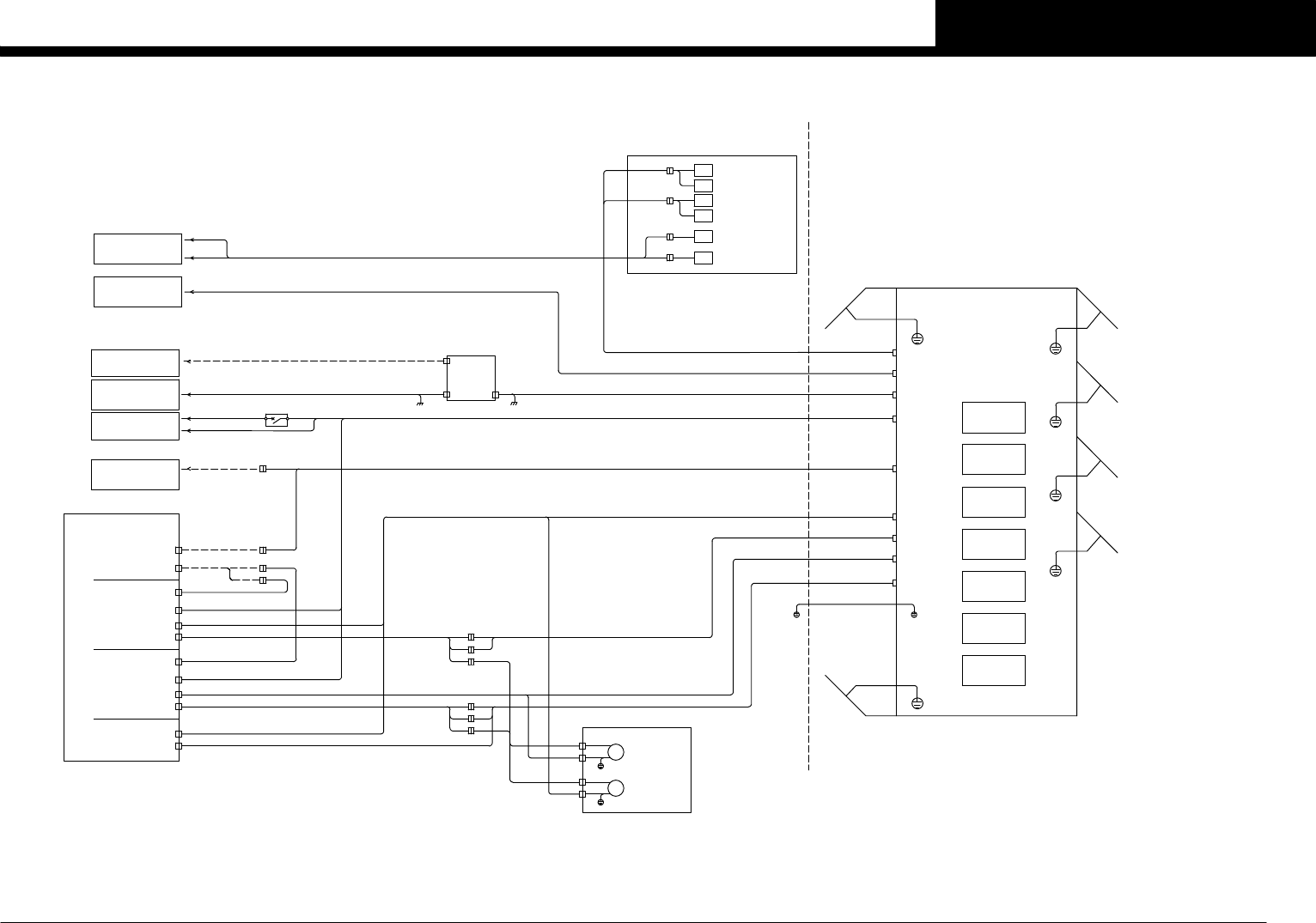
Interface circuit -1-
Interface circuit -2-
I/O TF BOARD assy A -1-
I/O TF BOARD assy A -2-
I/O TF BOARD assy A -3-
I/O TF BOARD assy B
Indicator assy sel
Power circuit
Emergency circuit
DZ1 interlock circuit
DZ2 interlock circuit
Air circuit
Wiring parts list
Table of contents
Confi dential & Proprietary
P. 1
P. 2
P. 3
P. 4
P. 5
P. 6
P. 7
P. 8
P. 9
P.10
P.11
P.12
P.13

Confidential & Proprietary
PAGE
J0651
FRONT COVER
TF MO4
PI4
TF MO3
PI3
J0686MOUNTER - d-YTF
MAIN MACHINE d-YTF
DZ2 INTERLOCK CIRCUIT
DZ1 INTERLOCK CIRCUIT
EMERGENCY CIRCUIT
POWER CIRCUIT
INDICATOR ASSY SEL
I/O TF BOARD ASSY B
See Page 3∼5
I/O TF BOARD ASSY A
See Page 11
See Page 10
See Page 9
See Page 8
See Page 7
See Page 6
YTF1 STATION 1 PARTS DETECT
N0100B14
SQ063
SQ064
ST1.2 DET
SQ063
SQ064
N0100B15
YTF1 STATION 2 PARTS DETECT
YTF1 STATION 3 PARTS DETECT
YTF1 STATION 4 PARTS DETECT
N0100B16
N0100B17
ST3.4 DET
SQ061
SQ062
DS1-AXIS LOWER SIDE
DS2-AXIS LOWER SIDE
N0100911
N0100912
DS1 LOW
DS2 LOW
d-YTF STATION UNIT
TCN12
TCN23
SRV
SRVSRV4
SRV3
d-YTF STATION UNIT
M08
M09
DS1P
DS1M
DS2P
DS2M
DS1-AXIS 30W
DS2-AXIS 30W
□35 MAX 1800rpm
□35 MAX 1800rpm
DS1P
DZ1P
DXY1P
DXY2P
DZ2P
DS1P
Note1:Harnesses with short dashed line are included in the mounter.
Please refer to the mounter interconnection diagram.
Note2:Connect connectors and screw up earth terminals enclosed by alternate long and short dashed box.
Harnesses are as followings;J0689,J0681,J0675,J0676,J0679,J0688,J0683,J0687,J0685
J0684,J0677,J0678,J0680,J0682,J0686.
Screws are as followings;J0681,J0683,J0686,M08,M09
J0677
J0678
J0679
J0689
J0697
J0676
J0696
J0675
J0680
J0682
INTERFACE BOARD I/O A
INTERFACE BOARD SRVA
SERV03 SRV CMN
SERV03 BRAKE
SERV04 SRV CMN
SERV04 BRAKE
SERV04 MO
SERV04 ENC
SERV03 ENC
SERV03 MO
SRV
IF1 SRVA
SRV
SRV3 BRAKE
SRV4 BRAKE
MO3
PI3
PI4
MO4
SERVO4
SERVO3
SERVO1
CONTROL BOX A1
INTERFACE BOARD
(DZ2,DY2,DS2,DX2)
(DZ2,DY2,DS2,DX2)
(DZ1,DY1,DS1,DX1)
(DZ1,DY1,DS1,DX1)
SERV01 MO
SERV01 ENC
LW1M
LW1P
(X1,PU2,LW1,-)
(X1,PU2,LW1,-)
MAGAZINE DOOR 3
MAGAZINE DOOR 1
J0650
FRONT COVER
J0668
MAGAZINE DOOR 2
J0669
MAGAZINE DOOR 4
J0671
J0670
STATION
EMG
CONV.M
TF+24V
+24A
0V24A
QF26 4A
TF+24V+24A
CV3.CN3
CN2 CN3
CV3 CN2
CN1
P013
CONVEYOR MOTOR DRIVER d-YTF
DCN1
CN33
CONV+24VA
TF EMG
J0685
J0683
J0687
J0688
J0681
I/OJ0684
I/O A TFI/O A
IF1 I/O
I/O A TFI/O A
I/O CONVEYOR BOARD CN14
See MOUNTER
INTERCONNECTION DIAGRAM
EMG CIRCUIT DIAGRAM
See MOUNTER
TERMINAL BOARD TCN12,23
POWER CIRCUIT DIAGRAM
See MOUNTER
GS21
EMG CIRCUIT DIAGRAM
See MOUNTER
POWER CIRCUIT DIAGRAM
See MOUNTER
I/O CONVEYOR BOARD CN33
KM11A
EMG CIRCUIT DIAGRAM
See MOUNTER
I/O CONVEYOR BOARD CN11
KJN-000-CC.V2
1
INTERFACE CIRCUIT 1/2
d-YTF(YS)