文档中心
/
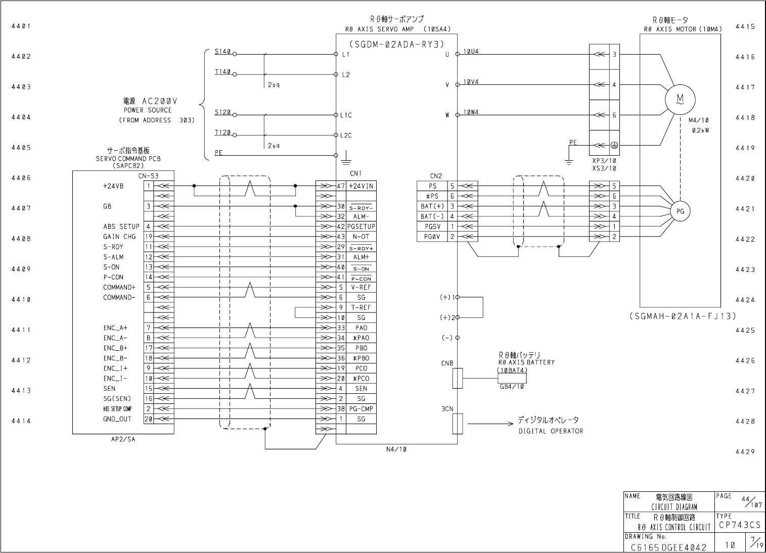
Schmtic_CP743CS_02.pdf
Schmtic_CP743CS_02.pdf - 第51页
在线预览 Schmtic_CP743CS_02.pdf PDF 文档。
目录
100%
显示:宽度
宽度
1 / 256
回到旧版
旧版
?
该页面需要启用 JavaScript 才能进行交互式预览。